·Î±×ÀÎ
56
´Ù¼¼´ë(ºô¶ó)
ÀÇÁ¤ºÎÁö¹æ¹ý¿ø °í¾çÁö¿ø
 °¨Á¤°¡211,000,000 ¿ø
 ÃÖÀú°¡(100%) 211,000,000 ¿ø
 º¸Áõ±Ý(10%) 21,100,000 ¿ø
 Ã»±¸¾×210,000,000 ¿ø
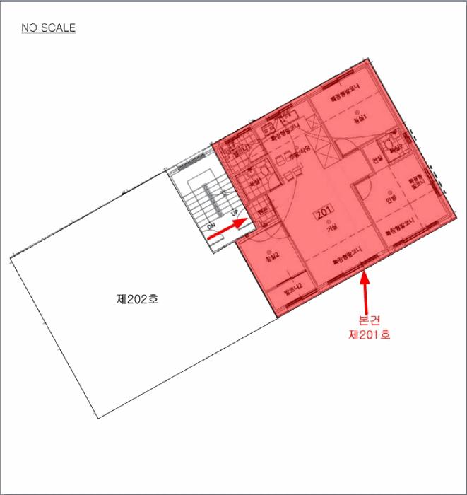
°æ±âµµ °í¾ç½Ã Àϻ굿±¸ ¼º¼®µ¿ 174-20 ÇÑ¿ïÇÏÀÓ 122µ¿ 2Ãþ201È£
»ç°Ç¹øÈ£ 2025Ÿ°æ64296
°æ¸ÅÁ¾·ùºÎµ¿»ê°­Á¦°æ¸Å
¸Å°¢´ë»óÅäÁö ¹× °Ç¹°Àϰý ¸Å°¢
¸Å°¢±âÀÏ    2026.04.23(¸ñ) 10:00 ÀÔÂû 12ÀÏÀü    
ÅäÁö¸éÀû48.22§³(14.59 Æò)
°Ç¹°¸éÀû50.43§³(15.26 Æò)
乫/¼ÒÀ¯ÀÚ±èOO¿Ü 1¸í / ±èOO¿Ü 1¸í
ä±ÇÀÚÀÌOO
ÆäÀ̽ººÏ Æ®À§ÅÍ ±¸±Û+
īī¿À½ºÅ丮
īī¿ÀÅå sms¹®ÀÚº¸³»±â
 

±âÀϳ»¿ª

°æ°ú ³¯Â¥ Àú°¨ ÃÖÀú°¡ °á°ú
Á¢¼öÀÏ 2025-09-22 °æ¸ÅÁ¢¼ö
~2ÀÏ 
2025-09-24 °æ¸Å°³½Ã°áÁ¤
~91ÀÏ 
2025-12-22 ¹è´ç¿ä±¸Á¾±âÀÏ
~213ÀÏ 
2026-04-23 100%
211,000,000
ÁøÇà
¹°°Ç¸í¼¼¼­ ÇöȲÁ¶»ç¼­ ¹®°ÇÁ¢¼ö ¼Û´Þ³»¿ª

°¨Á¤Æò°¡ÇöȲ

¸ñ·Ï ÁÖ¼Ò ±¸Á¶/¿ëµµ/´ëÁö±Ç ¸éÀû ºñ°í
´ëÁö±Ç
¼º¼®µ¿ 174-20 1025ºÐÀÇ 48.22 48.22 §³
(14.59Æò)
°Ç¹°
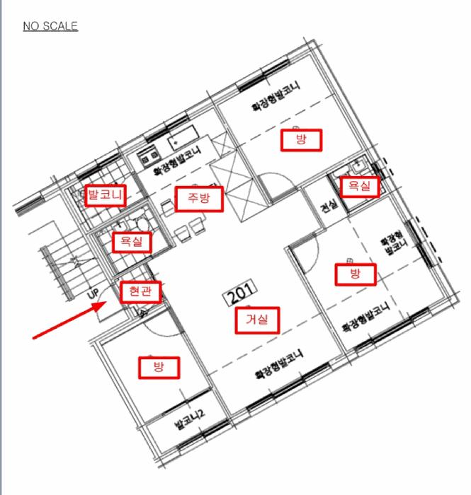
¼º¼®µ¿ 174-20 122µ¿ 2Ãþ201È£ ö±ÙÄÜÅ©¸®Æ®±¸Á¶ 50.43 §³
(15.26Æò)
1) À§Ä¡/µµ½ÃÁö¿ª/°èȹ°ü¸®Áö¿ª/ÅäÁö°Å·¡°è¾à¿¡°üÇÑÇã°¡±¸¿ª/Á¦¹Ý Â÷·® ÃâÀÔ/ö±ÙÄÜÅ©¸®Æ®±¸Á¶ ´õº¸±â
°¨Á¤Æò°¡ ¿äÇ×Ç¥
1)À§Ä¡ ¹× ÁÖÀ§È¯°æ
°æ±âµµ °í¾ç½Ã Àϻ굿±¸ ½Ä»çµ¿ ¼ÒÀç "°í¾ç±¹Á¦°íµîÇб³" ºÏÃø ÀαÙÇϸç, ÁÖÀ§´Â ´Ù¼¼´ëÁÖÅÃ, ´Üµ¶ÁÖÅÃ, ¼Ò±Ô¸ð°øÀå, ±Ù¸°»ýȰ½Ã¼³ µîÀÌ ¼ÒÀçÇϰí ÀÖÀ½.
2)±³Åë»óȲ
º»°Ç±îÁö Â÷·®Á¢±Ù °¡´ÉÇϸç, ÁÖÀ§¸¦ Åë°úÇÏ´Â ´ëÁß±³ÅëÀÇ ¿îÇàºóµµ µîÀ» °í·ÁÄÁµ¥ ±³Åë»óȲÀº º¸ÅëÀÎ ÆíÀÓ.
3)°Ç¹°ÀÇ ±¸Á¶
ö±ÙÄÜÅ©¸®Æ®±¸Á¶ (ö±Ù)ÄÜÅ©¸®Æ®ÁöºØ 4Ãþ °Ç¹°³» Á¦2Ãþ Á¦201È£·Î¼­ (»ç¿ë½ÂÀÎÀÏ : 2018.11.20.) ¿Üº® : ¼®Àç ºÙÀÓ ¹× µå¶óÀ̺ñÆ® ¸¶°¨ µî âȣ : ÇÏÀÌ»õ½ÃÀÓ.
4)ÀÌ¿ë»óÅÂ
´Ù¼¼´ëÁÖÅÃ(ÈÄ÷ '³»ºÎ±¸Á¶µµ' ÂüÁ¶)À¸·Î ÀÌ¿ëÁßÀÓ.
5)¼³ºñ³»¿ª
À§»ý ¹× ±Þ¹è¼ö¼³ºñ, °³º° ³­¹æ¼³ºñ µîÀ» °®Ãß°í ÀÖÀ½.
6)ÅäÁöÀÇ Çü»ó ¹× ÀÌ¿ë»óÅÂ
ÆòźÇÏ°Ô Á¶¼ºµÈ ¼¼·ÎÀ广Çü ÅäÁö·Î¼­, ´Ù¼¼´ëÁÖÅà °ÇºÎÁö·Î ÀÌ¿ëÁßÀÓ.
7)ÀÎÁ¢ µµ·Î»óŵî
Á¦¹Ý Â÷·® ÃâÀÔÀÌ °¡´ÉÇÑ Æ÷Àåµµ·Î¿¡ Á¢Çϰí ÀÖÀ½.
8)ÅäÁöÀÌ¿ë°èȹ ¹× Á¦ÇÑ»óÅÂ
°èȹ°ü¸®Áö¿ª, ¼ºÀå°ü¸®°èȹ±¸¿ª(ÁÖ°Åzone), °¡Ãà»çÀ°Á¦Çѱ¸¿ª(2024-11-12)(ÀϺÎÁ¦Çѱ¸¿ª [ÀüºÎÁ¦Çѱ¸¿ªÀ¸·ÎºÎÅÍ Á¦ÇѰŸ® 500m (¼Ò,Á¥¼Ò,¸» Á¦ÇÑ)])<°¡ÃàºÐ´¢ÀÇ °ü¸® ¹× À̿뿡 °üÇÑ ¹ý·ü>, °¡Ãà»çÀ°Á¦Çѱ¸¿ª(2024-11-12)(ÀüºÎÁ¦Çѱ¸¿ª [µµ½ÃÁö¿ª{ÁÖ°Å,»ó¾÷,°ø¾÷,³ìÁö(ÀÚ¿¬Ãë¶ôÁö±¸)}¹×ÁְŹÐÁýÁö¿ª])<°¡ÃàºÐ´¢ÀÇ °ü¸® ¹× À̿뿡 °üÇÑ ¹ý·ü>, °ú¹Ð¾ïÁ¦±Ç¿ª<¼öµµ±ÇÁ¤ºñ°èȹ¹ý>, ÅäÁö°Å·¡°è¾à¿¡°üÇÑÇã°¡±¸¿ª(2025-08-26)(¿Ü±¹Àεî´ë»ó,´ë»ó¿ëµµ(´Üµ¶,´Ù°¡±¸,¿¬¸³,´Ù¼¼´ëÁÖÅÃ,¾ÆÆÄÆ®)·Î»ç¿ëµÇ´ÂÅäÁö)
9)°øºÎ¿ÍÀÇ Â÷ÀÌ
¾ø À½.
10)±âŸÂü°í»çÇ×(ÀÓ´ë°ü·Ê ¹× ±âŸ)
ÀÓ´ë°ü°è´Â ¹Ì»óÀÓ.
Âü°í
»çÇ×

º»°ÇÀº ö±ÙÄÜÅ©¸®Æ®±¸Á¶ (ö±Ù)ÄÜÅ©¸®Æ®ÁöºØ 4Ãþ °øµ¿ÁÖÅÃÀÓ.

°ÇÃ๰ÇöȲ

¼ÒÀçÁö °æ±âµµ °í¾ç½Ã Àϻ굿±¸ ¼º¼®µ¿ 174-20¹øÁö
´ëÁö¸éÀû   ¿¬¸éÀû 696.37§³
(211.02Æò)
°ÇÃà¸éÀû 195.7§³
(59.3Æò)
¿ëÀû·ü»êÁ¤
¿¬¸éÀû
500.66§³
(151.72Æò)
°ÇÆóÀ²   ¿ëÀû·ü  
Áö»óÃþ¼ö 4Ãþ ÁöÇÏÃþ¼ö 1Ãþ
ÁÖ¿ëµµ °øµ¿ÁÖÅà ±¸Á¶ ö±ÙÄÜÅ©¸®Æ®±¸Á¶
Âø°øÀÏÀÚ 2017.07.03 »ç¿ë½ÂÀÎÀÏÀÚ 2018.11.20
°ÇÃ๰Ãþº°ÇöȲ [º¸±â]


µî±âºÎµîº» ¿ä¾à(°Ç¹°)

  Á¢¼öÀÏÀÚ µî±â¸ñÀû/±Ç¸®ÀÚ ±Ç¸®±Ý¾× ±âÁØ
1 2020³â5¿ù29ÀÏ
¼ÒÀ¯±Ç
ÃÖOO
¼Ò¸ê
2 2020³â5¿ù29ÀÏ
¼ÒÀ¯±Ç
±èOO
¼Ò¸ê
3 2021³â11¿ù26ÀÏ
¾àÁ¤/±ÝÁö»çÇ×/ȯ¸ÅƯ¾à
Àμö
4 2024³â8¿ù23ÀÏ
ÀÓÂ÷±Ç¼³Á¤
ÀÌOO
210,000,000 Àμö
5 2024³â9¿ù26ÀÏ
°¡¾Ð·ù
³²OOOO
610,775,721 ¼Ò¸ê±âÁØ
6 2024³â10¿ù2ÀÏ
°¡¾Ð·ù
³²OOOO
357,951,294 ¼Ò¸ê
7 2025³â9¿ù26ÀÏ
°­Á¦°æ¸Å
ÀÌOO
¼Ò¸ê
8 2025³â11¿ù21ÀÏ
¾Ð·ù
±¹
¼Ò¸ê
9 2025³â12¿ù3ÀÏ
¾Ð·ù
±¹
¼Ò¸ê

ÀÓÂ÷ÀÎÇöȲ (¹è´ç¿ä±¸Á¾±âÀÏ: 2025-12-22)



¸Å°¢±âÀÏ 7ÀÏÀü¿¡ ¸Å°¢¹°°Ç¸í¼¼¼­°¡ °ø°íµÇ¿À´Ï È®ÀÎÇϽñ⠹ٶø´Ï´Ù.

ÀÓÂ÷ÀÎ ¿ëµµ/Á¡À¯ º¸Áõ±Ý/¿ù¼¼ ´ëÇ×·Â
ÀüÀÔÀÏ/È®Á¤ÀÏ ¹è´ç¿ä±¸ ºñ°í
ÀÌOO ÀüºÎ 210,000,000
O
2022. 8. 9.
2022. 7. 28.
2025. 10. 15. 2022. 8. 13.~ ÇöÀç

¿©ÀÇÁÖ°æ¸Å Á¶¾ð ÇÑ ¸¶µð


ÁÖÀÇ»çÇ× (ÃÖ¼±¼øÀ§ ¼³Á¤ÀÏ: 1. ±èÁø¼± ÁöºÐ 2024. 9. 26. °¡¾Ð·ù ¼³Á¤ 2. ÃÖ¿µÃ¶ ÁöºÐ 2024. 10. 2. °¡¾Ð·ù)

¸Å°¢À¸·Î ¼Ò¸êµÇÁö ¾Ê´Â µî±âºÎ±Ç¸®: ¸Å¼öÀο¡°Ô ´ëÇ×ÇÒ ¼ö ÀÖ´Â ÀÓÂ÷ÀÎÀÌ ÀÖÀ½(ÀÓ´ëÂ÷º¸Áõ±Ý 210,000,000¿ø, ÀüÀÔÀÏ 2022. 8. 9, È®Á¤ÀÏÀÚ 2022. 7. 28). ¹è´ç¿¡¼­ º¸Áõ±ÝÀÌ Àü¾× º¯Á¦µÇÁö ¾Æ´ÏÇϸé Àܾ×À» ¸Å¼öÀÎÀÌ ÀμöÇÔ.
¸Å°¢À¸·Î ¼³Á¤µÈ °ÍÀ¸·Î º¸´Â Áö»ó±Ç:
¡Ø¹Ì³³°ü¸®ºñ(°ø¿ë) Àμö¿©ºÎ¸¦ ÀÔÂû Àü¿¡ È®ÀÎÇϽñ⠹ٶø´Ï´Ù

 

Áö¿ªºÐ¼®

ÁöÇÏö¸í Á÷¼±°Å¸®

Çб³¸í ÀüÈ­¹øÈ£ ÁÖ¼Ò Á÷¼±°Å¸®

¹ý¿ø

ÀÇÁ¤ºÎÁö¹æ¹ý¿ø °í¾çÁö¿ø (104-13)°æ±âµµ °í¾ç½Ã Àϻ굿±¸ Àå¹é·Î 209
´ëÇ¥ : 031)920-6114, ¾ß°£ : 031)920-6550, ÆÑ½º : 031)920-6119
°üÇÒÁö¿ª : °í¾ç½Ã, ÆÄÁÖ½Ã

µî±â¼Ò ÀÇÁ¤ºÎÁö¹æ¹ý¿ø °í¾çÁö¿ø °í¾çµî±â¼Ò (´ëÇ¥:1544-0773, ÆÑ½º:(031)920-5959, °æ±âµµ °í¾ç½Ã Àϻ굿±¸ Áß¾Ó·Î1275¹ø±æ 38-30 (ÀåÇ×µ¿ 773))
¼¼¹«¼­ °í¾ç¼¼¹«¼­ (´ëÇ¥:031-900-92, ÆÑ½º:031-907-9177, °æ±âµµ °í¾ç½Ã Àϻ굿±¸ Áß¾Ó·Î1275¹ø±æ 14-43 (ÀåÇ×µ¿) )

Àαٳ«ÂûÅë°è

±â°£ ¸Å°¢°Ç¼ö Æò±Õ°¨Á¤°¡
Æò±Õ¸Å°¢°¡
¸Å°¢°¡À²
Æò±ÕÀ¯Âû¼ö
3°³¿ù 36°Ç 242,644,444¿ø
131,272,090¿ø
53%
3.3ȸ
6°³¿ù 56°Ç 252,592,857¿ø
151,613,931¿ø
59%
3.2ȸ
12°³¿ù 105°Ç 242,401,905¿ø
145,721,624¿ø
60%
3ȸ


º» °æ¸ÅÁ¤º¸´Â ¹ý¿øÀÚ·á¿Í ÀÏÄ¡Çϵµ·Ï ÇÏ¿´À¸³ª ±Ç¸®»çÇ׺¯µ¿, ÀÔ·ÂÂø¿À µîÀÇ ¿øÀÎÀ¸·Î »ç½Ç°ú ´Ù¸¦ ¼ö ÀÖ½À´Ï´Ù. ÀÌ¿ë¾à°ü¿¡ ÀǰЏéÃ¥Á¶°ÇÀ¸·Î Á¦°øµÊÀ» ¾Ë¸®¸ç, °æ¸ÅÀÔÂû½Ã ¹Ýµå½Ã °ü·Ã °øºÎ¸¦ ÀçÈ®ÀÎÇϽñ⠹ٶø´Ï´Ù. º¸´Ù Æí¸®ÇÑ °æ¸ÅÁ¤º¸ Á¦°øÀ» À§ÇØ Áö¼ÓÀûÀ¸·Î °³¼±ÇϰڽÀ´Ï´Ù. ÀÌ¿ëÇØ Áּż­ °¨»çÇÕ´Ï´Ù.