·Î±×ÀÎ
21
´Ù¼¼´ë(ºô¶ó)
ÀÎõÁö¹æ¹ý¿ø ºÎõÁö¿ø
 °¨Á¤°¡150,000,000 ¿ø
 ÃÖÀú°¡(100%) 150,000,000 ¿ø
 º¸Áõ±Ý(10%) 15,000,000 ¿ø
 Ã»±¸¾×160,000,000 ¿ø
°æ±âµµ ºÎõ½Ã ¼Ò»ç±¸ ¼Ò»çº»µ¿ 57-9 ±Ý»ó±×·£µåºô 4Ãþ 401È£
»ç°Ç¹øÈ£ 2025Ÿ°æ32627
°æ¸ÅÁ¾·ùºÎµ¿»ê°­Á¦°æ¸Å
¸Å°¢´ë»óÅäÁö ¹× °Ç¹°Àϰý ¸Å°¢
¸Å°¢±âÀÏ    2026.04.22(¼ö) 10:00 ÀÔÂû 11ÀÏÀü    
ÅäÁö¸éÀû25.14§³(7.60 Æò)
°Ç¹°¸éÀû36.97§³(11.18 Æò)
乫/¼ÒÀ¯ÀÚ¹éOO / ¹éOO
ä±ÇÀÚÁÖOOOOOOO
ÆäÀ̽ººÏ Æ®À§ÅÍ ±¸±Û+
īī¿À½ºÅ丮
īī¿ÀÅå sms¹®ÀÚº¸³»±â
 

±âÀϳ»¿ª

°æ°ú ³¯Â¥ Àú°¨ ÃÖÀú°¡ °á°ú
Á¢¼öÀÏ 2025-02-17 °æ¸ÅÁ¢¼ö
~1ÀÏ 
2025-02-18 °æ¸Å°³½Ã°áÁ¤
~84ÀÏ 
2025-05-12 ¹è´ç¿ä±¸Á¾±âÀÏ
~429ÀÏ 
2026-04-22 100%
150,000,000
ÁøÇà
¹°°Ç¸í¼¼¼­ ÇöȲÁ¶»ç¼­ ¹®°ÇÁ¢¼ö ¼Û´Þ³»¿ª

°¨Á¤Æò°¡ÇöȲ

¸ñ·Ï ÁÖ¼Ò ±¸Á¶/¿ëµµ/´ëÁö±Ç ¸éÀû ºñ°í
´ëÁö±Ç
¼Ò»çº»µ¿ 57-9 406ºÐÀÇ 25.14 25.14 §³
(7.60Æò)
°Ç¹°
¼Ò»çº»µ¿ 57-9 4Ãþ 401È£ ö±ÙÄÜÅ©¸®Æ®Á¶ 36.97 §³
(11.18Æò)
1) À§Ä¡/Á¦2Á¾ÀϹÝÁÖ°ÅÁö¿ª/³ë¼±¹ö½ºÁ¤·ùÀå/Â÷·®ÀÇ ÃâÀÔÀÌ ¿ëÀÌ/ö±ÙÄÜÅ©¸®Æ®±¸Á¶/½½·¡ºêÁöºØ ´õº¸±â
°¨Á¤Æò°¡ ¿äÇ×Ç¥
1)À§Ä¡ ¹× ÁÖÀ§È¯°æ
´ë»ó¹°°ÇÀº °æ±âµµ ºÎõ½Ã ¼Ò»ç±¸ ¼Ò»çº»µ¿ ¼ÒÀç ""¼Ò»ç±¸Ã»"" µ¿Ãø Àαٿ¡ À§Ä¡Çϸç, ÁÖÀ§´Â
°øµ¿ÁÖÅÃ, ±Ù¸°»ýȰ½Ã¼³ µîÀÌ È¥ÀçÇÏ´Â ÁÖ°ÅÁö´ë·Î Á¦¹Ý ÁÖÀ§È¯°æÀº º¸Åë½ÃµË´Ï´Ù.


2)±³Åë»óȲ
´ë»ó¹°°Ç±îÁö Á¦¹Ý Â÷·®ÀÇ ÃâÀÔÀÌ ¿ëÀÌÇϰí Àαٿ¡ ³ë¼±¹ö½ºÁ¤·ùÀåÀÌ ¼ÒÀçÇϸç, ºÏ¼­Ãø
±Ù°Å¸®¿¡ ±¹Ã¶1È£¼±, ¼­Çؼ± '¼Ò»ç¿ª'ÀÌ ¼ÒÀçÇÏ¿© Á¦¹Ý ±³Åë¿©°ÇÀº ¹«³­½ÃµË´Ï´Ù.
3)°Ç¹°ÀÇ ±¸Á¶
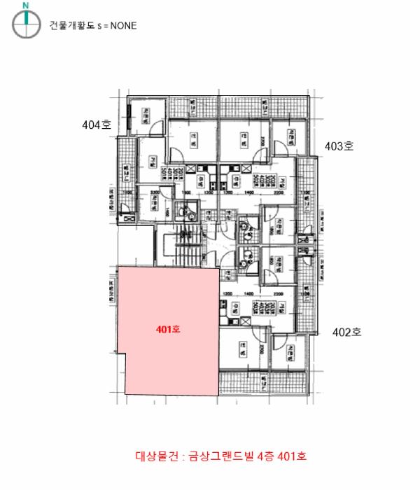
´ë»ó¹°°ÇÀº ö±ÙÄÜÅ©¸®Æ®±¸Á¶ ½½·¡ºêÁöºØ Áö»ó 5Ãþ °Ç¹° ³» Á¦4Ãþ Á¦402È£·Î¼­,
¿Ü º® : ¸ôÅ»À§ ÆäÀÎÆÃ µî,
â È£ : PVC»õ½Ã âȣÀÔ´Ï´Ù.
4)ÀÌ¿ë»óÅÂ
´ë»ó¹°°ÇÀº °øºÎ»ó '´Ù¼¼´ëÁÖÅÃ' ¿ëµµÀÔ´Ï´Ù.
5)¼³ºñ³»¿ª
À§»ý ¹× ±Þ¹è¼ö¼³ºñ, ³­¹æ¼³ºñ, ¿¤¸®º£ÀÌÅͼ³ºñ µîÀ» °®Ãß¾ú½À´Ï´Ù.
6)ÅäÁöÀÇ Çü»ó ¹× ÀÌ¿ë»óÅÂ
ÀÎÁ¢µµ·Î ¹× ÇÊÁö ´ëºñ µî°íÆòźÇÑ »ç´Ù¸®ÇüÀÇ ÅäÁö·Î, 2ÇÊ ÀÏ´ÜÀÇ ´Ù¼¼´ëÁÖÅà ºÎÁö·Î
ÀÌ¿ëÁßÀÔ´Ï´Ù.
7)ÀÎÁ¢ µµ·Î»óŵî
´ë»ó¹°°Ç ³²ÃøÀ¸·Î Æø 15¹ÌÅÍ ³»¿ÜÀÇ µµ·Î¿¡ Á¢ÇϰíÀÖ½À´Ï´Ù.
8)ÅäÁöÀÌ¿ë°èȹ ¹× Á¦ÇÑ»óÅÂ
Á¦2Á¾ÀϹÝÁÖ°ÅÁö¿ª , ¼Ò·Î2·ù(Æø 8m~10m),(°¡Ãà»çÀ°Á¦Çѱ¸¿ª(ÀüºÎÁ¦Çѱ¸¿ª)<°¡ÃàºÐ´¢ÀÇ °ü¸®
¹× À̿뿡 °üÇÑ ¹ý·ü>, °ú¹Ð¾ïÁ¦±Ç¿ª<¼öµµ±ÇÁ¤ºñ°èȹ¹ý> ÀÔ´Ï´Ù.
9)°øºÎ¿ÍÀÇ Â÷ÀÌ
ÇØ´ç»çÇ× ¾ø½À´Ï´Ù.
10)±âŸÂü°í»çÇ×(ÀÓ´ë°ü·Ê ¹× ±âŸ)
ÀÌÇØ°ü°èÀÎÀÇ ÇùÁ¶°¡ ¿øÈ°ÇÏÁö ¸øÇÏ¿© ÀÓ´ë°ü°è ¹Ì»óÀÔ´Ï´Ù.

°ÇÃ๰ÇöȲ

¼ÒÀçÁö °æ±âµµ ºÎõ½Ã ¼Ò»ç±¸ ¼Ò»çº»µ¿ 57-9¹øÁö
´ëÁö¸éÀû 406§³
(123.03Æò)
¿¬¸éÀû 659.26§³
(199.78Æò)
°ÇÃà¸éÀû 188.96§³
(57.26Æò)
¿ëÀû·ü»êÁ¤
¿¬¸éÀû
659.26§³
(199.78Æò)
°ÇÆóÀ² 46.54% ¿ëÀû·ü 162.38%
Áö»óÃþ¼ö 5Ãþ ÁöÇÏÃþ¼ö  
ÁÖ¿ëµµ °øµ¿ÁÖÅà ±¸Á¶ ö±ÙÄÜÅ©¸®Æ®±¸Á¶
Âø°øÀÏÀÚ 2001.10.31 »ç¿ë½ÂÀÎÀÏÀÚ 2002.03.25
°ÇÃ๰Ãþº°ÇöȲ [º¸±â]


µî±âºÎµîº» ¿ä¾à(°Ç¹°)

  Á¢¼öÀÏÀÚ µî±â¸ñÀû/±Ç¸®ÀÚ ±Ç¸®±Ý¾× ±âÁØ
1 2021³â7¿ù20ÀÏ
¼ÒÀ¯±Ç
¹éOO
¼Ò¸ê
2 2023³â4¿ù14ÀÏ
¾Ð·ù
±¹
¼Ò¸ê±âÁØ
3 2023³â5¿ù22ÀÏ
ÀÓÂ÷±Ç¼³Á¤
³ëOO
160,000,000 ¼Ò¸ê
4 2023³â8¿ù23ÀÏ
¾Ð·ù
ºÎOO
¼Ò¸ê
5 2025³â2¿ù18ÀÏ
°­Á¦°æ¸Å
ÁÖOOOO
¼Ò¸ê
6 2025³â2¿ù28ÀÏ
¾Ð·ù
±¹OOOO
¼Ò¸ê

ÀÓÂ÷ÀÎÇöȲ (¹è´ç¿ä±¸Á¾±âÀÏ: 2025-05-12)



¸Å°¢±âÀÏ 7ÀÏÀü¿¡ ¸Å°¢¹°°Ç¸í¼¼¼­°¡ °ø°íµÇ¿À´Ï È®ÀÎÇϽñ⠹ٶø´Ï´Ù.

ÀÓÂ÷ÀÎ ¿ëµµ/Á¡À¯ º¸Áõ±Ý/¿ù¼¼ ´ëÇ×·Â
ÀüÀÔÀÏ/È®Á¤ÀÏ ¹è´ç¿ä±¸ ºñ°í
JOOOOOOOO
X
2024.07.15
JOOOOOO
X
2024.08.26
JOOOOOOO
X
2024.07.15
³ëOO ÀüºÎ 160,000,000
O
2021.07.16.
(1)2021.06.28.(2)2021.08.17.
(1)2021.07.16.(2)2021.07.20.
ÁÖOOOOOOOOOOOOOOO ÀüºÎ 160,000,000
O
2021.07.16.
(1)2021.06.28.(2)2021.08.17.
2025.4.16. 2021.07.16.~2023.08.25.
ºñ°í
(¸Å°¢¹°°Ç
¸í¼¼¼­)
³ëÁø¿ì: ÁÖÅÃÀÓÂ÷±Çµî±â±Ç¸®Àڷμ­ ÁÖÅÃÀÓÂ÷±Çµî±âÀÏÀº 2023. 5. 22.ÀÓ ÁÖÅõµ½Ãº¸Áõ°ø»ç(ÀÓÂ÷ÀÎ ³ëÁø¿ì): °æ¸Å½Åûä±ÇÀÚÀ̰í ÀÓÂ÷ÀÎ ³ëÁø¿ìÀÇ ÀÓÂ÷º¸Áõ±Ý¹Ýȯä±Ç ¾ç¼öÀÎÀ¸·Î¼­, º¸Áõ±Ý Àü¾×À» ¹è ´ç¹ÞÁö ¸øÇÏ´õ¶óµµ ÀÜÁ¸ ÀÓÂ÷º¸Áõ±Ý¹Ýȯä±ÇÀ» Æ÷±âÇϰí ÁÖÅÃÀÓÂ÷±Çµî±â ¸»¼Ò¿¡ µ¿ÀÇÇÑ´Ù´Â ÃëÁöÀÇ È®¾à¼­¸¦ Á¦ÃâÇÔ

¿©ÀÇÁÖ°æ¸Å Á¶¾ð ÇÑ ¸¶µð

¼±¼øÀ§ ÀÓÂ÷±Çµî±â°¡ µÇ¾î ÀÖ½À´Ï´Ù
´ëÇ×·ÂÀÌ ÀÖ´Â ¼±¼øÀ§ ÀÓÂ÷±Çµî±â ±Ç¸®ÀÚ°¡ ¹è´çÀ» Àü¾× ¹ÞÁö ¸øÇÒ °æ¿ì ³«ÂûÀÚ°¡ ÀÜ¿© º¸Áõ±ÝÀ» ÀμöÇØ¾ßÇÏ´Â °æ¿ìµµ ÀÖ½À´Ï´Ù.

ÁÖÀÇ»çÇ× (ÃÖ¼±¼øÀ§ ¼³Á¤ÀÏ: 2023.04.14.¾Ð·ù ¼³Á¤)

¸Å°¢À¸·Î ¼Ò¸êµÇÁö ¾Ê´Â µî±âºÎ±Ç¸®: À»±¸ ¼øÀ§ 13¹ø ÁÖÅÃÀÓÂ÷±Çµî±â(´Ù¸¸ ÁÖÅõµ½Ãº¸Áõ°ø»çÀÇ ¸»¼Òµ¿ÀÇ È®¾à¼­°¡ Á¦ÃâµÊ)
¸Å°¢À¸·Î ¼³Á¤µÈ °ÍÀ¸·Î º¸´Â Áö»ó±Ç:
¡Ø¹Ì³³°ü¸®ºñ(°ø¿ë) Àμö¿©ºÎ¸¦ ÀÔÂû Àü¿¡ È®ÀÎÇϽñ⠹ٶø´Ï´Ù

 

Áö¿ªºÐ¼®

ÁöÇÏö¸í Á÷¼±°Å¸®

Çб³¸í ÀüÈ­¹øÈ£ ÁÖ¼Ò Á÷¼±°Å¸®

¹ý¿ø

ÀÎõÁö¹æ¹ý¿ø ºÎõÁö¿ø (146-02)°æ±âµµ ºÎõ½Ã ¿ø¹Ì±¸ »óÀÏ·Î 129(»óµ¿)
´ëÇ¥ : 032)320-1114, ¹Î¿ø : 032)320-1234
°üÇÒÁö¿ª : ºÎõ½Ã, ±èÆ÷½Ã

µî±â¼Ò ÀÎõÁö¹æ¹ý¿ø ºÎõÁö¿ø µî±â°ú (´ëÇ¥:1544-0773, ÆÑ½º:(032)320-1484, 320-1485, °æ±âµµ ºÎõ½Ã »óÀÏ·Î 129 (»óµ¿ 445-1))
¼¼¹«¼­ ¼¼¹«¼­ (´ëÇ¥:, ÆÑ½º:, )

Àαٳ«ÂûÅë°è

±â°£ ¸Å°¢°Ç¼ö Æò±Õ°¨Á¤°¡
Æò±Õ¸Å°¢°¡
¸Å°¢°¡À²
Æò±ÕÀ¯Âû¼ö
3°³¿ù 18°Ç 199,666,667¿ø
134,153,805¿ø
67%
1.7ȸ
6°³¿ù 40°Ç 221,450,000¿ø
152,137,693¿ø
67%
1.7ȸ
12°³¿ù 51°Ç 221,300,000¿ø
158,655,955¿ø
70%
1.5ȸ


º» °æ¸ÅÁ¤º¸´Â ¹ý¿øÀÚ·á¿Í ÀÏÄ¡Çϵµ·Ï ÇÏ¿´À¸³ª ±Ç¸®»çÇ׺¯µ¿, ÀÔ·ÂÂø¿À µîÀÇ ¿øÀÎÀ¸·Î »ç½Ç°ú ´Ù¸¦ ¼ö ÀÖ½À´Ï´Ù. ÀÌ¿ë¾à°ü¿¡ ÀǰЏéÃ¥Á¶°ÇÀ¸·Î Á¦°øµÊÀ» ¾Ë¸®¸ç, °æ¸ÅÀÔÂû½Ã ¹Ýµå½Ã °ü·Ã °øºÎ¸¦ ÀçÈ®ÀÎÇϽñ⠹ٶø´Ï´Ù. º¸´Ù Æí¸®ÇÑ °æ¸ÅÁ¤º¸ Á¦°øÀ» À§ÇØ Áö¼ÓÀûÀ¸·Î °³¼±ÇϰڽÀ´Ï´Ù. ÀÌ¿ëÇØ Áּż­ °¨»çÇÕ´Ï´Ù.