·Î±×ÀÎ
64
¾ÆÆÄÆ®
ÀÇÁ¤ºÎÁö¹æ¹ý¿ø °í¾çÁö¿ø
 °¨Á¤°¡267,000,000 ¿ø
 ÃÖÀú°¡(100%) 267,000,000 ¿ø
 º¸Áõ±Ý(10%) 26,700,000 ¿ø
 Ã»±¸¾×194,761,765 ¿ø
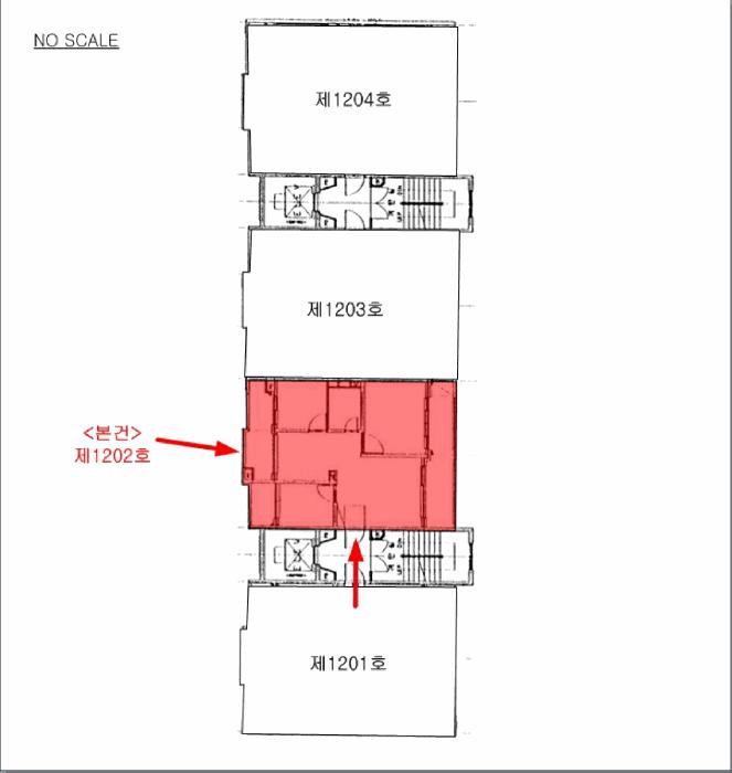
°æ±âµµ °í¾ç½Ã Àϻ꼭±¸ źÇöµ¿ 121 Å«¸¶À»´ë¸²¾ÆÆÄÆ® 126µ¿ 12Ãþ1202È£
»ç°Ç¹øÈ£ 2025Ÿ°æ64487
°æ¸ÅÁ¾·ùºÎµ¿»ê°­Á¦°æ¸Å
¸Å°¢´ë»óÅäÁö ¹× °Ç¹°Àϰý ¸Å°¢
¸Å°¢±âÀÏ    2026.03.18(¼ö) 10:00 ÀÔÂû 10ÀÏÀü    
ÅäÁö¸éÀû28.88§³(8.74 Æò)
°Ç¹°¸éÀû59.82§³(18.10 Æò)
乫/¼ÒÀ¯ÀÚ¹ÚOO / ¹ÚOO
ä±ÇÀÚ±èOO
ÆäÀ̽ººÏ Æ®À§ÅÍ ±¸±Û+
īī¿À½ºÅ丮
īī¿ÀÅå sms¹®ÀÚº¸³»±â
 

±âÀϳ»¿ª

°æ°ú ³¯Â¥ Àú°¨ ÃÖÀú°¡ °á°ú
Á¢¼öÀÏ 2025-10-17 °æ¸ÅÁ¢¼ö
~3ÀÏ 
2025-10-20 °æ¸Å°³½Ã°áÁ¤
~87ÀÏ 
2026-01-12 ¹è´ç¿ä±¸Á¾±âÀÏ
~152ÀÏ 
2026-03-18 100%
267,000,000
ÁøÇà
¹°°Ç¸í¼¼¼­ ÇöȲÁ¶»ç¼­ ¹®°ÇÁ¢¼ö ¼Û´Þ³»¿ª

°¨Á¤Æò°¡ÇöȲ

¸ñ·Ï ÁÖ¼Ò ±¸Á¶/¿ëµµ/´ëÁö±Ç ¸éÀû ºñ°í
´ëÁö±Ç
źÇöµ¿ 121 117795ºÐÀÇ 28.88 28.88 §³
(8.74Æò)
°Ç¹°
źÇöµ¿ 121 126µ¿ 12Ãþ1202È£ ö±ÙÄÜÅ©¸®Æ®Á¶ 59.82 §³
(18.10Æò)
1) À§Ä¡/µµ½ÃÁö¿ª/Á¦3Á¾ÀϹÝÁÖ°ÅÁö¿ª/ÅäÁö°Å·¡°è¾à¿¡°üÇÑÇã°¡±¸¿ª/ÁöÇÏö/³ë¼±¹ö½ºÁ¤·ùÀå/ö±ÙÄÜÅ©¸®Æ®Á¶/°æ»ç½½·¡ºêÁöºØ/°³º°³­¹æ ´õº¸±â
°¨Á¤Æò°¡ ¿äÇ×Ç¥
1)À§Ä¡ ¹× ÁÖÀ§È¯°æ
°æ±âµµ °í¾ç½Ã Àϻ꼭±¸ źÇöµ¿ ¼ÒÀç "È£°îÃʵîÇб³" ¼­Ãø Àαٿ¡ À§Ä¡Çϸç, ÁÖÀ§´Â ´ë´ÜÀ§ ¾ÆÆÄÆ®Áö´ëÀÓ.
2)±³Åë»óȲ
º»°Ç±îÁö Â÷·®ÀÇ ÁøÃâÀÔÀÌ °¡´ÉÇϸç, Àαٿ¡ ³ë¼±¹ö½ºÁ¤·ùÀå ¹× ÁöÇÏö °æÀÇÁß¾Ó¼± "źÇö¿ª"ÀÌ ¼ÒÀçÇÏ´Â µî ´ëÁß±³ÅëÀ̿뿩°ÇÀº º¸ÅëÀÓ.
3)°Ç¹°ÀÇ ±¸Á¶
ö±ÙÄÜÅ©¸®Æ®Á¶ °æ»ç½½·¡ºêÁöºØ 20Ãþ °Ç¹° ³» Á¦12Ãþ Á¦1202È£·Î¼­ (»ç¿ë½ÂÀÎÀÏ : 2001.12.17) ¿Üº® : ¸ôÅ»À§ ÆäÀÎÆÃ ¸¶°¨ µî âȣ : »õ½Ã âȣ µîÀÓ.
4)ÀÌ¿ë»óÅÂ
¾ÆÆÄÆ®·Î ÀÌ¿ëÁßÀÓ(ÈÄ÷ '³»ºÎ±¸Á¶µµ'ÂüÁ¶).
5)¼³ºñ³»¿ª
À§»ý ¹× ±Þ¹è¼ö, °³º°³­¹æ, ½Â°­±â ¼³ºñ µîÀ» °®Ãß¾úÀ½.
6)ÅäÁöÀÇ Çü»ó ¹× ÀÌ¿ë»óÅÂ
ÀÎÁ¢Áö ´ëºñ µî°í ÆòźÇÑ 7ÇÊ ÀÏ´ÜÀÇ ºÎÁ¤Çü ÅäÁö·Î¼­, "¾ÆÆÄÆ® °ÇºÎÁö"·Î ÀÌ¿ëÁßÀÓ.
7)ÀÎÁ¢ µµ·Î»óŵî
´ÜÁö³» µµ·Î¸¦ ÅëÇÏ¿© ¿Ü°û°øµµ¿Í ¿¬°èµÇ¾î ÀÖÀ½.
8)ÅäÁöÀÌ¿ë°èȹ ¹× Á¦ÇÑ»óÅÂ
źÇöµ¿ 121 Á¦3Á¾ÀϹÝÁÖ°ÅÁö¿ª, Áß·Î1·ù(Æø 20m~25m)(2014-03-07)(Á¢ÇÕ), °¡Ãà»çÀ°Á¦Çѱ¸¿ª(2024-11-12)(ÀüºÎÁ¦Çѱ¸¿ª [µµ½ÃÁö¿ª{ÁÖ°Å,»ó¾÷,°ø¾÷,³ìÁö(ÀÚ¿¬Ãë¶ôÁö±¸)}¹×ÁְŹÐÁýÁö¿ª])<°¡ÃàºÐ´¢ÀÇ °ü¸® ¹× À̿뿡 °üÇÑ ¹ý·ü>, »ó´ëº¸È£±¸¿ª(2024-06-11)(µµ´ãÀ¯Ä¡¿ø)<±³À°È¯°æ º¸È£¿¡ °üÇÑ ¹ý·ü>, »ó´ëº¸È£±¸¿ª(2024-06-11)(Àϻ굿°íµîÇб³)<±³À°È¯°æ º¸È£¿¡ °üÇÑ ¹ý·ü>, »ó´ëº¸È£±¸¿ª(2024-06-11)(È£°îÁßÇб³)<±³À°È¯°æ º¸È£¿¡ °üÇÑ ¹ý·ü>, »ó´ëº¸È£±¸¿ª(2024-06-11)(È£°îÃʵîÇб³)<±³À°È¯°æ º¸È£¿¡ °üÇÑ ¹ý·ü>, »ó´ëº¸È£±¸¿ª(2024-06-11)(Ȳ·æÃʵîÇб³)<±³À°È¯°æ º¸È£¿¡ °üÇÑ ¹ý·ü>, Àý´ëº¸È£±¸¿ª(2024-06-11)(µµ´ãÀ¯Ä¡¿ø)<±³À°È¯°æ º¸È£¿¡ °üÇÑ ¹ý·ü>, Àý´ëº¸È£±¸¿ª(2024-06-11)(È£°îÁßÇб³)<±³À°È¯°æ º¸È£¿¡ °üÇÑ ¹ý·ü>, Àý´ëº¸È£±¸¿ª(2024-06-11)(È£°îÃʵîÇб³)<±³À°È¯°æ º¸È£¿¡ °üÇÑ ¹ý·ü>, °ú¹Ð¾ïÁ¦±Ç¿ª<¼öµµ±ÇÁ¤ºñ°èȹ¹ý>, ÅäÁö°Å·¡°è¾à¿¡°üÇÑÇã°¡±¸¿ª(2025-08-26)(¿Ü±¹Àεî´ë»ó,´ë»ó¿ëµµ(´Üµ¶,´Ù°¡±¸,¿¬¸³,´Ù¼¼´ëÁÖÅÃ,¾ÆÆÄÆ®)·Î»ç¿ëµÇ´ÂÅäÁö) źÇöµ¿ 127 Á¦3Á¾ÀϹÝÁÖ°ÅÁö¿ª, ´ë·Î3·ù(Æø 25m~30m)(Á¢ÇÕ), °¡Ãà»çÀ°Á¦Çѱ¸¿ª(2024-11-12)(ÀüºÎÁ¦Çѱ¸¿ª [µµ½ÃÁö¿ª{ÁÖ°Å,»ó¾÷,°ø¾÷,³ìÁö(ÀÚ¿¬Ãë¶ôÁö±¸)}¹×ÁְŹÐÁýÁö¿ª])<°¡ÃàºÐ´¢ÀÇ °ü¸® ¹× À̿뿡 °üÇÑ ¹ý·ü>, »ó´ëº¸È£±¸¿ª(2024-06-11)(µµ´ãÀ¯Ä¡¿ø)<±³À°È¯°æ º¸È£¿¡ °üÇÑ ¹ý·ü>, »ó´ëº¸È£±¸¿ª(2024-06-11)(È£°îÃʵîÇб³)<±³À°È¯°æ º¸È£¿¡ °üÇÑ ¹ý·ü>, »ó´ëº¸È£±¸¿ª(2024-06-11)(Ȳ·æÃʵîÇб³)<±³À°È¯°æ º¸È£¿¡ °üÇÑ ¹ý·ü>, °ú¹Ð¾ïÁ¦±Ç¿ª<¼öµµ±ÇÁ¤ºñ°èȹ¹ý>, ÅäÁö°Å·¡°è¾à¿¡°üÇÑÇã°¡±¸¿ª(2025-08-26)(¿Ü±¹Àεî´ë»ó,´ë»ó¿ëµµ(´Üµ¶,´Ù°¡±¸,¿¬¸³,´Ù¼¼´ëÁÖÅÃ,¾ÆÆÄÆ®)·Î»ç¿ëµÇ´ÂÅäÁö) źÇöµ¿ 131-6 Á¦3Á¾ÀϹÝÁÖ°ÅÁö¿ª, ´ë·Î3·ù(Æø 25m~30m)(Á¢ÇÕ), °¡Ãà»çÀ°Á¦Çѱ¸¿ª(2024-11-12)(ÀüºÎÁ¦Çѱ¸¿ª [µµ½ÃÁö¿ª{ÁÖ°Å,»ó¾÷,°ø¾÷,³ìÁö(ÀÚ¿¬Ãë¶ôÁö±¸)}¹×ÁְŹÐÁýÁö¿ª])<°¡ÃàºÐ´¢ÀÇ °ü¸® ¹× À̿뿡 °üÇÑ ¹ý·ü>, »ó´ëº¸È£±¸¿ª(2024-06-11)(µµ´ãÀ¯Ä¡¿ø)<±³À°È¯°æ º¸È£¿¡ °üÇÑ ¹ý·ü>, »ó´ëº¸È£±¸¿ª(2024-06-11)(È£°îÃʵîÇб³)<±³À°È¯°æ º¸È£¿¡ °üÇÑ ¹ý·ü>, »ó´ëº¸È£±¸¿ª(2024-06-11)(Ȳ·æÃʵîÇб³)<±³À°È¯°æ º¸È£¿¡ °üÇÑ ¹ý·ü>, °ú¹Ð¾ïÁ¦±Ç¿ª<¼öµµ±ÇÁ¤ºñ°èȹ¹ý>, ÅäÁö°Å·¡°è¾à¿¡°üÇÑÇã°¡±¸¿ª(2025-08-26)(¿Ü±¹Àεî´ë»ó,´ë»ó¿ëµµ(´Üµ¶,´Ù°¡±¸,¿¬¸³,´Ù¼¼´ëÁÖÅÃ,¾ÆÆÄÆ®)·Î»ç¿ëµÇ´ÂÅäÁö) źÇöµ¿ 133-4 Á¦3Á¾ÀϹÝÁÖ°ÅÁö¿ª, ´ë·Î3·ù(Æø 25m~30m)(Á¢ÇÕ), °¡Ãà»çÀ°Á¦Çѱ¸¿ª(2024-11-12)(ÀüºÎÁ¦Çѱ¸¿ª [µµ½ÃÁö¿ª{ÁÖ°Å,»ó¾÷,°ø¾÷,³ìÁö(ÀÚ¿¬Ãë¶ôÁö±¸)}¹×ÁְŹÐÁýÁö¿ª])<°¡ÃàºÐ´¢ÀÇ °ü¸® ¹× À̿뿡 °üÇÑ ¹ý·ü>, »ó´ëº¸È£±¸¿ª(2024-06-11)(µµ´ãÀ¯Ä¡¿ø)<±³À°È¯°æ º¸È£¿¡ °üÇÑ ¹ý·ü>, »ó´ëº¸È£±¸¿ª(2024-06-11)(È£°îÃʵîÇб³)<±³À°È¯°æ º¸È£¿¡ °üÇÑ ¹ý·ü>, »ó´ëº¸È£±¸¿ª(2024-06-11)(Ȳ·æÃʵîÇб³)<±³À°È¯°æ º¸È£¿¡ °üÇÑ ¹ý·ü>, °ú¹Ð¾ïÁ¦±Ç¿ª<¼öµµ±ÇÁ¤ºñ°èȹ¹ý>, ÅäÁö°Å·¡°è¾à¿¡°üÇÑÇã°¡±¸¿ª(2025-08-26)(¿Ü±¹Àεî´ë»ó,´ë»ó¿ëµµ(´Üµ¶,´Ù°¡±¸,¿¬¸³,´Ù¼¼´ëÁÖÅÃ,¾ÆÆÄÆ®)·Î»ç¿ëµÇ´ÂÅäÁö) źÇöµ¿ 305-5 Á¦3Á¾ÀϹÝÁÖ°ÅÁö¿ª, °¡Ãà»çÀ°Á¦Çѱ¸¿ª(2024-11-12)(ÀüºÎÁ¦Çѱ¸¿ª [µµ½ÃÁö¿ª{ÁÖ°Å,»ó¾÷,°ø¾÷,³ìÁö(ÀÚ¿¬Ãë¶ôÁö±¸)}¹×ÁְŹÐÁýÁö¿ª])<°¡ÃàºÐ´¢ÀÇ °ü¸® ¹× À̿뿡 °üÇÑ ¹ý·ü>, °ú¹Ð¾ïÁ¦±Ç¿ª<¼öµµ±ÇÁ¤ºñ°èȹ¹ý>, ÅäÁö°Å·¡°è¾à¿¡°üÇÑÇã°¡±¸¿ª(2025-08-26)(¿Ü±¹Àεî´ë»ó,´ë»ó¿ëµµ(´Üµ¶,´Ù°¡±¸,¿¬¸³,´Ù¼¼´ëÁÖÅÃ,¾ÆÆÄÆ®)·Î»ç¿ëµÇ´ÂÅäÁö) źÇöµ¿ 307 Á¦3Á¾ÀϹÝÁÖ°ÅÁö¿ª, °¡Ãà»çÀ°Á¦Çѱ¸¿ª(2024-11-12)(ÀüºÎÁ¦Çѱ¸¿ª [µµ½ÃÁö¿ª{ÁÖ°Å,»ó¾÷,°ø¾÷,³ìÁö(ÀÚ¿¬Ãë¶ôÁö±¸)}¹×ÁְŹÐÁýÁö¿ª])<°¡ÃàºÐ´¢ÀÇ °ü¸® ¹× À̿뿡 °üÇÑ ¹ý·ü>, °ú¹Ð¾ïÁ¦±Ç¿ª<¼öµµ±ÇÁ¤ºñ°èȹ¹ý>, ÅäÁö°Å·¡°è¾à¿¡°üÇÑÇã°¡±¸¿ª(2025-08-26)(¿Ü±¹Àεî´ë»ó,´ë»ó¿ëµµ(´Üµ¶,´Ù°¡±¸,¿¬¸³,´Ù¼¼´ëÁÖÅÃ,¾ÆÆÄÆ®)·Î»ç¿ëµÇ´ÂÅäÁö) źÇöµ¿ 1447 Á¦3Á¾ÀϹÝÁÖ°ÅÁö¿ª, °¡Ãà»çÀ°Á¦Çѱ¸¿ª(2024-11-12)(ÀüºÎÁ¦Çѱ¸¿ª [µµ½ÃÁö¿ª{ÁÖ°Å,»ó¾÷,°ø¾÷,³ìÁö(ÀÚ¿¬Ãë¶ôÁö±¸)}¹×ÁְŹÐÁýÁö¿ª])<°¡ÃàºÐ´¢ÀÇ °ü¸® ¹× À̿뿡 °üÇÑ ¹ý·ü>, »ó´ëº¸È£±¸¿ª(2024-06-11)(µµ´ãÀ¯Ä¡¿ø)<±³À°È¯°æ º¸È£¿¡ °üÇÑ ¹ý·ü>, »ó´ëº¸È£±¸¿ª(2024-06-11)(È£°îÃʵîÇб³)<±³À°È¯°æ º¸È£¿¡ °üÇÑ ¹ý·ü>, »ó´ëº¸È£±¸¿ª(2024-06-11)(Ȳ·æÃʵîÇб³)<±³À°È¯°æ º¸È£¿¡ °üÇÑ ¹ý·ü>, °ú¹Ð¾ïÁ¦±Ç¿ª<¼öµµ±ÇÁ¤ºñ°èȹ¹ý>, ÅäÁö°Å·¡°è¾à¿¡°üÇÑÇã°¡±¸¿ª(2025-08-26)(¿Ü±¹Àεî´ë»ó,´ë»ó¿ëµµ(´Üµ¶,´Ù°¡±¸,¿¬¸³,´Ù¼¼´ëÁÖÅÃ,¾ÆÆÄÆ®)·Î»ç¿ëµÇ´ÂÅäÁö)
9)°øºÎ¿ÍÀÇ Â÷ÀÌ
ÁýÇÕ°ÇÃ๰´ëÀå(Ç¥Á¦ºÎ)»ó &quot;źÇöµ¿ 121&quot;·Î Ç¥±âµÇ¾î ÀÖÀ¸³ª, µî±â»çÇ×ÀüºÎÁõ¸í¼­»ó &quot;źÇöµ¿ 121¿Ü 6ÇÊÁö&quot;·Î Ç¥±âµÇ¾î ÀÖÀ½.
10)±âŸÂü°í»çÇ×(ÀÓ´ë°ü·Ê ¹× ±âŸ)
ÀÓ´ë°ü°è´Â ¹Ì»óÀÓ.
Âü°í
»çÇ×
¸Å¼öÀο¡°Ô ´ëÇ×ÇÒ ¼ö ÀÖ´Â À»±¸ 14¹ø ÀÓÂ÷±Çµî±â(ÀÓ´ëÂ÷º¸Áõ±Ý 190,000,000¿ø, ÀüÀÔÀÏÀÚ 2017.2.16. È®Á¤ÀÏÀÚ 2016.11.15.)°¡ ÀÖÀ¸¹Ç·Î ¹è´ç¿¡¼­ Àü¾× º¯Á¦µÇÁö ¾Æ´ÏÇϸé Àܾ×Àº ¸Å¼öÀο¡°Ô ÀμöµÉ ¼ö ÀÖÀ½
1. º»°Ç °Ç¹°Àº ö±ÙÄÜÅ©¸®Æ®Á¶ °æ»ç½½·¡ºêÁöºØ 20Ãþ ¾ÆÆÄÆ®ÀÓ. 2. °Ç¹°¿Üº®°ú °øµ¿Çö°üÃâÀÔ±¸¿¡ `126`µ¿ Ç¥½Ã ÀÖÀ½.

°ÇÃ๰ÇöȲ

¼ÒÀçÁö °æ±âµµ °í¾ç½Ã Àϻ꼭±¸ źÇöµ¿ 121¹øÁö
´ëÁö¸éÀû   ¿¬¸éÀû 12844.08§³
(3892.15Æò)
°ÇÃà¸éÀû 798.12§³
(241.85Æò)
¿ëÀû·ü»êÁ¤
¿¬¸éÀû
12232.32§³
(3706.76Æò)
°ÇÆóÀ²   ¿ëÀû·ü  
Áö»óÃþ¼ö 20Ãþ ÁöÇÏÃþ¼ö 1Ãþ
ÁÖ¿ëµµ °øµ¿ÁÖÅà ±¸Á¶ ö±ÙÄÜÅ©¸®Æ®±¸Á¶
Âø°øÀÏÀÚ 1996.03.15 »ç¿ë½ÂÀÎÀÏÀÚ 2001.12.17
°ÇÃ๰Ãþº°ÇöȲ [º¸±â]


µî±âºÎµîº» ¿ä¾à(°Ç¹°)

  Á¢¼öÀÏÀÚ µî±â¸ñÀû/±Ç¸®ÀÚ ±Ç¸®±Ý¾× ±âÁØ
1 2014³â2¿ù21ÀÏ
¼ÒÀ¯±Ç
¹ÚOO
¼Ò¸ê
2 2024³â10¿ù7ÀÏ
°¡¾Ð·ù
(OOOO
93,722,507 ¼Ò¸ê±âÁØ
3 2024³â10¿ù18ÀÏ
°¡¾Ð·ù
ÇÏOOOO
8,964,925 ¼Ò¸ê
4 2025³â7¿ù7ÀÏ
ÀÓÂ÷±Ç¼³Á¤
±èOO
208,000,000 ¼Ò¸ê
5 2025³â10¿ù21ÀÏ
°­Á¦°æ¸Å
±èOO
¼Ò¸ê

ÀÓÂ÷ÀÎÇöȲ (¹è´ç¿ä±¸Á¾±âÀÏ: 2026-01-12)



¸Å°¢±âÀÏ 7ÀÏÀü¿¡ ¸Å°¢¹°°Ç¸í¼¼¼­°¡ °ø°íµÇ¿À´Ï È®ÀÎÇϽñ⠹ٶø´Ï´Ù.

ÀÓÂ÷ÀÎ ¿ëµµ/Á¡À¯ º¸Áõ±Ý/¿ù¼¼ ´ëÇ×·Â
ÀüÀÔÀÏ/È®Á¤ÀÏ ¹è´ç¿ä±¸ ºñ°í
±èOO 1202È£ 190,000,000
O
2017.2.16.
2016.11.15.
2017.2.14.~
ºñ°í
(¸Å°¢¹°°Ç
¸í¼¼¼­)
±è¼®Çö : 1. ½Åûä±ÇÀÚ¿Í µ¿ÀÏ : ¹è´ç¿ä±¸¸¦ ÇÏÁö ¾Ê¾ÒÀ¸³ª ÀÌ°Ç °æ¸Å½ÅûÀ» ÇÏ¿´À¸¹Ç·Î, ¹è´ç¿ä±¸¾øÀ̵µ ÈļøÀ§±Ç¸®ÀÚº¸´Ù ¿ì¼±¹è´çÀ» ¹ÞÀ½ 2. 1Â÷ º¸Áõ±Ý 208,000,000, È®Á¤ÀÏÀÚ 2016.11.15. ÀüÀÔÀÏÀÚ 2017.2.16 2Â÷ º¸Áõ±Ý 188,000,000¿ø, È®Á¤ÀÏÀÚ 2019.1.22. 3Â÷ º¸Áõ±Ý 197,400,000¿ø, È®Á¤ÀÏÀÚ ¾øÀ½ 4Â÷ º¸Áõ±Ý 190,000,000¿ø(±Ý 200,000,000¿ø Áß ¹Ì¹Ýȯº¸Áõ±Ý¾×), È®Á¤ÀÏÀÚ 2023.1.30.

¾ÆÆÄÆ® Á¤º¸

ÁÖ¼Ò
½Ã°ø»ç ´ÜÁö±Ô¸ð 6°³µ¿ ¼¼´ë
³­¹æ »ç¿ë½ÂÀÎ
°ü¸®¼Ò
Àü¿ë¸éÀû ¼¼´ë¼ö
´ëÁö±Ç
Çö°ü/±¸Á¶ ½Ä / ¹æ, ¿å½Ç
  • Çб³
  • ÁÖº¯½Ã¼³
  • ´ëÁß±³Åë

¿©ÀÇÁÖ°æ¸Å Á¶¾ð ÇÑ ¸¶µð

¼±¼øÀ§ ÀÓÂ÷±Çµî±â°¡ µÇ¾î ÀÖ½À´Ï´Ù
´ëÇ×·ÂÀÌ ÀÖ´Â ¼±¼øÀ§ ÀÓÂ÷±Çµî±â ±Ç¸®ÀÚ°¡ ¹è´çÀ» Àü¾× ¹ÞÁö ¸øÇÒ °æ¿ì ³«ÂûÀÚ°¡ ÀÜ¿© º¸Áõ±ÝÀ» ÀμöÇØ¾ßÇÏ´Â °æ¿ìµµ ÀÖ½À´Ï´Ù.

ÁÖÀÇ»çÇ× (ÃÖ¼±¼øÀ§ ¼³Á¤ÀÏ: 2024.10.7. °¡¾Ð·ù ¼³Á¤)

¸Å°¢À¸·Î ¼Ò¸êµÇÁö ¾Ê´Â µî±âºÎ±Ç¸®: ¸Å¼öÀο¡°Ô ´ëÇ×ÇÒ ¼ö ÀÖ´Â À»±¸ 14¹ø ÀÓÂ÷±Çµî±â(ÀÓ´ëÂ÷º¸Áõ±Ý 190,000,000¿ø, ÀüÀÔÀÏÀÚ 2017.2.16. È®Á¤ÀÏÀÚ 2016.11.15.)°¡ ÀÖÀ¸¹Ç·Î ¹è´ç¿¡¼­ Àü¾× º¯Á¦µÇÁö ¾Æ´ÏÇϸé Àܾ×Àº ¸Å¼öÀο¡°Ô ÀμöµÉ ¼ö ÀÖÀ½
¸Å°¢À¸·Î ¼³Á¤µÈ °ÍÀ¸·Î º¸´Â Áö»ó±Ç: ÇØ´ç»çÇ×¾øÀ½
1. °Ç¹°¿Üº®°ú °øµ¿Çö°üÃâÀÔ±¸¿¡ ¡®126¡¯µ¿ Ç¥½Ã ÀÖÀ½
¡Ø¹Ì³³°ü¸®ºñ(°ø¿ë) Àμö¿©ºÎ¸¦ ÀÔÂû Àü¿¡ È®ÀÎÇϽñ⠹ٶø´Ï´Ù

 

Áö¿ªºÐ¼®

ÁöÇÏö¸í Á÷¼±°Å¸®

Çб³¸í ÀüÈ­¹øÈ£ ÁÖ¼Ò Á÷¼±°Å¸®

¹ý¿ø

ÀÇÁ¤ºÎÁö¹æ¹ý¿ø °í¾çÁö¿ø (104-13)°æ±âµµ °í¾ç½Ã Àϻ굿±¸ Àå¹é·Î 209
´ëÇ¥ : 031)920-6114, ¾ß°£ : 031)920-6550, ÆÑ½º : 031)920-6119
°üÇÒÁö¿ª : °í¾ç½Ã, ÆÄÁÖ½Ã

µî±â¼Ò ÀÇÁ¤ºÎÁö¹æ¹ý¿ø °í¾çÁö¿ø °í¾çµî±â¼Ò (´ëÇ¥:1544-0773, ÆÑ½º:(031)920-5959, °æ±âµµ °í¾ç½Ã Àϻ굿±¸ Áß¾Ó·Î1275¹ø±æ 38-30 (ÀåÇ×µ¿ 773))
¼¼¹«¼­ °í¾ç¼¼¹«¼­ (´ëÇ¥:031-900-92, ÆÑ½º:031-907-9177, °æ±âµµ °í¾ç½Ã Àϻ굿±¸ Áß¾Ó·Î1275¹ø±æ 14-43 (ÀåÇ×µ¿) )

Àαٳ«ÂûÅë°è

±â°£ ¸Å°¢°Ç¼ö Æò±Õ°¨Á¤°¡
Æò±Õ¸Å°¢°¡
¸Å°¢°¡À²
Æò±ÕÀ¯Âû¼ö


º» °æ¸ÅÁ¤º¸´Â ¹ý¿øÀÚ·á¿Í ÀÏÄ¡Çϵµ·Ï ÇÏ¿´À¸³ª ±Ç¸®»çÇ׺¯µ¿, ÀÔ·ÂÂø¿À µîÀÇ ¿øÀÎÀ¸·Î »ç½Ç°ú ´Ù¸¦ ¼ö ÀÖ½À´Ï´Ù. ÀÌ¿ë¾à°ü¿¡ ÀǰЏéÃ¥Á¶°ÇÀ¸·Î Á¦°øµÊÀ» ¾Ë¸®¸ç, °æ¸ÅÀÔÂû½Ã ¹Ýµå½Ã °ü·Ã °øºÎ¸¦ ÀçÈ®ÀÎÇϽñ⠹ٶø´Ï´Ù. º¸´Ù Æí¸®ÇÑ °æ¸ÅÁ¤º¸ Á¦°øÀ» À§ÇØ Áö¼ÓÀûÀ¸·Î °³¼±ÇϰڽÀ´Ï´Ù. ÀÌ¿ëÇØ Áּż­ °¨»çÇÕ´Ï´Ù.