·Î±×ÀÎ
27
´Ù¼¼´ë(ºô¶ó)
ÀÇÁ¤ºÎÁö¹æ¹ý¿ø °í¾çÁö¿ø
 °¨Á¤°¡335,000,000 ¿ø
 ÃÖÀú°¡(100%) 335,000,000 ¿ø
 º¸Áõ±Ý(10%) 33,500,000 ¿ø
 Ã»±¸¾×249,000,000 ¿ø
°æ±âµµ ÆÄÁֽà ¾Æµ¿µ¿ 296-2 ¾Æ´ÀÄ­ºô 201µ¿ 4Ãþ401È£
»ç°Ç¹øÈ£ 2025Ÿ°æ63299
°æ¸ÅÁ¾·ùºÎµ¿»ê°­Á¦°æ¸Å
¸Å°¢´ë»óÅäÁö ¹× °Ç¹°Àϰý ¸Å°¢
¸Å°¢±âÀÏ    2026.03.11(¼ö) 10:00 ÀÔÂû 13ÀÏÀü    
ÅäÁö¸éÀû66.14§³(20.01 Æò)
°Ç¹°¸éÀû70.59§³(21.35 Æò)
乫/¼ÒÀ¯ÀÚ¾ÈOO¿Ü 1¸í / ¾ÈOO¿Ü 1¸í
ä±ÇÀÚÁ¶OO
ÆäÀ̽ººÏ Æ®À§ÅÍ ±¸±Û+
īī¿À½ºÅ丮
īī¿ÀÅå sms¹®ÀÚº¸³»±â
 

±âÀϳ»¿ª

°æ°ú ³¯Â¥ Àú°¨ ÃÖÀú°¡ °á°ú
Á¢¼öÀÏ 2025-05-28 °æ¸ÅÁ¢¼ö
~7ÀÏ 
2025-06-04 °æ¸Å°³½Ã°áÁ¤
~96ÀÏ 
2025-09-01 ¹è´ç¿ä±¸Á¾±âÀÏ
~287ÀÏ 
2026-03-11 100%
335,000,000
ÁøÇà
¹°°Ç¸í¼¼¼­ ÇöȲÁ¶»ç¼­ ¹®°ÇÁ¢¼ö ¼Û´Þ³»¿ª

°¨Á¤Æò°¡ÇöȲ

¸ñ·Ï ÁÖ¼Ò ±¸Á¶/¿ëµµ/´ëÁö±Ç ¸éÀû ºñ°í
´ëÁö±Ç
¾Æµ¿µ¿ 296-2 1050ºÐÀÇ 66.14 66.14 §³
(20.01Æò)
°Ç¹°
¾Æµ¿µ¿ 296-2 201µ¿ 4Ãþ401È£ ö±ÙÄÜÅ©¸®Æ®±¸Á¶ 70.59 §³
(21.35Æò)
1) À§Ä¡/µµ½ÃÁö¿ª/Á¦1Á¾ÀϹÝÁÖ°ÅÁö¿ª/³ë¼±¹ö½º Á¤·ùÀå/ö±ÙÄÜÅ©¸®Æ®±¸Á¶ ´õº¸±â
°¨Á¤Æò°¡ ¿äÇ×Ç¥
1)À§Ä¡ ¹× ÁÖÀ§È¯°æ
°æ±âµµ ÆÄÁֽà ±ÝÃ̵¿ ¼ÒÀç ""±Ý½ÅÃʵîÇб³"" ºÏµ¿Ãø Àαٿ¡ À§Ä¡Çϸç, ÁÖÀ§´Â °øµ¿ÁÖÅÃ, ±Ù¸°»ýȰ½Ã¼³, ¾ÆÆÄÆ® µîÀÌ ¼ÒÀçÇϰí ÀÖÀ½.
2)±³Åë»óȲ
º»°Ç±îÁö Â÷·® ÁøÃâÀÔÀÌ °¡´ÉÇϸç, Àαٿ¡ ³ë¼±¹ö½º Á¤·ùÀå ¹× ±ÝÃÌ¿ª(°æÀÇÁß¾Ó¼±)ÀÌ ¼ÒÀçÇÏ´Â µî Á¦¹Ý ±³Åë»óȲÀº º¸ÅëÀÎ ÆíÀÓ.
3)°Ç¹°ÀÇ ±¸Á¶
ö±ÙÄÜÅ©¸®Æ®±¸Á¶ (ö±Ù)ÄÜÅ©¸®Æ®ÁöºØ Áö»ó 5Ãþ °Ç¹°³» Á¦4Ãþ Á¦401È£·Î¼­,
¿Üº®: µå¶óÀ̺ñÆ® ¹× º®µ¹ºÙÀÓ ¸¶°¨ µî,
âȣ: ÇÏÀÌ»õ½Ã µîÀÓ.
4)ÀÌ¿ë»óÅÂ
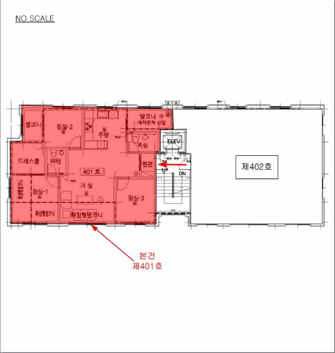
´Ù¼¼´ëÁÖÅÃ(ÈÄ÷ ""³»ºÎ±¸Á¶µµ"" ÂüÁ¶)À¸·Î ÀÌ¿ë ÁßÀÓ.
5)¼³ºñ³»¿ª
À§»ý ¹× ±Þ¹è¼ö¼³ºñ, Àü±â¼³ºñ, ³­¹æ¼³ºñ, ½Â°­±â¼³ºñ µîÀ» °®Ãß°í ÀÖÀ½.
6)ÅäÁöÀÇ Çü»ó ¹× ÀÌ¿ë»óÅÂ
ÀÎÁ¢Áö´ëºñ µî°íÆòźÇÑ »ç´Ù¸®ÇüÀÇ ÅäÁö·Î¼­, ´Ù¼¼´ëÁÖÅà °ÇºÎÁö·Î ÀÌ¿ëÁßÀÓ.
7)ÀÎÁ¢ µµ·Î»óŵî
´ÜÁö³» µµ·Î¸¦ ÅëÇÏ¿© ¿Ü°û µµ·Î¿Í ¿¬°èµÇ¾î ÀÖÀ½.
8)ÅäÁöÀÌ¿ë°èȹ ¹× Á¦ÇÑ»óÅÂ
µµ½ÃÁö¿ª, Á¦1Á¾ÀϹÝÁÖ°ÅÁö¿ª, °¡Ãà»çÀ°Á¦Çѱ¸¿ª(ÀüºÎÁ¦ÇÑ)<°¡ÃàºÐ´¢ÀÇ °ü¸® ¹× À̿뿡 °üÇÑ ¹ý·ü>
9)°øºÎ¿ÍÀÇ Â÷ÀÌ
¾ø À½.
10)±âŸÂü°í»çÇ×(ÀÓ´ë°ü·Ê ¹× ±âŸ)
ÀÓ´ë°ü°è´Â ¹Ì»óÀÓ.
Âü°í
»çÇ×

-ö±ÙÄÜÅ©¸®Æ®±¸Á¶

°ÇÃ๰ÇöȲ

¼ÒÀçÁö °æ±âµµ ÆÄÁֽà ¾Æµ¿µ¿ 296-2¹øÁö
´ëÁö¸éÀû   ¿¬¸éÀû 659.73§³
(199.92Æò)
°ÇÃà¸éÀû 250.79§³
(76Æò)
¿ëÀû·ü»êÁ¤
¿¬¸éÀû
659.73§³
(199.92Æò)
°ÇÆóÀ²   ¿ëÀû·ü  
Áö»óÃþ¼ö 5Ãþ ÁöÇÏÃþ¼ö  
ÁÖ¿ëµµ °øµ¿ÁÖÅà ±¸Á¶ ö±ÙÄÜÅ©¸®Æ®±¸Á¶
Âø°øÀÏÀÚ 2016.10.28 »ç¿ë½ÂÀÎÀÏÀÚ 2017.06.13
°ÇÃ๰Ãþº°ÇöȲ [º¸±â]


±¹ÅäºÎ½Ç°Å·¡°¡ °æ±âµµ ÆÄÁֽà ¾Æµ¿µ¿

¡Ü ¸Å¸Å

¸éÀû(§³), ±Ý¾×(¸¸¿ø)

¡Ü Àü¼¼

¸éÀû(§³), ±Ý¾×(¸¸¿ø)

°è¾àÀϰǹ°¸íĪÃþ¿¬¸éÀûº¸Áõ±Ý¿ù¼¼°ÇÃà
26.02.06¼Ò¸£ºôEµ¿542.14212,3002015
26.01.30½á´Ïºô¸®Áö464.1500602016
26.01.17Àå¾È3Â÷ÁÖÅÃ(321-0)241.228,00001987
25.12.20žçºô¶ó(356-17)³ªµ¿243.811,000451988
25.12.18¼Ò¸£ºôBµ¿547.75615,0002016
¢Ñ ´õº¸±â

µî±âºÎµîº» ¿ä¾à(°Ç¹°)

  Á¢¼öÀÏÀÚ µî±â¸ñÀû/±Ç¸®ÀÚ ±Ç¸®±Ý¾× ±âÁØ
1 2023³â2¿ù3ÀÏ
¼ÒÀ¯±Ç
¾ÈOO
¼Ò¸ê
2 2025³â4¿ù8ÀÏ
¾Ð·ù
ÆÄOO
¼Ò¸ê±âÁØ
3 2025³â6¿ù4ÀÏ
°­Á¦°æ¸Å
Á¶OO
¼Ò¸ê

ÀÓÂ÷ÀÎÇöȲ (¹è´ç¿ä±¸Á¾±âÀÏ: 2025-09-01)



¸Å°¢±âÀÏ 7ÀÏÀü¿¡ ¸Å°¢¹°°Ç¸í¼¼¼­°¡ °ø°íµÇ¿À´Ï È®ÀÎÇϽñ⠹ٶø´Ï´Ù.

ÀÓÂ÷ÀÎ ¿ëµµ/Á¡À¯ º¸Áõ±Ý/¿ù¼¼ ´ëÇ×·Â
ÀüÀÔÀÏ/È®Á¤ÀÏ ¹è´ç¿ä±¸ ºñ°í
Á¶OO 401È£ÀüºÎ 249,000,000
O
2023.01.13.
2022.12.19.
2025.5.28. 2023.01.13.~
ºñ°í
(¸Å°¢¹°°Ç
¸í¼¼¼­)
Á¶¿ëÁÖ:¹è´ç¿ä±¸ÀÏÀÚ´Â °æ¸Å½ÅûÀÏÀÓ.

¿©ÀÇÁÖ°æ¸Å Á¶¾ð ÇÑ ¸¶µð


ÁÖÀÇ»çÇ× (ÃÖ¼±¼øÀ§ ¼³Á¤ÀÏ: 2025. 04. 08. ¾Ð·ù ¼³Á¤)

¸Å°¢À¸·Î ¼Ò¸êµÇÁö ¾Ê´Â µî±âºÎ±Ç¸®:
¸Å°¢À¸·Î ¼³Á¤µÈ °ÍÀ¸·Î º¸´Â Áö»ó±Ç:
¡Ø¹Ì³³°ü¸®ºñ(°ø¿ë) Àμö¿©ºÎ¸¦ ÀÔÂû Àü¿¡ È®ÀÎÇϽñ⠹ٶø´Ï´Ù

 

Áö¿ªºÐ¼®

ÁöÇÏö¸í Á÷¼±°Å¸®

Çб³¸í ÀüÈ­¹øÈ£ ÁÖ¼Ò Á÷¼±°Å¸®

¹ý¿ø

ÀÇÁ¤ºÎÁö¹æ¹ý¿ø °í¾çÁö¿ø (104-13)°æ±âµµ °í¾ç½Ã Àϻ굿±¸ Àå¹é·Î 209
´ëÇ¥ : 031)920-6114, ¾ß°£ : 031)920-6550, ÆÑ½º : 031)920-6119
°üÇÒÁö¿ª : °í¾ç½Ã, ÆÄÁÖ½Ã

µî±â¼Ò ÀÇÁ¤ºÎÁö¹æ¹ý¿ø °í¾çÁö¿ø ÆÄÁÖµî±â¼Ò (´ëÇ¥:1544-0773, ÆÑ½º:(031)945-4764, 3628, °æ±âµµ ÆÄÁֽà ±ÝÁ¤·Î 45 (±ÝÃ̵¿ 947-28))
¼¼¹«¼­ ÆÄÁÖ¼¼¹«¼­ (´ëÇ¥:031-956-02, ÆÑ½º:031-957-0315, °æ±âµµ ÆÄÁֽà ±Ý¸ª¿ª·Î 62 (±ÝÃ̵¿))

Àαٳ«ÂûÅë°è

±â°£ ¸Å°¢°Ç¼ö Æò±Õ°¨Á¤°¡
Æò±Õ¸Å°¢°¡
¸Å°¢°¡À²
Æò±ÕÀ¯Âû¼ö


º» °æ¸ÅÁ¤º¸´Â ¹ý¿øÀÚ·á¿Í ÀÏÄ¡Çϵµ·Ï ÇÏ¿´À¸³ª ±Ç¸®»çÇ׺¯µ¿, ÀÔ·ÂÂø¿À µîÀÇ ¿øÀÎÀ¸·Î »ç½Ç°ú ´Ù¸¦ ¼ö ÀÖ½À´Ï´Ù. ÀÌ¿ë¾à°ü¿¡ ÀǰЏéÃ¥Á¶°ÇÀ¸·Î Á¦°øµÊÀ» ¾Ë¸®¸ç, °æ¸ÅÀÔÂû½Ã ¹Ýµå½Ã °ü·Ã °øºÎ¸¦ ÀçÈ®ÀÎÇϽñ⠹ٶø´Ï´Ù. º¸´Ù Æí¸®ÇÑ °æ¸ÅÁ¤º¸ Á¦°øÀ» À§ÇØ Áö¼ÓÀûÀ¸·Î °³¼±ÇϰڽÀ´Ï´Ù. ÀÌ¿ëÇØ Áּż­ °¨»çÇÕ´Ï´Ù.