·Î±×ÀÎ
54
¾ÆÆÄÆ®
ÀÇÁ¤ºÎÁö¹æ¹ý¿ø °í¾çÁö¿ø
 °¨Á¤°¡1,100,000,000 ¿ø
 ÃÖÀú°¡(100%) 1,100,000,000 ¿ø
 º¸Áõ±Ý(10%) 110,000,000 ¿ø
 Ã»±¸¾×707,301,839 ¿ø
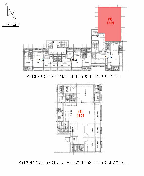
°æ±âµµ °í¾ç½Ã ´ö¾ç±¸ ´öÀºµ¿ 679 µð¿¥¾¾ÇѰ­ÀÚÀÌ´õÇ츮ƼÁö 101µ¿ 13Ãþ1301È£
»ç°Ç¹øÈ£ 2025Ÿ°æ4745
°æ¸ÅÁ¾·ùºÎµ¿»êÀÓÀǰæ¸Å
¸Å°¢´ë»óÅäÁö ¹× °Ç¹°Àϰý ¸Å°¢
¸Å°¢±âÀÏ    2026.01.20(È­) 10:00 ÀÔÂû 8ÀÏÀü    
ÅäÁö¸éÀû54.79§³(16.57 Æò)
°Ç¹°¸éÀû84.95§³(25.70 Æò)
乫/¼ÒÀ¯ÀÚ±èOO / ÀÌOO¿Ü 1¸í
ä±ÇÀÚ¿¡OOOOOOOOOOOOOOOO(OO OOOO OOOO)
ÆäÀ̽ººÏ Æ®À§ÅÍ ±¸±Û+
īī¿À½ºÅ丮
īī¿ÀÅå sms¹®ÀÚº¸³»±â
 

±âÀϳ»¿ª

°æ°ú ³¯Â¥ Àú°¨ ÃÖÀú°¡ °á°ú
Á¢¼öÀÏ 2025-08-20 °æ¸ÅÁ¢¼ö
~1ÀÏ 
2025-08-21 °æ¸Å°³½Ã°áÁ¤
~96ÀÏ 
2025-11-24 ¹è´ç¿ä±¸Á¾±âÀÏ
~153ÀÏ 
2026-01-20 100%
1,100,000,000
ÁøÇà
¹°°Ç¸í¼¼¼­ ÇöȲÁ¶»ç¼­ ¹®°ÇÁ¢¼ö ¼Û´Þ³»¿ª

°¨Á¤Æò°¡ÇöȲ

¸ñ·Ï ÁÖ¼Ò ±¸Á¶/¿ëµµ/´ëÁö±Ç ¸éÀû ºñ°í
´ëÁö±Ç
´öÀºµ¿ 679 35214.4ºÐÀÇ 54.7868 54.7868 §³
(16.57Æò)
°Ç¹°
´öÀºµ¿ 679 101µ¿ 13Ãþ1301È£ ö±ÙÄÜÅ©¸®Æ®±¸Á¶ 84.9481 §³
(25.70Æò)
1) À§Ä¡/µµ½ÃÁö¿ª/Á¦2Á¾ÀϹÝÁÖ°ÅÁö¿ª/ÀÚ¿¬³ìÁöÁö¿ª/Áö±¸´ÜÀ§°èȹ±¸¿ª/ÅäÁö°Å·¡°è¾à¿¡°üÇÑÇã°¡±¸¿ª/¹ö½ºÁ¤·ùÀå/ö±ÙÄÜÅ©¸®Æ®±¸Á¶/Áö¿ª³­¹æ/¿­º´ÇÕ ´õº¸±â
°¨Á¤Æò°¡ ¿äÇ×Ç¥
1)À§Ä¡ ¹× ÁÖÀ§È¯°æ
º»°ÇÀº °æ±âµµ °í¾ç½Ã ´ö¾ç±¸ ´öÀºµ¿ ¼ÒÀç '´öÀºÇѰ­ÃʵîÇб³' ³²¼­Ãø Àαٿ¡ À§Ä¡Çϸç
ÁÖÀ§´Â ´ë±Ô¸ð ¾ÆÆÄÆ®´ÜÁö, Áö½Ä»ê¾÷¼¾ÅÍ µîÀÌ ¼ÒÀçÇÏ´Â Áö¿ªÀÓ.
2)±³Åë»óȲ
º»°Ç±îÁö Â÷·®ÃâÀÔÀÌ °¡´ÉÇϰí Àαٿ¡ ¹ö½ºÁ¤·ùÀåÀÌ ¼ÒÀçÇϴµî Àü¹ÝÀûÀÎ ±³Åë»çÁ¤Àº
º¸Åë½Ã µÊ.
3)°Ç¹°ÀÇ ±¸Á¶
ö±ÙÄÜÅ©¸®Æ®±¸Á¶ (ö±Ù)ÄÜÅ©¸®Æ®ÁöºØ 24Ãþ °øµ¿ÁÖÅÃ(¾ÆÆÄÆ®)³» 13Ãþ 1301·Î¼­
¿Üº®: ¸ôÅ»À§ ÆäÀÎÆÃ¸¶°¨µî.
³»º®: -.
âȣ: ¼¦½Ãâȣ µî.
4)ÀÌ¿ë»óÅÂ
¾ÆÆÄÆ®·Î ÀÌ¿ëÁßÀÓ.
5)¼³ºñ³»¿ª
À§»ý¼³ºñ, ¼ÒÈ­Àü¼³ºñ, ¿­º´ÇÕ¹ßÀü¿¡ ÀÇÇÑ Áö¿ª³­¹æ, ½Â°­±â¼³ºñ µîÀÌ µÇ¾îÀÖÀ½.




6)ÅäÁöÀÇ Çü»ó ¹× ÀÌ¿ë»óÅÂ
ÀÎÁ¢ÅäÁö¿Í ´ëü·Î µî°í ÆòźÇÑ ºÎÁ¤ÇüÀÇ ÅäÁö·Î ¾ÆÆÄÆ® °ÇºÎÁö·Î ÀÌ¿ëÁßÀÓ.
7)ÀÎÁ¢ µµ·Î»óŵî
º»°Ç ºÏ¼­ÃøÀ¸·Î ³ëÆø ¾à 15m³»¿Ü Æ÷Àåµµ·Î¿Í Á¢ÇÔ.
8)ÅäÁöÀÌ¿ë°èȹ ¹× Á¦ÇÑ»óÅÂ
ÀÚ¿¬³ìÁöÁö¿ª, Á¦2Á¾ÀϹÝÁÖ°ÅÁö¿ª, Áö±¸´ÜÀ§°èȹ±¸¿ª(°í¾ç´öÀºµµ½Ã°³¹ß), Áß·Î2·ù(Æø 15m~20m)(Á¢ÇÕ), °¡Ãà»çÀ°Á¦Çѱ¸¿ª(2024-11-12)(ÀϺÎÁ¦Çѱ¸¿ª [ÀüºÎÁ¦Çѱ¸¿ªÀ¸·ÎºÎÅÍ Á¦ÇѰŸ® 500m (¼Ò,Á¥¼Ò,¸» Á¦ÇÑ)])<°¡ÃàºÐ´¢ÀÇ °ü¸® ¹× À̿뿡 °üÇÑ ¹ý·ü>, °¡Ãà»çÀ°Á¦Çѱ¸¿ª(2024-11-12)(ÀüºÎÁ¦Çѱ¸¿ª [µµ½ÃÁö¿ª{ÁÖ°Å,»ó¾÷,°ø¾÷,³ìÁö(ÀÚ¿¬Ãë¶ôÁö±¸)}¹×ÁְŹÐÁýÁö¿ª])<°¡ÃàºÐ´¢ÀÇ °ü¸® ¹× À̿뿡 °üÇÑ ¹ý·ü>, »ó´ëº¸È£±¸¿ª(2022-11-01)(´öÀº³ëÀ»À¯Ä¡¿ø)<±³À°È¯°æ º¸È£¿¡ °üÇÑ ¹ý·ü>, »ó´ëº¸È£±¸¿ª(2022-11-01)(´öÀºÃʵîÇб³)<±³À°È¯°æ º¸È£¿¡ °üÇÑ ¹ý·ü>, ºñÇà¾ÈÀüÁ¦5±¸¿ª(Áö¿ø)(¼ö»öºñÇàÀå Ç¥°í(19.5m)±âÁØ °íµµ 45m~65m À§ÀÓÁö¿ª)<±º»ç±âÁö ¹× ±º»ç½Ã¼³ º¸È£¹ý>, Á¦ÇѺ¸È£±¸¿ª(Àü¹æÁö¿ª:25km)(ÇØ¹ß°íµµ 86mÀ§ÀÓÁö¿ª)<±º»ç±âÁö ¹× ±º»ç½Ã¼³ º¸È£¹ý>, µµ½Ã°³¹ß±¸¿ª<µµ½Ã°³¹ß¹ý>, ÀÓ¾÷¿ë»êÁö<»êÁö°ü¸®¹ý>, °ú¹Ð¾ïÁ¦±Ç¿ª<¼öµµ±ÇÁ¤ºñ°èȹ¹ý>, (ÇѰ­)Æó±â¹°¸Å¸³½Ã¼³ ¼³Ä¡Á¦ÇÑÁö¿ª<ÇѰ­¼ö°è »ó¼ö¿ø¼öÁú°³¼± ¹× ÁÖ¹ÎÁö¿ø µî¿¡ °üÇÑ ¹ý·ü>, ÅäÁö°Å·¡°è¾à¿¡°üÇÑÇã°¡±¸¿ª(2025-08-26)(¿Ü±¹ÀÎ µî),ÅäÁö°Å·¡°è¾à¿¡°üÇÑÇã°¡±¸¿ª(2025-08-26)(¿Ü±¹Àεî´ë»ó,´ë»ó¿ëµµ(´Üµ¶,´Ù°¡±¸,¿¬¸³,´Ù¼¼´ëÁÖÅÃ,¾ÆÆÄÆ®)·Î»ç¿ëµÇ´ÂÅäÁö)ÀÓ.
9)°øºÎ¿ÍÀÇ Â÷ÀÌ
¾øÀ½.

10)±âŸÂü°í»çÇ×(ÀÓ´ë°ü·Ê ¹× ±âŸ)
ÀÓ´ë°ü°è ¹Ì»óÀÓ.
Âü°í
»çÇ×

1. º»°Ç °Ç¹°Àº ö±Ùūũ¸®Æ®±¸Á¶ (ö±Ù)ÄÜÅ©¸®Æ®ÁöºØ 24Ãþ °øµ¿ÁÖÅÃ(¾ÆÆÄÆ®)ÀÓ. 2. °Ç¹°¿Üº®°ú °øµ¿Çö°üÃâÀÔ±¸¿¡ `101`µ¿ Ç¥½Ã ÀÖÀ½.

°ÇÃ๰ÇöȲ

¼ÒÀçÁö °æ±âµµ °í¾ç½Ã ´ö¾ç±¸ ´öÀºµ¿ 679¹øÁö
´ëÁö¸éÀû   ¿¬¸éÀû 1760.0326§³
(533.34Æò)
°ÇÃà¸éÀû   ¿ëÀû·ü»êÁ¤
¿¬¸éÀû
 
°ÇÆóÀ²   ¿ëÀû·ü  
Áö»óÃþ¼ö   ÁöÇÏÃþ¼ö 1Ãþ
ÁÖ¿ëµµ °øµ¿ÁÖÅà ±¸Á¶ ö±ÙÄÜÅ©¸®Æ®±¸Á¶
Âø°øÀÏÀÚ 2020.05.11 »ç¿ë½ÂÀÎÀÏÀÚ 2022.11.28
°ÇÃ๰Ãþº°ÇöȲ [º¸±â]


µî±âºÎµîº» ¿ä¾à(°Ç¹°)

  Á¢¼öÀÏÀÚ µî±â¸ñÀû/±Ç¸®ÀÚ ±Ç¸®±Ý¾× ±âÁØ
1 2023³â2¿ù23ÀÏ
¼ÒÀ¯±Ç
ÀÌOO
¼Ò¸ê
2 2023³â2¿ù23ÀÏ
¼ÒÀ¯±Ç
±èOO
¼Ò¸ê
3 2023³â2¿ù23ÀÏ
±ÙÀú´ç±Ç
³óOOOO
770,000,000 ¼Ò¸ê±âÁØ
4 2024³â8¿ù5ÀÏ
±ÙÀú´ç±Ç
(OOOO
65,000,000 ¼Ò¸ê
5 2025³â3¿ù11ÀÏ
±ÙÀú´ç±Ç
(OOOO
79,200,000 ¼Ò¸ê
6 2025³â8¿ù12ÀÏ
°¡¾Ð·ù
(OOOO
26,137,550 ¼Ò¸ê
7 2025³â8¿ù22ÀÏ
ÀÓÀǰæ¸Å
³óOOOO
¼Ò¸ê

ÀÓÂ÷ÀÎÇöȲ (¹è´ç¿ä±¸Á¾±âÀÏ: 2025-11-24)



¸Å°¢±âÀÏ 7ÀÏÀü¿¡ °ø°íµÇ¿À´Ï È®ÀÎÇϽñ⠹ٶø´Ï´Ù.


¿©ÀÇÁÖ°æ¸Å Á¶¾ð ÇÑ ¸¶µð


ÁÖÀÇ»çÇ× (ÃÖ¼±¼øÀ§ ¼³Á¤ÀÏ: 2023.2.23.±ÙÀú´ç±Ç ¼³Á¤)

¸Å°¢À¸·Î ¼Ò¸êµÇÁö ¾Ê´Â µî±âºÎ±Ç¸®:
¸Å°¢À¸·Î ¼³Á¤µÈ °ÍÀ¸·Î º¸´Â Áö»ó±Ç:
2025.12.29 ¹è´ç¿ä±¸±ÇÀÚ »ïOOO OOOO ¹è´ç¿ä±¸ ½Åû ÃëÇϼ­ Á¦Ãâ
¡Ø¹Ì³³°ü¸®ºñ(°ø¿ë) Àμö¿©ºÎ¸¦ ÀÔÂû Àü¿¡ È®ÀÎÇϽñ⠹ٶø´Ï´Ù

 

Áö¿ªºÐ¼®

ÁöÇÏö¸í Á÷¼±°Å¸®

Çб³¸í ÀüÈ­¹øÈ£ ÁÖ¼Ò Á÷¼±°Å¸®

¹ý¿ø

ÀÇÁ¤ºÎÁö¹æ¹ý¿ø °í¾çÁö¿ø (104-13)°æ±âµµ °í¾ç½Ã Àϻ굿±¸ Àå¹é·Î 209
´ëÇ¥ : 031)920-6114, ¾ß°£ : 031)920-6550, ÆÑ½º : 031)920-6119
°üÇÒÁö¿ª : °í¾ç½Ã, ÆÄÁÖ½Ã

µî±â¼Ò ÀÇÁ¤ºÎÁö¹æ¹ý¿ø °í¾çÁö¿ø °í¾çµî±â¼Ò (´ëÇ¥:1544-0773, ÆÑ½º:(031)920-5959, °æ±âµµ °í¾ç½Ã Àϻ굿±¸ Áß¾Ó·Î1275¹ø±æ 38-30 (ÀåÇ×µ¿ 773))
¼¼¹«¼­ µ¿°í¾ç¼¼¹«¼­ (´ëÇ¥:031-900-62, ÆÑ½º:031-963-2979, °æ±âµµ °í¾ç½Ã ´ö¾ç±¸ È­Áß·Î 104¹ø±æ 16(È­Á¤µ¿))

Àαٳ«ÂûÅë°è

±â°£ ¸Å°¢°Ç¼ö Æò±Õ°¨Á¤°¡
Æò±Õ¸Å°¢°¡
¸Å°¢°¡À²
Æò±ÕÀ¯Âû¼ö
3°³¿ù 23°Ç 497,304,348¿ø
439,142,802¿ø
87%
1.3ȸ
6°³¿ù 42°Ç 578,214,286¿ø
482,753,788¿ø
82%
1.5ȸ
12°³¿ù 99°Ç 533,884,848¿ø
456,567,623¿ø
84%
1.2ȸ


º» °æ¸ÅÁ¤º¸´Â ¹ý¿øÀÚ·á¿Í ÀÏÄ¡Çϵµ·Ï ÇÏ¿´À¸³ª ±Ç¸®»çÇ׺¯µ¿, ÀÔ·ÂÂø¿À µîÀÇ ¿øÀÎÀ¸·Î »ç½Ç°ú ´Ù¸¦ ¼ö ÀÖ½À´Ï´Ù. ÀÌ¿ë¾à°ü¿¡ ÀǰЏéÃ¥Á¶°ÇÀ¸·Î Á¦°øµÊÀ» ¾Ë¸®¸ç, °æ¸ÅÀÔÂû½Ã ¹Ýµå½Ã °ü·Ã °øºÎ¸¦ ÀçÈ®ÀÎÇϽñ⠹ٶø´Ï´Ù. º¸´Ù Æí¸®ÇÑ °æ¸ÅÁ¤º¸ Á¦°øÀ» À§ÇØ Áö¼ÓÀûÀ¸·Î °³¼±ÇϰڽÀ´Ï´Ù. ÀÌ¿ëÇØ Áּż­ °¨»çÇÕ´Ï´Ù.