·Î±×ÀÎ
1384
¿ÀÇǽºÅÚ
¼ö¿øÁö¹æ¹ý¿ø
 °¨Á¤°¡218,000,000 ¿ø
 ÃÖÀú°¡(24%) 52,342,000 ¿ø
 º¸Áõ±Ý(10%) 5,234,200 ¿ø
 Ã»±¸¾×250,000,000 ¿ø
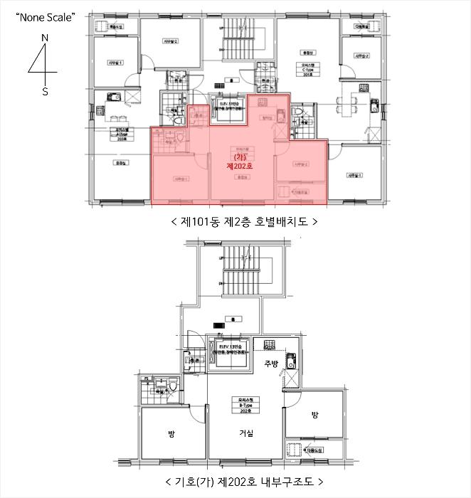
°æ±âµµ ¿ëÀνà óÀα¸ Çлê·Î67¹ø±æ 21-1, 101µ¿ 2Ãþ202È£
°æ±âµµ ¿ëÀνà óÀα¸ ±è·®À嵿 186-42
»ç°Ç¹øÈ£ 2024Ÿ°æ102720
°æ¸ÅÁ¾·ùºÎµ¿»ê°­Á¦°æ¸Å
¸Å°¢´ë»óÅäÁö ¹× °Ç¹°Àϰý ¸Å°¢
¸Å°¢±âÀÏ    2026.05.26(È­) 10:00 ÀÔÂû 9ÀÏÀü    
ÅäÁö¸éÀû49.19§³(14.88 Æò)
°Ç¹°¸éÀû54.95§³(16.62 Æò)
乫/¼ÒÀ¯ÀÚ¹ÚOO / ¹ÚOO
ä±ÇÀÚÁÖOOOOOOO
ÆäÀ̽ººÏ Æ®À§ÅÍ ±¸±Û+
īī¿À½ºÅ丮
īī¿ÀÅå sms¹®ÀÚº¸³»±â
 

±âÀϳ»¿ª

°æ°ú ³¯Â¥ Àú°¨ ÃÖÀú°¡ °á°ú
Á¢¼öÀÏ 2024-12-18 °æ¸ÅÁ¢¼ö
~1ÀÏ 
2024-12-19 °æ¸Å°³½Ã°áÁ¤
~76ÀÏ 
2025-03-04 ¹è´ç¿ä±¸Á¾±âÀÏ
~384ÀÏ 
2026-01-06 100%
218,000,000
À¯Âû
~415ÀÏ 
2026-02-06 70%
152,600,000
À¯Âû
~455ÀÏ 
2026-03-18 49%
106,820,000
À¯Âû
~488ÀÏ 
2026-04-20 34%
74,774,000
À¯Âû
~524ÀÏ 
2026-05-26 24%
52,342,000
ÁøÇà
¹°°Ç¸í¼¼¼­ ÇöȲÁ¶»ç¼­ ¹®°ÇÁ¢¼ö ¼Û´Þ³»¿ª

°¨Á¤Æò°¡ÇöȲ

¸ñ·Ï ÁÖ¼Ò ±¸Á¶/¿ëµµ/´ëÁö±Ç ¸éÀû ºñ°í
´ëÁö±Ç
±è·®À嵿 186-42 1428ºÐÀÇ 49.19 49.19 §³
(14.88Æò)
°Ç¹°
±è·®À嵿 186-42 101µ¿ 2Ãþ202È£ ö±ÙÄÜÅ©¸®Æ®±¸Á¶ 54.95 §³
(16.62Æò)
1) À§Ä¡/µµ½ÃÁö¿ª/Á¦1Á¾ÀϹÝÁÖ°ÅÁö¿ª/º¸Àü»êÁö/³ë¼±¹ö½ºÁ¤·ùÀå/ö±ÙÄÜÅ©¸®Æ®±¸Á¶ ´õº¸±â
°¨Á¤Æò°¡ ¿äÇ×Ç¥
1)À§Ä¡ ¹× ÁÖÀ§È¯°æ
º»°ÇÀº °æ±âµµ ¿ëÀνà óÀα¸ ±è·®À嵿 ¼ÒÀç "¿ëÀÎÃʵîÇб³" ºÏÃø Àαٿ¡ À§Ä¡Çϸç, ÁÖÀ§´Â ´Ù¼¼´ëÁÖÅÃ, ¿ÀÇǽºÅÚ, ¾ÆÆÄÆ®, ±Ù¸°»ýȰ½Ã¼³, Çб³ µîÀÌ ¼ÒÀçÇϰí ÀÖ´Â µî Á¦¹Ý ÁÖÀ§È¯°æÀº º¸ÅëÀÓ.
2)±³Åë»óȲ
º»°Ç±îÁö Â÷·®ÀÇ ÁøÃâÀÔÀÌ °¡´ÉÇϸç, Àαٿ¡ ³ë¼±¹ö½ºÁ¤·ùÀå ¹× Àüö ¿¡¹ö¶óÀÎ "¿ëÀÎÁß¾Ó½ÃÀ忪"ÀÌ ¼ÒÀçÇÏ´Â µî ´ëÁß±³Åë»óȲÀº º¸ÅëÀÓ.
3)°Ç¹°ÀÇ ±¸Á¶
ö±ÙÄÜÅ©¸®Æ®±¸Á¶ ö±ÙÄÜÅ©¸®Æ®±¸Á¶ÁöºØ Áö»ó4Ãþ °Ç¹° ³» Á¦2Ãþ Á¦202È£·Î¼­,

¿Üº® : ¼®ÀçºÙÀÓ ¸¶°¨ µî
âȣ : ¼¦½Ã âȣ µîÀÓ.
4)ÀÌ¿ë»óÅÂ
ÁÖ°Å¿ë ¿ÀÇǽºÅÚ·Î ÀÌ¿ëÁßÀÓ.
5)¼³ºñ³»¿ª
À§»ý ¹× ³­¹æ¼³ºñ, ±Þ¹è¼ö¼³ºñ, Àü±â¼³ºñ, ½Â°­±â¼³ºñ µîÀÌ µÇ¾î ÀÖÀ½.


6)ÅäÁöÀÇ Çü»ó ¹× ÀÌ¿ë»óÅÂ
¿Ï°æ»ç Áö´ë ³» ÀÚüÁö¹Ý ÆòźȭÇÑ ¼¼ÀåÇüÀÇ ÅäÁö·Î¼­, ¾÷¹«½Ã¼³ ¹× °øµ¿ÁÖÅà °ÇºÎÁö·Î ÀÌ¿ëÁßÀÓ.
7)ÀÎÁ¢ µµ·Î»óŵî
º»°Ç ³²ÃøÀ¸·Î ³ëÆø 6¹ÌÅÍ ³»¿ÜÀÇ Æ÷Àåµµ·Î¿Í Á¢ÇÔ.
8)ÅäÁöÀÌ¿ë°èȹ ¹× Á¦ÇÑ»óÅÂ
µµ½ÃÁö¿ª, Á¦1Á¾ÀϹÝÁÖ°ÅÁö¿ª, °¡Ãà»çÀ°Á¦Çѱ¸¿ª<°¡ÃàºÐ´¢ÀÇ °ü¸® ¹× À̿뿡 °üÇÑ ¹ý·ü>, »ó´ëº¸È£±¸¿ª<±³À°È¯°æ º¸È£¿¡ °üÇÑ ¹ý·ü>, ¹èÃâ½Ã¼³¼³Ä¡Á¦ÇÑÁö¿ª<¹°È¯°æº¸Àü¹ý>, Áغ¸Àü»êÁö<»êÁö°ü¸®¹ý>, ÀÚ¿¬º¸Àü±Ç¿ª<¼öµµ±ÇÁ¤ºñ°èȹ¹ý>, ¼öÁúº¸ÀüƯº°´ëÃ¥Áö¿ª<ȯ°æÁ¤Ã¥±âº»¹ý>, ÁßÁ¡°æ°ü°ü¸®±¸¿ª
9)°øºÎ¿ÍÀÇ Â÷ÀÌ
ÁýÇÕ°ÇÃ๰´ëÀå »ó ¾÷¹«½Ã¼³(¿ÀÇǽºÅÚ)·Î µîÀçµÇ¾î ÀÖÀ¸³ª, µî±â»çÇ×ÀüºÎÁõ¸í¼­ »ó ¹Î°£ÀÓ´ëÁÖÅÃÀ¸·Î µîÀçµÇ¾î ÀÖ´Â Á¡ ¹× ¿ÜºÎ°üÂû, ÀαÙŽ¹® µî¿¡ ÀǰŠÇöȲ ÁÖ°Å¿ë ¿ÀÇǽºÅÚ·Î ÀÌ¿ë ÁßÀÎ °ÍÀ¸·Î ÆÇ´ÜµÊ.
10)±âŸÂü°í»çÇ×(ÀÓ´ë°ü·Ê ¹× ±âŸ)
ÀÓ´ë°ü°è ¹Ì»óÀÓ.
Âü°í
»çÇ×
1. ÁýÇÕ°ÇÃ๰´ëÀå»ó ¾÷¹«½Ã¼³·Î µîÀçµÇ¾î ÀÖÀ¸³ª ÇöȲ ÁÖ°Å¿ëÀ¸·Î ÀÌ¿ëÁßÀÓ 2. µî±â»çÇ×Áõ¸í¼­»ó ¡®101µ¿¡¯À¸·Î ±âÀçµÇ¾î ÀÖÀ¸³ª, ÇöȲÀº ¡®Aµ¿¡¯À¸·Î Ç¥½ÃµÇ¾î ÀÖÀ½
ÇöȲÀº `101µ¿`ÀÌ ¾Æ´Ï¶ó `Aµ¿`À¸·Î Ç¥½ÃµÇ¾î ÀÖÀ½(º°Áö ÇöÀå»çÁø ÂüÁ¶).

°ÇÃ๰ÇöȲ

¼ÒÀçÁö °æ±âµµ ¿ëÀνà óÀα¸ ±è·®À嵿 186-42¹øÁö
´ëÁö¸éÀû   ¿¬¸éÀû 676.78§³
(205.08Æò)
°ÇÃà¸éÀû 214.69§³
(65.06Æò)
¿ëÀû·ü»êÁ¤
¿¬¸éÀû
676.78§³
(205.08Æò)
°ÇÆóÀ²   ¿ëÀû·ü  
Áö»óÃþ¼ö 4Ãþ ÁöÇÏÃþ¼ö  
ÁÖ¿ëµµ ¾÷¹«½Ã¼³ ±¸Á¶ ö±ÙÄÜÅ©¸®Æ®±¸Á¶
Âø°øÀÏÀÚ 2020.01.14 »ç¿ë½ÂÀÎÀÏÀÚ 2020.09.02
°ÇÃ๰Ãþº°ÇöȲ [º¸±â]


µî±âºÎµîº» ¿ä¾à(°Ç¹°)

  Á¢¼öÀÏÀÚ µî±â¸ñÀû/±Ç¸®ÀÚ ±Ç¸®±Ý¾× ±âÁØ
1 2022³â5¿ù30ÀÏ
¼ÒÀ¯±Ç
¹ÚOO
¼Ò¸ê
2 2022³â5¿ù30ÀÏ
¾àÁ¤/±ÝÁö»çÇ×/ȯ¸ÅƯ¾à
Àμö
3 2024³â3¿ù5ÀÏ
ÀÓÂ÷±Ç¼³Á¤
ÀÌOO
250,000,000 Àμö
4 2024³â12¿ù19ÀÏ
°­Á¦°æ¸Å
ÁÖOOOO
¼Ò¸ê±âÁØ

ÀÓÂ÷ÀÎÇöȲ (¹è´ç¿ä±¸Á¾±âÀÏ: 2025-03-04)

ÀÓÂ÷ÀÎ ¿ëµµ/Á¡À¯ º¸Áõ±Ý/¿ù¼¼ ´ëÇ×·Â
ÀüÀÔÀÏ/È®Á¤ÀÏ ¹è´ç¿ä±¸ ºñ°í
ÀÌOO 202È£ 250,000,000
O
2022.05.09.
2022.04.18.
ÁÖOOOOOOO 201È£ 250,000,000
O
2022.05.09.
2022.04.18.
2025.2.12. 2022.05.09.~2024.05.08.
ºñ°í
(¸Å°¢¹°°Ç
¸í¼¼¼­)
ÁÖÅõµ½Ãº¸Áõ°ø»ç:ÀÓÂ÷ÀÎ ÀÌâÇöÀÇ ÀÓ´ëÂ÷º¸Áõ±ÝÀ» ´ëÀ§º¯Á¦ÇÑ ½Åûä±ÇÀÚÀÓ

¿©ÀÇÁÖ°æ¸Å Á¶¾ð ÇÑ ¸¶µð


ÁÖÀÇ»çÇ× (ÃÖ¼±¼øÀ§ ¼³Á¤ÀÏ: 2024.12.19. °æ¸Å°³½Ã°áÁ¤ ¼³Á¤)

¸Å°¢À¸·Î ¼Ò¸êµÇÁö ¾Ê´Â µî±âºÎ±Ç¸®: À»±¸ ¼øÀ§ 4¹ø Á¢¼ö¹øÈ£ Á¦31079È£ ÁÖÅÃÀÓÂ÷±Ç¼³Á¤µî±â(ÀÓÂ÷º¸Áõ±Ý 250,000,000¿ø, ÀüÀÔÀÏ 2022. 5. 9., È®Á¤ÀÏÀÚ 2022. 4. 18.) ´Â º¸Áõ±ÝÀÌ Àü¾× ¹è´çµÇÁö ¾ÊÀ¸¸é ¸»¼ÒµÇÁö ¾ÊÀ½
¸Å°¢À¸·Î ¼³Á¤µÈ °ÍÀ¸·Î º¸´Â Áö»ó±Ç:
1. ÁýÇÕ°ÇÃ๰´ëÀå»ó ¾÷¹«½Ã¼³·Î µîÀçµÇ¾î ÀÖÀ¸³ª ÇöȲ ÁÖ°Å¿ëÀ¸·Î ÀÌ¿ëÁßÀÓ 2. µî±â»çÇ×Áõ¸í¼­»ó ¡®101µ¿¡¯À¸·Î ±âÀçµÇ¾î ÀÖÀ¸³ª, ÇöȲÀº ¡®Aµ¿¡¯À¸·Î Ç¥½ÃµÇ¾î ÀÖÀ½
¡Ø¹Ì³³°ü¸®ºñ(°ø¿ë) Àμö¿©ºÎ¸¦ ÀÔÂû Àü¿¡ È®ÀÎÇϽñ⠹ٶø´Ï´Ù

 

Áö¿ªºÐ¼®

ÁöÇÏö¸í Á÷¼±°Å¸®

Çб³¸í ÀüÈ­¹øÈ£ ÁÖ¼Ò Á÷¼±°Å¸®

¹ý¿ø

¼ö¿øÁö¹æ¹ý¿ø (165-12)°æ±âµµ ¼ö¿ø½Ã ¿µÅ뱸 ¹ýÁ¶·Î 105, Çϵ¿, ¼ö¿ø¹ý¿øÁ¾ÇÕû»ç
´ëÇ¥ : 031)210-1114, ¾ß°£ : 031)210-1111
°üÇÒÁö¿ª : ¼ö¿ø½Ã, ¿À»ê½Ã, È­¼º½Ã, ¿ëÀνÃ

µî±â¼Ò ¼ö¿øÁö¹æ¹ý¿ø º»¿ø ¿ëÀεî±â¼Ò (´ëÇ¥:1544-0773, ÆÑ½º:(031)321-3919, °æ±âµµ ¿ëÀνà óÀα¸ ¼º»ê·Î 7 (¿ªºÏµ¿ 391-28))
¼¼¹«¼­ ¿ëÀμ¼¹«¼­ (´ëÇ¥:031-329-22, ÆÑ½º:031-329-2328, °æ±âµµ ¿ëÀνà óÀα¸ Áߺδë·Î1161¹ø±æ 71 (»ï°¡µ¿))

Àαٳ«ÂûÅë°è

±â°£ ¸Å°¢°Ç¼ö Æò±Õ°¨Á¤°¡
Æò±Õ¸Å°¢°¡
¸Å°¢°¡À²
Æò±ÕÀ¯Âû¼ö
3°³¿ù 1°Ç 193,000,000¿ø
170,950,000¿ø
89%
1ȸ
6°³¿ù 4°Ç 173,500,000¿ø
142,954,750¿ø
81%
1ȸ
12°³¿ù 6°Ç 198,333,333¿ø
151,742,333¿ø
77%
1.2ȸ


º» °æ¸ÅÁ¤º¸´Â ¹ý¿øÀÚ·á¿Í ÀÏÄ¡Çϵµ·Ï ÇÏ¿´À¸³ª ±Ç¸®»çÇ׺¯µ¿, ÀÔ·ÂÂø¿À µîÀÇ ¿øÀÎÀ¸·Î »ç½Ç°ú ´Ù¸¦ ¼ö ÀÖ½À´Ï´Ù. ÀÌ¿ë¾à°ü¿¡ ÀǰЏéÃ¥Á¶°ÇÀ¸·Î Á¦°øµÊÀ» ¾Ë¸®¸ç, °æ¸ÅÀÔÂû½Ã ¹Ýµå½Ã °ü·Ã °øºÎ¸¦ ÀçÈ®ÀÎÇϽñ⠹ٶø´Ï´Ù. º¸´Ù Æí¸®ÇÑ °æ¸ÅÁ¤º¸ Á¦°øÀ» À§ÇØ Áö¼ÓÀûÀ¸·Î °³¼±ÇϰڽÀ´Ï´Ù. ÀÌ¿ëÇØ Áּż­ °¨»çÇÕ´Ï´Ù.