·Î±×ÀÎ
54
´Ù¼¼´ë(ºô¶ó)
ÀÎõÁö¹æ¹ý¿ø ºÎõÁö¿ø
 °¨Á¤°¡202,000,000 ¿ø
 ÃÖÀú°¡(100%) 202,000,000 ¿ø
 º¸Áõ±Ý(10%) 20,200,000 ¿ø
 Ã»±¸¾×183,675,958 ¿ø
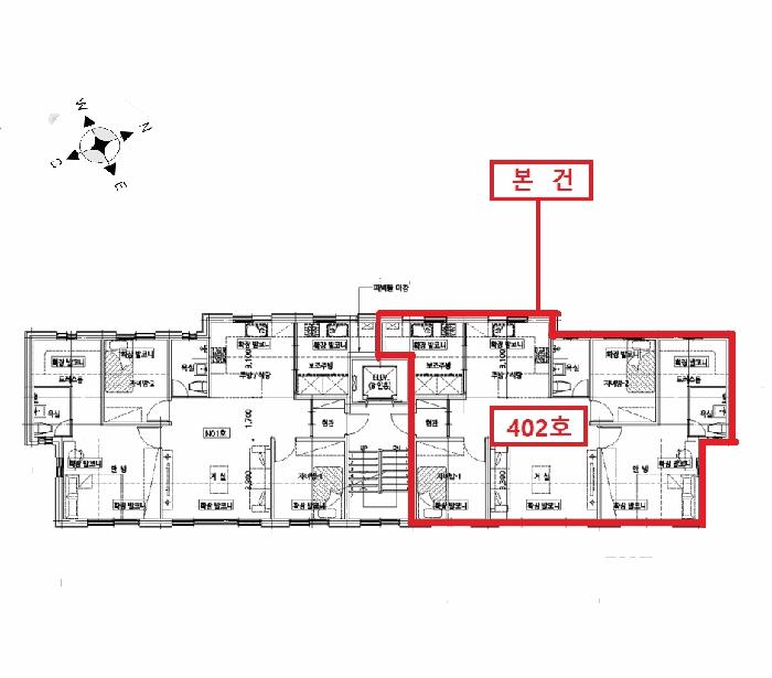
°æ±âµµ ±èÆ÷½Ã ÅëÁøÀ¾ ¼­¾Ï¸® 764-56 ·çü 102µ¿ 4Ãþ 402È£
»ç°Ç¹øÈ£ 2025Ÿ°æ32860
°æ¸ÅÁ¾·ùºÎµ¿»êÀÓÀǰæ¸Å
¸Å°¢´ë»óÅäÁö ¹× °Ç¹°Àϰý ¸Å°¢
¸Å°¢±âÀÏ    2025.12.09(È­) 10:00 (¿À´Ã ÀÔÂû)    
ÅäÁö¸éÀû52.63§³(15.92 Æò)
°Ç¹°¸éÀû59.84§³(18.10 Æò)
乫/¼ÒÀ¯ÀÚ±èOO / ±èOO
ä±ÇÀÚÇÑOOOOOOOOOO
ÆäÀ̽ººÏ Æ®À§ÅÍ ±¸±Û+
īī¿À½ºÅ丮
īī¿ÀÅå sms¹®ÀÚº¸³»±â
 

±âÀϳ»¿ª

°æ°ú ³¯Â¥ Àú°¨ ÃÖÀú°¡ °á°ú
Á¢¼öÀÏ 2025-03-10 °æ¸ÅÁ¢¼ö
~1ÀÏ 
2025-03-11 °æ¸Å°³½Ã°áÁ¤
~84ÀÏ 
2025-06-02 ¹è´ç¿ä±¸Á¾±âÀÏ
~274ÀÏ 
2025-12-09 100%
202,000,000
ÁøÇà
¹°°Ç¸í¼¼¼­ ÇöȲÁ¶»ç¼­ ¹®°ÇÁ¢¼ö ¼Û´Þ³»¿ª

°¨Á¤Æò°¡ÇöȲ

¸ñ·Ï ÁÖ¼Ò ±¸Á¶/¿ëµµ/´ëÁö±Ç ¸éÀû ºñ°í
´ëÁö±Ç
¼­¾Ï¸® 764-56 421ºÐÀÇ 52.625 52.625 §³
(15.92Æò)
°Ç¹°
¼­¾Ï¸® 764-56 102µ¿ 4Ãþ 402È£ ö±ÙÄÜÅ©¸®Æ®±¸Á¶ 59.84 §³
(18.10Æò)
1) À§Ä¡/µµ½ÃÁö¿ª/Á¦1Á¾ÀϹÝÁÖ°ÅÁö¿ª/Â÷·® Á¢±ÙÀÌ °¡´É/³ë¼±¹ö½ºÁ¤·ùÀå/ö±ÙÄÜÅ©¸®Æ®±¸Á¶/µµ½Ã°¡½º ´õº¸±â
°¨Á¤Æò°¡ ¿äÇ×Ç¥
1)À§Ä¡ ¹× ÁÖÀ§È¯°æ
º»°ÇÀº °æ±âµµ ±èÆ÷½Ã ÅëÁøÀ¾ ¼­¾Ï¸® ¼ÒÀç 'ÅëÁøÃʵîÇб³' µ¿Ãø Àαٿ¡ À§Ä¡Çϸç, ÁÖÀ§´Â
°øµ¿ÁÖÅÃ(´Ù¼¼´ë/¿¬¸³) ¹× ¾ÆÆÄÆ®, ´Üµ¶ÁÖÅÃ, ±Ù¸°»ýȰ½Ã¼³ µîÀÌ ¼ÒÀçÇÏ´Â Áö¿ªÀ¸·Î ÁÖÀ§È¯
°æÀº º¸ÅëÀÓ.
2)±³Åë»óȲ
º»°Ç±îÁö Â÷·® Á¢±ÙÀÌ °¡´ÉÇϰí Àαٿ¡ ³ë¼±¹ö½ºÁ¤·ùÀåÀÌ ¼ÒÀçÇÏ´Â µî ´ëÁß±³ÅëÀº º¸ÅëÀÓ.
3)°Ç¹°ÀÇ ±¸Á¶
ö±ÙÄÜÅ©¸®Æ®±¸Á¶ (ö±Ù)ÄÜÅ©¸®Æ®ÁöºØ 5Ãþ °Ç³» 4Ãþ 402È£·Î¼­,
¿Üº®: Ä¡ÀåŸÀϺÙÀÓ¹× ¸ôÅ»À§ ÆäÀÎÆÃ ¸¶°¨ µî.
³»º®: º®Áöµµ¹è ¹× ÀϺΠŸÀÏ ¸¶°¨ µî.
âȣ: ¼¦½Ã âȣ ¸¶°¨ µîÀÓ.

4)ÀÌ¿ë»óÅÂ
´Ù¼¼´ëÁÖÅÃÀ¸·Î ÀÌ¿ëÁßÀÓ.
5)¼³ºñ³»¿ª
±âº»ÀûÀÎ À§»ý¼³ºñ ¹× ±Þ,¹è¼ö¼³ºñ, ½Â°­±â¼³ºñ, µµ½Ã°¡½º ³­¹æ¼³ºñ µîÀÌ µÇ¾îÀÖÀ½.
6)ÅäÁöÀÇ Çü»ó ¹× ÀÌ¿ë»óÅÂ
ÀÎÁ¢Áö ´ëºñ µî°íÆòźÇÑ ¼¼ÀåÇüÀÇ ÅäÁö·Î¼­ ´Ù¼¼´ëÁÖÅà °ÇºÎÁö·Î ÀÌ¿ëÁßÀÓ.
7)ÀÎÁ¢ µµ·Î»óŵî
º»°Ç ºÏµ¿Ãø ¹× ³²µ¿ÃøÀ¸·Î ³ëÆø ¾à 8m, 6m ³»¿ÜÀÇ Æ÷Àåµµ·Î¿¡ °¢°¢ Á¢ÇÔ.
8)ÅäÁöÀÌ¿ë°èȹ ¹× Á¦ÇÑ»óÅÂ
µµ½ÃÁö¿ª, Á¦1Á¾ÀϹÝÁÖ°ÅÁö¿ª °¡Ãà»çÀ°Á¦Çѱ¸¿ª(¸ðµçÃàÁ¾ Á¦ÇÑ)<°¡ÃàºÐ´¢ÀÇ °ü¸® ¹× À̿뿡
°üÇÑ ¹ý·ü>, »ó´ëº¸È£±¸¿ª(ÅëÁøÃʵîÇб³)<±³À°È¯°æ º¸È£¿¡ °üÇÑ ¹ý·ü>, ¼ºÀå°ü¸®±Ç¿ª<¼öµµ
±ÇÁ¤ºñ°èȹ¹ý>, Çϼö󸮱¸¿ª(ÅëÁøÃ³¸®ºÐ±¸)<Çϼöµµ¹ý>
9)°øºÎ¿ÍÀÇ Â÷ÀÌ
¾øÀ½.
10)±âŸÂü°í»çÇ×(ÀÓ´ë°ü·Ê ¹× ±âŸ)
ÀÓ´ë°ü°è´Â ¹Ì»óÀÓ.

°ÇÃ๰ÇöȲ

¼ÒÀçÁö °æ±âµµ ±èÆ÷½Ã ÅëÁøÀ¾ ¼­¾Ï¸® 764-56¹øÁö
´ëÁö¸éÀû 421§³
(127.58Æò)
¿¬¸éÀû 564.97§³
(171.2Æò)
°ÇÃà¸éÀû 209.68§³
(63.54Æò)
¿ëÀû·ü»êÁ¤
¿¬¸éÀû
564.97§³
(171.2Æò)
°ÇÆóÀ² 49.81% ¿ëÀû·ü 134.2%
Áö»óÃþ¼ö 5Ãþ ÁöÇÏÃþ¼ö  
ÁÖ¿ëµµ °øµ¿ÁÖÅà ±¸Á¶ ö±ÙÄÜÅ©¸®Æ®±¸Á¶
Âø°øÀÏÀÚ 2018.06.29 »ç¿ë½ÂÀÎÀÏÀÚ 2018.12.24
°ÇÃ๰Ãþº°ÇöȲ [º¸±â]


±¹ÅäºÎ½Ç°Å·¡°¡ °æ±âµµ ±èÆ÷½Ã ÅëÁøÀ¾

¡Ü ¸Å¸Å

¸éÀû(§³), ±Ý¾×(¸¸¿ø)

¡Ü Àü¼¼

¸éÀû(§³), ±Ý¾×(¸¸¿ø)

°è¾àÀϰǹ°¸íĪÃþ¿¬¸éÀû´ëÁö±Ý¾×°ÇÃà
24.03.23ºí·çÇÏÀÓ105µ¿266.418013,2002019
24.03.23µÎÀüºô¶óÆ®A,Bµ¿434.3557.964,7001994
24.03.22ÁöÀ½Ã¤103µ¿350.2562.5513,0002018
24.03.22¸®Ä¡ºôAµ¿444.9374.9715,5002020
24.03.11ÅëÁø¸Ç¼Ç2µ¿259.3656.247,3002000
¢Ñ ´õº¸±â

µî±âºÎµîº» ¿ä¾à(°Ç¹°)

  Á¢¼öÀÏÀÚ µî±â¸ñÀû/±Ç¸®ÀÚ ±Ç¸®±Ý¾× ±âÁØ
1 2020³â7¿ù20ÀÏ
¼ÒÀ¯±Ç
±èOO
¼Ò¸ê
2 2020³â7¿ù20ÀÏ
±ÙÀú´ç±Ç
ÇÑOOOO
210,000,000 ¼Ò¸ê±âÁØ
3 2022³â7¿ù4ÀÏ
°¡¾Ð·ù
½ÅOOOO
8,761,516 ¼Ò¸ê
4 2023³â9¿ù14ÀÏ
¾Ð·ù
±¹
¼Ò¸ê
5 2025³â3¿ù11ÀÏ
ÀÓÀǰæ¸Å
ÇÑOOOO
¼Ò¸ê

ÀÓÂ÷ÀÎÇöȲ (¹è´ç¿ä±¸Á¾±âÀÏ: 2025-06-02)


Á¶»çµÈ ÀÓÂ÷³»¿ªÀÌ ¾ø½À´Ï´Ù.


¿©ÀÇÁÖ°æ¸Å Á¶¾ð ÇÑ ¸¶µð


ÁÖÀÇ»çÇ× (ÃÖ¼±¼øÀ§ ¼³Á¤ÀÏ: 2020.07.20. ±ÙÀú´ç±Ç ¼³Á¤)

¸Å°¢À¸·Î ¼Ò¸êµÇÁö ¾Ê´Â µî±âºÎ±Ç¸®:
¸Å°¢À¸·Î ¼³Á¤µÈ °ÍÀ¸·Î º¸´Â Áö»ó±Ç:
¡Ø¹Ì³³°ü¸®ºñ(°ø¿ë) Àμö¿©ºÎ¸¦ ÀÔÂû Àü¿¡ È®ÀÎÇϽñ⠹ٶø´Ï´Ù

 

Áö¿ªºÐ¼®

ÁöÇÏö¸í Á÷¼±°Å¸®

Çб³¸í ÀüÈ­¹øÈ£ ÁÖ¼Ò Á÷¼±°Å¸®

¹ý¿ø

ÀÎõÁö¹æ¹ý¿ø ºÎõÁö¿ø (146-02)°æ±âµµ ºÎõ½Ã ¿ø¹Ì±¸ »óÀÏ·Î 129(»óµ¿)
´ëÇ¥ : 032)320-1114, ¹Î¿ø : 032)320-1234
°üÇÒÁö¿ª : ºÎõ½Ã, ±èÆ÷½Ã

µî±â¼Ò ÀÎõÁö¹æ¹ý¿ø ºÎõÁö¿ø ±èÆ÷µî±â¼Ò (´ëÇ¥:1544-0773, ÆÑ½º:(031)982-6997, °æ±âµµ ±èÆ÷½Ã ºÀÈ­·Î 16 (»ç¿ìµ¿ 240-2))
¼¼¹«¼­ ±èÆ÷¼¼¹«¼­ (´ëÇ¥:031-980-32, ÆÑ½º:031-987-9932, °æ±âµµ ±èÆ÷½Ã ±èÆ÷ÇѰ­1·Î 22 (Àå±âµ¿))

Àαٳ«ÂûÅë°è

±â°£ ¸Å°¢°Ç¼ö Æò±Õ°¨Á¤°¡
Æò±Õ¸Å°¢°¡
¸Å°¢°¡À²
Æò±ÕÀ¯Âû¼ö
3°³¿ù 37°Ç 195,594,595¿ø
124,777,381¿ø
63%
2ȸ
6°³¿ù 45°Ç 193,866,667¿ø
121,566,800¿ø
63%
2.2ȸ
12°³¿ù 63°Ç 190,809,524¿ø
118,473,304¿ø
62%
2.3ȸ


º» °æ¸ÅÁ¤º¸´Â ¹ý¿øÀÚ·á¿Í ÀÏÄ¡Çϵµ·Ï ÇÏ¿´À¸³ª ±Ç¸®»çÇ׺¯µ¿, ÀÔ·ÂÂø¿À µîÀÇ ¿øÀÎÀ¸·Î »ç½Ç°ú ´Ù¸¦ ¼ö ÀÖ½À´Ï´Ù. ÀÌ¿ë¾à°ü¿¡ ÀǰЏéÃ¥Á¶°ÇÀ¸·Î Á¦°øµÊÀ» ¾Ë¸®¸ç, °æ¸ÅÀÔÂû½Ã ¹Ýµå½Ã °ü·Ã °øºÎ¸¦ ÀçÈ®ÀÎÇϽñ⠹ٶø´Ï´Ù. º¸´Ù Æí¸®ÇÑ °æ¸ÅÁ¤º¸ Á¦°øÀ» À§ÇØ Áö¼ÓÀûÀ¸·Î °³¼±ÇϰڽÀ´Ï´Ù. ÀÌ¿ëÇØ Áּż­ °¨»çÇÕ´Ï´Ù.