·Î±×ÀÎ
1309
¿ÀÇǽºÅÚ
¼­¿ï³²ºÎÁö¹æ¹ý¿ø
 °¨Á¤°¡298,000,000 ¿ø
 ÃÖÀú°¡(51%) 152,576,000 ¿ø
 º¸Áõ±Ý(10%) 15,257,600 ¿ø
 Ã»±¸¾×255,000,000 ¿ø
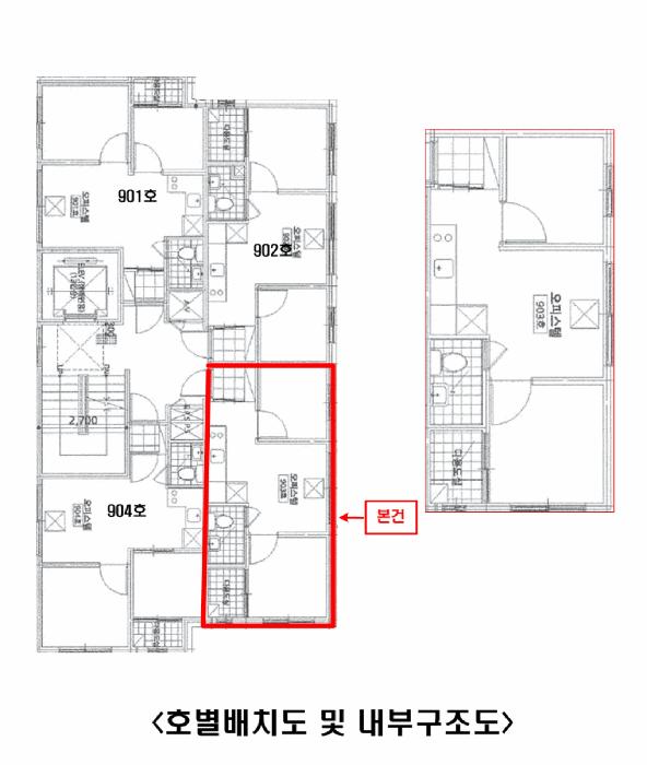
¼­¿ïƯº°½Ã °­¼­±¸ È­°îµ¿ 938-5 À£Å¸¿îºñ Á¦9Ãþ Á¦903È£
»ç°Ç¹øÈ£ 2025Ÿ°æ9009
°æ¸ÅÁ¾·ùºÎµ¿»ê°­Á¦°æ¸Å
¸Å°¢´ë»óÅäÁö ¹× °Ç¹°Àϰý ¸Å°¢
¸Å°¢±âÀÏ    2026.04.28(È­) 10:00    
ÅäÁö¸éÀû7.95§³(2.40 Æò)
°Ç¹°¸éÀû29.85§³(9.03 Æò)
乫/¼ÒÀ¯ÀÚÀ¯OO / À¯OO
ä±ÇÀÚÁÖOOOOOOO
ÆäÀ̽ººÏ Æ®À§ÅÍ ±¸±Û+
īī¿À½ºÅ丮
īī¿ÀÅå sms¹®ÀÚº¸³»±â
 

±âÀϳ»¿ª

°æ°ú ³¯Â¥ Àú°¨ ÃÖÀú°¡ °á°ú
Á¢¼öÀÏ 2025-03-07 °æ¸ÅÁ¢¼ö
~4ÀÏ 
2025-03-11 °æ¸Å°³½Ã°áÁ¤
~95ÀÏ 
2025-06-10 ¹è´ç¿ä±¸Á¾±âÀÏ
~272ÀÏ 
2025-12-04 100%
298,000,000
À¯Âû
~328ÀÏ 
2026-01-29 80%
238,400,000
À¯Âû
~377ÀÏ 
2026-03-19 64%
190,720,000
À¯Âû
~417ÀÏ 
2026-04-28 51%
152,576,000
¸Å°¢
³«Âû°¡ 186,715,774 (63%)
~474ÀÏ 
2026-06-24 ÁøÇà
¹°°Ç¸í¼¼¼­ ÇöȲÁ¶»ç¼­ ¹®°ÇÁ¢¼ö ¼Û´Þ³»¿ª

°¨Á¤Æò°¡ÇöȲ

¸ñ·Ï ÁÖ¼Ò ±¸Á¶/¿ëµµ/´ëÁö±Ç ¸éÀû ºñ°í
´ëÁö±Ç
È­°îµ¿ 938-5 349.7ºÐÀÇ 7.9451 7.9451 §³
(2.40Æò)
°Ç¹°
È­°îµ¿ 938-5 Á¦9Ãþ Á¦903È£ ö±ÙÄÜÅ©¸®Æ®±¸Á¶ 29.85 §³
(9.03Æò)
 
1) À§Ä¡/µµ½ÃÁö¿ª/ÀϹݻó¾÷Áö¿ª/Áö±¸´ÜÀ§°èȹ±¸¿ª/Â÷·®Á¢±ÙÀÌ °¡´É/ÁÖÂ÷Àå/ÁöÇÏö/³ë¼±¹ö½ºÁ¤·ùÀå/ö±ÙÄÜÅ©¸®Æ®±¸Á¶/Æò½º¶óºêÁöºØ ´õº¸±â
°¨Á¤Æò°¡ ¿äÇ×Ç¥
1)À§Ä¡ ¹× ÁÖÀ§È¯°æ
º»°ÇÀº ¼­¿ïƯº°½Ã °­¼­±¸ È­°îµ¿ ¼ÒÀç ""È­°î1µ¿Áֹμ¾ÅÍ"" ³²¼­Ãø Àαٿ¡ À§Ä¡Çϸç ÁÖÀ§´Â ¾ÆÆÄÆ®, ¿ÀÇǽº³Ú, ´Ù¼¼´ëÁÖÅÃ, ±Ù¸°»ýȰ½Ã¼³ µîÀÌ À§Ä¡ÇÏ´Â µî ÁÖÀ§È¯°æÀº º¸ÅëÀÓ.
2)±³Åë»óȲ
º»°Ç ¼ÒÀç °Ç¹°±îÁö Â÷·®Á¢±ÙÀÌ °¡´ÉÇϰí Àαٿ¡ ³ë¼±¹ö½ºÁ¤·ùÀå°ú ÁöÇÏö¿ª(±îÄ¡»ê¿ª)ÀÌ ¼ÒÀçÇÏ´Â µî ´ëÁß±³ÅëÆíÀǵµ´Â º¸ÅëÀÓ.
3)°Ç¹°ÀÇ ±¸Á¶
ö±ÙÄÜÅ©¸®Æ®±¸Á¶ Æò½º¶óºêÁöºØ ÁöÇÏ 1Ãþ/Áö»ó 12Ãþ °Ç³» Á¦9Ãþ Á¦903È£·Î¼­,
¿Üº® : ¼®ÀçºÙÀÓ ¸¶°¨ µî
³»º® : º®Áöµµ¹è ¹× ŸÀÏ ºÙÀÓ ¸¶°¨ µî(޹®Á¶»ç)
âȣ : ¼¦½Ã âȣÀÓ.
4)ÀÌ¿ë»óÅÂ
º»°ÇÀº ±âÁؽÃÁ¡ ÇöÀç ¿ÀÇǽºÅÚ·Î ÀÌ¿ë ÁßÀÓ.
5)¼³ºñ³»¿ª
±âº»ÀûÀÎ À§»ý¼³ºñ, ±Þ¹è¼ö¼³ºñ, ³­¹æ¼³ºñ, ½Â°­±â¼³ºñ, ¼ÒÈ­Àü¼³ºñ, CCTV¼³ºñ, ±â°è½ÄÁÖÂ÷Àå µîÀÌ ±¸ºñµÇ¾î ÀÖÀ½.


6)ÅäÁöÀÇ Çü»ó ¹× ÀÌ¿ë»óÅÂ
ÀÎÁ¢Áö ´ëºñ µî°íÆòźÇÑ 2ÇÊÁö ÀÏ´ÜÀÇ ¼¼ÀåÇü ÅäÁö·Î¼­, ¾÷¹«½Ã¼³ °ÇºÎÁö·Î ÀÌ¿ë ÁßÀÓ.
7)ÀÎÁ¢ µµ·Î»óŵî
º»°Ç ³²ÃøÀ¸·Î ¼¼·Î(°¡)¿¡ Á¢ÇÔ.
8)ÅäÁöÀÌ¿ë°èȹ ¹× Á¦ÇÑ»óÅÂ
È­°îµ¿ 938-5 ¹× 938-6 °øÈ÷
µµ½ÃÁö¿ª , ÀϹݻó¾÷Áö¿ª , Áß¿ä½Ã¼³¹°º¸È£Áö±¸(°øÇ×) , Áö±¸´ÜÀ§°èȹ±¸¿ª , ¼Ò·Î3·ù(Æø 8m ¹Ì¸¸)(Á¢ÇÕ) , °¡Ãà»çÀ°Á¦Çѱ¸¿ª(Áö¿ª°æÁ¦°ú È®ÀÎ ¿ä¸Á)<°¡ÃàºÐ´¢ÀÇ °ü¸® ¹× À̿뿡 °üÇÑ ¹ý·ü> , ÁøÀÔÇ¥¸é±¸¿ª(ÁøÀÔÇ¥¸é)<°øÇ׽ü³¹ý> , ´ë°ø¹æ¾îÇùÁ¶±¸¿ª(À§Å¹°íµµ:77-257m)<±º»ç±âÁö ¹× ±º»ç½Ã¼³ º¸È£¹ý> , °ú¹Ð¾ïÁ¦±Ç¿ª<¼öµµ±ÇÁ¤ºñ°èȹ¹ý>ÀÓ.
9)°øºÎ¿ÍÀÇ Â÷ÀÌ
¾øÀ½.
10)±âŸÂü°í»çÇ×(ÀÓ´ë°ü·Ê ¹× ±âŸ)
ÀÓ´ë°ü°è ¹Ì»óÀÌ¸ç ±âŸ Âü°í»çÇ× ¾øÀ½.
Âü°í
»çÇ×
ÀÓÂ÷ÀÎ ¹× ÁÖÅÃÀÓÂ÷±Ç½Â°èÀÎ ÁÖÅõµ½Ãº¸Áõ°ø»ç´Â ¸Å¼öÀο¡ ´ëÇÏ¿© ¹è´ç¹ÞÁö ¸øÇÏ´Â Àܾ׿¡ ´ëÇÑ ÀÓ´ëÂ÷º¸Áõ±Ý ¹Ýȯ û±¸±ÇÀ» Æ÷±âÇϰí, ÀÓÂ÷±Çµî±â¸¦ ¸»¼ÒÇÏ´Â °ÍÀ» Á¶°ÇÀ¸·Î ¸Å°¢

°ÇÃ๰ÇöȲ

¼ÒÀçÁö ¼­¿ïƯº°½Ã °­¼­±¸ È­°îµ¿ 938-5¹øÁö
´ëÁö¸éÀû 349.7§³
(105.97Æò)
¿¬¸éÀû 1811.56§³
(548.96Æò)
°ÇÃà¸éÀû 178.17§³
(53.99Æò)
¿ëÀû·ü»êÁ¤
¿¬¸éÀû
1564.13§³
(473.98Æò)
°ÇÆóÀ² 50.95% ¿ëÀû·ü 447.28%
Áö»óÃþ¼ö 12Ãþ ÁöÇÏÃþ¼ö 1Ãþ
ÁÖ¿ëµµ ¾÷¹«½Ã¼³ ±¸Á¶ ö±ÙÄÜÅ©¸®Æ®±¸Á¶
Âø°øÀÏÀÚ 2019.09.20 »ç¿ë½ÂÀÎÀÏÀÚ 2020.08.14
°ÇÃ๰Ãþº°ÇöȲ [º¸±â]


±¹ÅäºÎ½Ç°Å·¡°¡ ¼­¿ïƯº°½Ã °­¼­±¸ È­°îµ¿

¡Ü ¸Å¸Å

¸éÀû(§³), ±Ý¾×(¸¸¿ø)

¡Ü Àü¼¼

¸éÀû(§³), ±Ý¾×(¸¸¿ø)

°è¾àÀϰǹ°¸íĪÃþÀü¿ëº¸Áõ±Ý¿ù¼¼°ÇÃà
25.12.23À£Å¸¿îB329.913,000902020
25.01.24À£Å¸¿îB829.88250602020

µî±âºÎµîº» ¿ä¾à(°Ç¹°)

  Á¢¼öÀÏÀÚ µî±â¸ñÀû/±Ç¸®ÀÚ ±Ç¸®±Ý¾× ±âÁØ
1 2020³â12¿ù21ÀÏ
¼ÒÀ¯±Ç
À¯OO
¼Ò¸ê
2 2022³â6¿ù7ÀÏ
¾Ð·ù
±¹
¼Ò¸ê±âÁØ
3 2023³â1¿ù20ÀÏ
ÀÓÂ÷±Ç¼³Á¤
¿ÀOO
255,000,000 ¼Ò¸ê
4 2023³â7¿ù13ÀÏ
°¡¾Ð·ù
ÁÖOOOO
1,999,000,000 ¼Ò¸ê
5 2025³â3¿ù11ÀÏ
°­Á¦°æ¸Å
ÁÖOOOO
¼Ò¸ê
6 2025³â3¿ù19ÀÏ
¾Ð·ù
±¹
¼Ò¸ê

ÀÓÂ÷ÀÎÇöȲ (¹è´ç¿ä±¸Á¾±âÀÏ: 2025-06-10)

ÀÓÂ÷ÀÎ ¿ëµµ/Á¡À¯ º¸Áõ±Ý/¿ù¼¼ ´ëÇ×·Â
ÀüÀÔÀÏ/È®Á¤ÀÏ ¹è´ç¿ä±¸ ºñ°í
ÁÖOOOOOOO ÀüºÎ 255,000,000
O
2020.11.30.
2020.12.01.
2025.6.2.  
¿ÀOO ÀüºÎ 255,000,000
O
2020.11.30.
2020.12.01.
 
ºñ°í
(¸Å°¢¹°°Ç
¸í¼¼¼­)

¿©ÀÇÁÖ°æ¸Å Á¶¾ð ÇÑ ¸¶µð

¼±¼øÀ§ ÀÓÂ÷±Çµî±â°¡ µÇ¾î ÀÖ½À´Ï´Ù
´ëÇ×·ÂÀÌ ÀÖ´Â ¼±¼øÀ§ ÀÓÂ÷±Çµî±â ±Ç¸®ÀÚ°¡ ¹è´çÀ» Àü¾× ¹ÞÁö ¸øÇÒ °æ¿ì ³«ÂûÀÚ°¡ ÀÜ¿© º¸Áõ±ÝÀ» ÀμöÇØ¾ßÇÏ´Â °æ¿ìµµ ÀÖ½À´Ï´Ù.

ÁÖÀÇ»çÇ× (ÃÖ¼±¼øÀ§ ¼³Á¤ÀÏ: 2022.06.07. ¾Ð·ù ¼³Á¤)

¸Å°¢À¸·Î ¼Ò¸êµÇÁö ¾Ê´Â µî±âºÎ±Ç¸®:
¸Å°¢À¸·Î ¼³Á¤µÈ °ÍÀ¸·Î º¸´Â Áö»ó±Ç:
ÀÓÂ÷ÀÎ ¹× ÁÖÅÃÀÓÂ÷±Ç½Â°èÀÎ ÁÖÅõµ½Ãº¸Áõ°ø»ç´Â ¸Å¼öÀο¡ ´ëÇÏ¿© ¹è´ç¹ÞÁö ¸øÇÏ´Â Àܾ׿¡ ´ëÇÑ ÀÓ´ëÂ÷º¸Áõ±Ý ¹Ýȯ û±¸±ÇÀ» Æ÷±âÇϰí, ÀÓÂ÷±Çµî±â¸¦ ¸»¼ÒÇÏ´Â °ÍÀ» Á¶°ÇÀ¸·Î ¸Å°¢
¡Ø¹Ì³³°ü¸®ºñ(°ø¿ë) Àμö¿©ºÎ¸¦ ÀÔÂû Àü¿¡ È®ÀÎÇϽñ⠹ٶø´Ï´Ù

 

Áö¿ªºÐ¼®

ÁöÇÏö¸í Á÷¼±°Å¸®

Çб³¸í ÀüÈ­¹øÈ£ ÁÖ¼Ò Á÷¼±°Å¸®

¹ý¿ø

¼­¿ï³²ºÎÁö¹æ¹ý¿ø (080-88)¼­¿ïƯº°½Ã ¾çõ±¸ ½Å¿ù·Î 386(½ÅÁ¤µ¿)
´ëÇ¥ : 02)2192-1114
°üÇÒÁö¿ª : ¿µµîÆ÷±¸, °­¼­±¸, ¾çõ±¸, ±¸·Î±¸, ±Ýõ±¸

µî±â¼Ò ¼­¿ï³²ºÎÁö¹æ¹ý¿ø º»¿ø µî±â±¹ (´ëÇ¥:1544-0773, ÆÑ½º:(02)2629-7307, ¼­¿ïƯº°½Ã ¿µµîÆ÷±¸ °æÀηΠ772 (¹®·¡µ¿ 1°¡))
¼¼¹«¼­ °­¼­¼¼¹«¼­ (´ëÇ¥:02-2630-42, ÆÑ½º:02-2679-8777, ¼­¿ïƯº°½Ã °­¼­±¸ ¸¶°î¼­1·Î 60 (¸¶°îµ¿))

Àαٳ«ÂûÅë°è

±â°£ ¸Å°¢°Ç¼ö Æò±Õ°¨Á¤°¡
Æò±Õ¸Å°¢°¡
¸Å°¢°¡À²
Æò±ÕÀ¯Âû¼ö
3°³¿ù 79°Ç 261,012,658¿ø
170,037,969¿ø
66%
2.7ȸ
6°³¿ù 263°Ç 266,082,849¿ø
205,133,247¿ø
77%
2ȸ
12°³¿ù 485°Ç 265,348,019¿ø
214,176,479¿ø
81%
1.8ȸ


º» °æ¸ÅÁ¤º¸´Â ¹ý¿øÀÚ·á¿Í ÀÏÄ¡Çϵµ·Ï ÇÏ¿´À¸³ª ±Ç¸®»çÇ׺¯µ¿, ÀÔ·ÂÂø¿À µîÀÇ ¿øÀÎÀ¸·Î »ç½Ç°ú ´Ù¸¦ ¼ö ÀÖ½À´Ï´Ù. ÀÌ¿ë¾à°ü¿¡ ÀǰЏéÃ¥Á¶°ÇÀ¸·Î Á¦°øµÊÀ» ¾Ë¸®¸ç, °æ¸ÅÀÔÂû½Ã ¹Ýµå½Ã °ü·Ã °øºÎ¸¦ ÀçÈ®ÀÎÇϽñ⠹ٶø´Ï´Ù. º¸´Ù Æí¸®ÇÑ °æ¸ÅÁ¤º¸ Á¦°øÀ» À§ÇØ Áö¼ÓÀûÀ¸·Î °³¼±ÇϰڽÀ´Ï´Ù. ÀÌ¿ëÇØ Áּż­ °¨»çÇÕ´Ï´Ù.