·Î±×ÀÎ
1065
´Ù¼¼´ë(ºô¶ó)
ÀÎõÁö¹æ¹ý¿ø
 °¨Á¤°¡146,000,000 ¿ø
 ÃÖÀú°¡(70%) 102,200,000 ¿ø
 º¸Áõ±Ý(10%) 10,220,000 ¿ø
 Ã»±¸¾×127,000,000 ¿ø
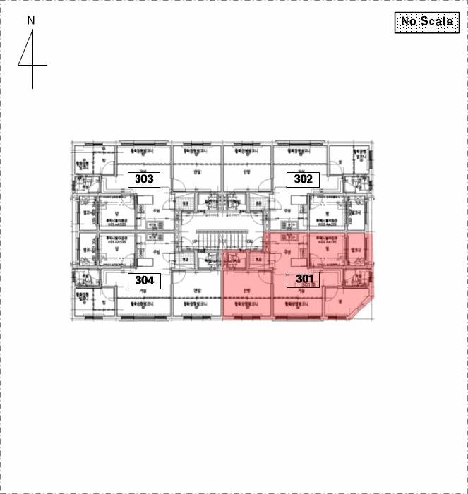
ÀÎõ±¤¿ª½Ã ¼­±¸ °Ë¾Ïµ¿ 676-11 101µ¿ 3Ãþ301È£
»ç°Ç¹øÈ£ 2025Ÿ°æ509091
°æ¸ÅÁ¾·ùºÎµ¿»ê°­Á¦°æ¸Å
¸Å°¢´ë»óÅäÁö ¹× °Ç¹°Àϰý ¸Å°¢
¸Å°¢±âÀÏ    2026.03.19(¸ñ) 10:00 ÀÔÂû 26ÀÏÀü    
ÅäÁö¸éÀû27.72§³(8.39 Æò)
°Ç¹°¸éÀû38.62§³(11.68 Æò)
乫/¼ÒÀ¯ÀÚ±ÇOO / ±ÇOO
ä±ÇÀÚÁÖOOOOOOO
ÆäÀ̽ººÏ Æ®À§ÅÍ ±¸±Û+
īī¿À½ºÅ丮
īī¿ÀÅå sms¹®ÀÚº¸³»±â
 

±âÀϳ»¿ª

°æ°ú ³¯Â¥ Àú°¨ ÃÖÀú°¡ °á°ú
Á¢¼öÀÏ 2025-05-01 °æ¸ÅÁ¢¼ö
~6ÀÏ 
2025-05-07 °æ¸Å°³½Ã°áÁ¤
~88ÀÏ 
2025-07-28 ¹è´ç¿ä±¸Á¾±âÀÏ
~203ÀÏ 
2025-11-20 100%
146,000,000
À¯Âû
~235ÀÏ 
2025-12-22 70%
102,200,000
¸Å°¢
³«Âû°¡ 105,590,900 (72%)
~274ÀÏ 
2026-01-30 ¹Ì³³
~322ÀÏ 
2026-03-19 70%
102,200,000
ÁøÇà
¹°°Ç¸í¼¼¼­ ÇöȲÁ¶»ç¼­ ¹®°ÇÁ¢¼ö ¼Û´Þ³»¿ª

°¨Á¤Æò°¡ÇöȲ

¸ñ·Ï ÁÖ¼Ò ±¸Á¶/¿ëµµ/´ëÁö±Ç ¸éÀû ºñ°í
´ëÁö±Ç
°Ë¾Ïµ¿ 676-11 848.2ºÐÀÇ 27.72 27.72 §³
(8.39Æò)
°Ç¹°
°Ë¾Ïµ¿ 676-11 101µ¿ 3Ãþ301È£ ö±ÙÄÜÅ©¸®Æ®Á¶ 38.62 §³
(11.68Æò)
1) À§Ä¡/Á¦2Á¾ÀϹÝÁÖ°ÅÁö¿ª/Áö±¸´ÜÀ§°èȹ±¸¿ª/ö±ÙÄÜÅ©¸®Æ®Á¶ ´õº¸±â
°¨Á¤Æò°¡ ¿äÇ×Ç¥
1)À§Ä¡ ¹× ÁÖÀ§È¯°æ
º»°ÇÀº ÀÎõ±¤¿ª½Ã ¼­±¸ °Ë¾Ïµ¿ ¼ÒÀç ""°£Àç¿ïÃʵîÇб³"" ³²Ãø Àαٿ¡ À§Ä¡Çϸç, ÁÖÀ§ÀÏ´ë´Â
µ¿·ùÇüÀÇ °øµ¿ÁÖÅà ¹× ±Ù¸°»ýȰ½Ã¼³ µîÀÌ È¥ÀçÇÏ´Â Áö¿ªÀ¸·Î Á¦¹Ý ÁÖÀ§¿©°Ç º¸Åë½ÃµÊ.
2)±³Åë»óȲ
º»°Ç±îÁö Â÷·®ÃâÀÔÀÌ ¿ëÀÌÇϸç, Àαٿ¡ ´Ù¼öÀÇ ½Ã³»¹ö½º ³ë¼±ÀÌ Åë°úÇÏ´Â µî
Á¦¹Ý ´ëÁß±³Åë »çÁ¤ ¹«³­ÇÑ ÆíÀÓ.
3)°Ç¹°ÀÇ ±¸Á¶
ö±ÙÄÜÅ©¸®Æ®Á¶ (ö±Ù)ÄÜÅ©¸®Æ®ÁöºØ 5Ãþ °Ç¹°³»ÀÇ Á¦3Ãþ Á¦301È£·Î¼­,
(»ç¿ë½ÂÀÎÀÏ : 2012.07.13.)
¿Üº® : ¼®Àç ºÙÀÓ ¹× µå¶óÀ̺ñÆ® ¸¶°¨
³»º® : º®Áö ¹× ÀϺΠŸÀÏ µî ¸¶°¨
âȣ : ÇÏÀÌ»õ½Ã ÀÌÁßâȣÀÓ.
4)ÀÌ¿ë»óÅÂ
ÇöȲ ""´ÜÁöÇü´Ù¼¼´ëÁÖÅÃ""À¸·Î ÀÌ¿ëÁßÀÓ.
(º°Áö ""³»ºÎ±¸Á¶µµ"" ÂüÁ¶)
5)¼³ºñ³»¿ª
±âº»ÀûÀÎ À§»ý¼³ºñ ¹× ±Þ¹è¼ö¼³ºñ, ³­¹æ¼³ºñ µî ¼³ºñ µÇ¾î ÀÖÀ½.
6)ÅäÁöÀÇ Çü»ó ¹× ÀÌ¿ë»óÅÂ
´ë·« Á¤¹æÇüÀÇ ÅäÁö·Î¼­ ÀÎÁ¢Áö´ë¿Í µî°í ÆòźÇϸç, ´ÜÁöÇü´Ù¼¼´ëÁÖÅÃÀÇ °ÇºÎÁö·Î
ÀÌ¿ëÁßÀÓ.
7)ÀÎÁ¢ µµ·Î»óŵî
º»°Ç µ¿Ãø ¹× ³²ÃøÀ¸·Î ·ÎÆø ¾à18¹ÌÅÍ ³»¿Ü, ¼­ÃøÀ¸·Î ·ÎÆø ¾à 8¹ÌÅÍÀÇ Æ÷Àåµµ·Î¿¡
°¢°¢ Á¢Çϰí ÀÖÀ½.
8)ÅäÁöÀÌ¿ë°èȹ ¹× Á¦ÇÑ»óÅÂ
Á¦2Á¾ÀϹÝÁÖ°ÅÁö¿ª, Áö±¸´ÜÀ§°èȹ±¸¿ª(°Ë¾Ï1±¸È¹Á¤¸®), µµ·Î(Á¢ÇÕ), °¡Ãà»çÀ°Á¦Çѱ¸¿ª
(ÀÎõ±¤¿ª½Ã ¼­±¸Á¶·Ê Á¦1749È£ )<°¡ÃàºÐ´¢ÀÇ °ü¸® ¹× À̿뿡 °üÇÑ ¹ý·ü>,
»ó´ëº¸È£±¸¿ª<±³À°È¯°æ º¸È£¿¡ °üÇÑ ¹ý·ü>, °ú¹Ð¾ïÁ¦±Ç¿ª(°ú¹Ð¾ïÁ¦±Ç¿ª)
<¼öµµ±ÇÁ¤ºñ°èȹ¹ý>.
9)°øºÎ¿ÍÀÇ Â÷ÀÌ
¾ø À½.
10)±âŸÂü°í»çÇ×(ÀÓ´ë°ü·Ê ¹× ±âŸ)
ÇöÀåÁ¶»ç½Ã ÀÌÇØ°ü°èÀÎ ºÎÀç µîÀ¸·Î ÀÓ´ë°ü°è ¹Ì»óÀ̸ç, °Ç¹°ÀÇ ³»ºÎÇöȲÀº ޹®Á¶»ç ¹×
ÁýÇÕ°ÇÃ๰´ëÀå»óÀÇ °ÇÃ๰ÇöȲµµ(³»ºÎ±¸Á¶µµ)¿Í Åë»óÀûÀÎ ÀÌ¿ë»óÅ µîÀ» Âü°íÇÏ¿´À½.
Âü°í
»çÇ×

º»°Ç ºÎµ¿»êÀº ÁÖ¼ÒÁöÀÇ

°ÇÃ๰ÇöȲ

¼ÒÀçÁö ÀÎõ±¤¿ª½Ã ¼­±¸ °Ë¾Ïµ¿ 676-11¹øÁö
´ëÁö¸éÀû   ¿¬¸éÀû 697.18§³
(211.27Æò)
°ÇÃà¸éÀû 249.98§³
(75.75Æò)
¿ëÀû·ü»êÁ¤
¿¬¸éÀû
697.18§³
(211.27Æò)
°ÇÆóÀ²   ¿ëÀû·ü  
Áö»óÃþ¼ö 5Ãþ ÁöÇÏÃþ¼ö  
ÁÖ¿ëµµ °øµ¿ÁÖÅà ±¸Á¶ ö±ÙÄÜÅ©¸®Æ®±¸Á¶
Âø°øÀÏÀÚ 2011.10.26 »ç¿ë½ÂÀÎÀÏÀÚ 2012.07.13
°ÇÃ๰Ãþº°ÇöȲ [º¸±â]


±¹ÅäºÎ½Ç°Å·¡°¡ ÀÎõ±¤¿ª½Ã ¼­±¸ °Ë¾Ïµ¿

¡Ü ¸Å¸Å

¸éÀû(§³), ±Ý¾×(¸¸¿ø)

¡Ü Àü¼¼

¸éÀû(§³), ±Ý¾×(¸¸¿ø)

°è¾àÀϰǹ°¸íĪÃþ¿¬¸éÀûº¸Áõ±Ý¿ù¼¼°ÇÃà
26.02.11½ºÆäÀ̽ººô1µ¿232.418,7002010
26.02.11ºÎ°æÄ³½½3Â÷Aµ¿Bµ¿348.652,000702012
26.02.08º£¸£µ¥Èú(525-5)252.3610,000302015
26.02.08½ºÆäÀ̽ººô°¡µ¿³ªµ¿447.4713,05092011
26.02.05¹«Áö°³¿¬¸³¸¶µ¿355.626,40001986
¢Ñ ´õº¸±â

µî±âºÎµîº» ¿ä¾à(°Ç¹°)

  Á¢¼öÀÏÀÚ µî±â¸ñÀû/±Ç¸®ÀÚ ±Ç¸®±Ý¾× ±âÁØ
1 2021³â8¿ù30ÀÏ
¼ÒÀ¯±Ç
±ÇOO
¼Ò¸ê
2 2022³â9¿ù20ÀÏ
°¡¾Ð·ù
ÁÖOOOO
2,071,000,000 ¼Ò¸ê±âÁØ
3 2022³â9¿ù30ÀÏ
¾Ð·ù
±¹
¼Ò¸ê
4 2023³â2¿ù10ÀÏ
ÀÓÂ÷±Ç¼³Á¤
ÀÌOO
127,000,000 ¼Ò¸ê
5 2025³â4¿ù2ÀÏ
¾Ð·ù
±¹
¼Ò¸ê
6 2025³â5¿ù7ÀÏ
°­Á¦°æ¸Å
ÁÖOOOO
¼Ò¸ê

ÀÓÂ÷ÀÎÇöȲ (¹è´ç¿ä±¸Á¾±âÀÏ: 2025-07-28)

ÀÓÂ÷ÀÎ ¿ëµµ/Á¡À¯ º¸Áõ±Ý/¿ù¼¼ ´ëÇ×·Â
ÀüÀÔÀÏ/È®Á¤ÀÏ ¹è´ç¿ä±¸ ºñ°í
ÀÌOO ÀüºÎ 127,000,000
O
2021.08.09.
2021.07.14.
2021.08.09.
ÁÖOOOOOOOOOOOOOOOO ÀüºÎ 127,000,000
O
2021..08.09.
2021.07.14.
2025.6.26. 2021.08.09.~2023.04.11.
ºñ°í
(¸Å°¢¹°°Ç
¸í¼¼¼­)
À̼ö¿¬ : ÁÖÅÃÀÓÂ÷±Çµî±â±Ç¸®Àڷμ­ ÁÖÅÃÀÓÂ÷±Çµî±âÀÏÀº 2023.2.10.ÀÓ ÁÖÅõµ½Ãº¸Áõ°ø»ç(ÀÓÂ÷ÀÎ:À̼ö¿¬) : ÀÓÂ÷ÀÎ À̼ö¿¬ÀÇ ÀÓÂ÷º¸Áõ±Ý¹Ýȯä±Ç ¾ç¼öÀÎÀ¸·Î¼­, º¸Áõ±Ý Àü¾×À» ¹è´ç¹ÞÁö ¸øÇÏ´õ¶óµµ

¿©ÀÇÁÖ°æ¸Å Á¶¾ð ÇÑ ¸¶µð

¼±¼øÀ§ ÀÓÂ÷±Çµî±â°¡ µÇ¾î ÀÖ½À´Ï´Ù
´ëÇ×·ÂÀÌ ÀÖ´Â ¼±¼øÀ§ ÀÓÂ÷±Çµî±â ±Ç¸®ÀÚ°¡ ¹è´çÀ» Àü¾× ¹ÞÁö ¸øÇÒ °æ¿ì ³«ÂûÀÚ°¡ ÀÜ¿© º¸Áõ±ÝÀ» ÀμöÇØ¾ßÇÏ´Â °æ¿ìµµ ÀÖ½À´Ï´Ù.

ÁÖÀÇ»çÇ× (ÃÖ¼±¼øÀ§ ¼³Á¤ÀÏ: 2022.09.20. °¡¾Ð·ù ¼³Á¤)

¸Å°¢À¸·Î ¼Ò¸êµÇÁö ¾Ê´Â µî±âºÎ±Ç¸®: À»±¸ ¼øÀ§ 5¹ø ÁÖÅÃÀÓÂ÷±Çµî±â(´Ù¸¸, ÁÖÅõµ½Ãº¸Áõ°ø»çÀÇ ¸»¼Òµ¿ÀÇ È®¾à¼­°¡ Á¦Ãâ µÊ)
¸Å°¢À¸·Î ¼³Á¤µÈ °ÍÀ¸·Î º¸´Â Áö»ó±Ç:
¡Ø¹Ì³³°ü¸®ºñ(°ø¿ë) Àμö¿©ºÎ¸¦ ÀÔÂû Àü¿¡ È®ÀÎÇϽñ⠹ٶø´Ï´Ù

 

Áö¿ªºÐ¼®

ÁöÇÏö¸í Á÷¼±°Å¸®

Çб³¸í ÀüÈ­¹øÈ£ ÁÖ¼Ò Á÷¼±°Å¸®

¹ý¿ø

ÀÎõÁö¹æ¹ý¿ø (222-20)ÀÎõ±¤¿ª½Ã ¹ÌÃßȦ±¸ ¼Ò¼º·Î 163¹ø±æ 17(ÇÐÀ͵¿)
´ëÇ¥ : 032)860-1113~4
°üÇÒÁö¿ª : Áß±¸, µ¿±¸, ³²±¸, ¿¬¼ö±¸, ³²µ¿±¸, ºÎÆò±¸, °è¾ç±¸, ¼­±¸, ¿ËÁø±º, °­È­±º

µî±â¼Ò ÀÎõÁö¹æ¹ý¿ø º»¿ø µî±â±¹ (´ëÇ¥:1544-0773, ÆÑ½º:(032)620-9099, ÀÎõ±¤¿ª½Ã ¹ÌÃßȦ±¸ °æ¿ø´ë·Î 881(Á־ȵ¿ 983))
¼¼¹«¼­ ¼­ÀÎõ¼¼¹«¼­ (´ëÇ¥:032-560-52, ÆÑ½º:032-561-5777, ÀÎõ±¤¿ª½Ã ¼­±¸ ¼­°ù·Î369¹ø±æ 17 (¿¬Èñµ¿))

Àαٳ«ÂûÅë°è

±â°£ ¸Å°¢°Ç¼ö Æò±Õ°¨Á¤°¡
Æò±Õ¸Å°¢°¡
¸Å°¢°¡À²
Æò±ÕÀ¯Âû¼ö
3°³¿ù 78°Ç 149,878,154¿ø
97,365,373¿ø
65%
2ȸ
6°³¿ù 193°Ç 153,603,606¿ø
102,867,751¿ø
67%
2ȸ
12°³¿ù 371°Ç 154,852,535¿ø
103,934,490¿ø
67%
2ȸ


º» °æ¸ÅÁ¤º¸´Â ¹ý¿øÀÚ·á¿Í ÀÏÄ¡Çϵµ·Ï ÇÏ¿´À¸³ª ±Ç¸®»çÇ׺¯µ¿, ÀÔ·ÂÂø¿À µîÀÇ ¿øÀÎÀ¸·Î »ç½Ç°ú ´Ù¸¦ ¼ö ÀÖ½À´Ï´Ù. ÀÌ¿ë¾à°ü¿¡ ÀǰЏéÃ¥Á¶°ÇÀ¸·Î Á¦°øµÊÀ» ¾Ë¸®¸ç, °æ¸ÅÀÔÂû½Ã ¹Ýµå½Ã °ü·Ã °øºÎ¸¦ ÀçÈ®ÀÎÇϽñ⠹ٶø´Ï´Ù. º¸´Ù Æí¸®ÇÑ °æ¸ÅÁ¤º¸ Á¦°øÀ» À§ÇØ Áö¼ÓÀûÀ¸·Î °³¼±ÇϰڽÀ´Ï´Ù. ÀÌ¿ëÇØ Áּż­ °¨»çÇÕ´Ï´Ù.