·Î±×ÀÎ
68
´Ù¼¼´ë(ºô¶ó)
ÀÎõÁö¹æ¹ý¿ø ºÎõÁö¿ø
 °¨Á¤°¡142,000,000 ¿ø
 ÃÖÀú°¡(49%) 69,580,000 ¿ø
 º¸Áõ±Ý(10%) 6,958,000 ¿ø
 Ã»±¸¾×139,000,000 ¿ø
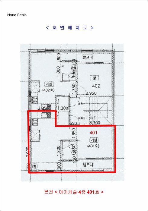
°æ±âµµ ºÎõ½Ã ¿ø¹Ì±¸ Áßµ¿ 898-11 ¾ÆÀÌij½½ 4Ãþ 401È£
»ç°Ç¹øÈ£ 2025Ÿ°æ32500
°æ¸ÅÁ¾·ùºÎµ¿»ê°­Á¦°æ¸Å
¸Å°¢´ë»óÅäÁö ¹× °Ç¹°Àϰý ¸Å°¢
¸Å°¢±âÀÏ    2026.01.20(È­) 10:00 ÀÔÂû 41ÀÏÀü    
ÅäÁö¸éÀû17.30§³(5.23 Æò)
°Ç¹°¸éÀû28.48§³(8.62 Æò)
乫/¼ÒÀ¯ÀÚÀ±OO / À±OO
ä±ÇÀÚ¹ÚOO
ÆäÀ̽ººÏ Æ®À§ÅÍ ±¸±Û+
īī¿À½ºÅ丮
īī¿ÀÅå sms¹®ÀÚº¸³»±â
 

±âÀϳ»¿ª

°æ°ú ³¯Â¥ Àú°¨ ÃÖÀú°¡ °á°ú
Á¢¼öÀÏ 2025-02-05 °æ¸ÅÁ¢¼ö
~1ÀÏ 
2025-02-06 °æ¸Å°³½Ã°áÁ¤
~82ÀÏ 
2025-04-28 ¹è´ç¿ä±¸Á¾±âÀÏ
~272ÀÏ 
2025-11-04 100%
142,000,000
À¯Âû
~307ÀÏ 
2025-12-09 70%
99,400,000
À¯Âû
~349ÀÏ 
2026-01-20 49%
69,580,000
ÁøÇà
¹°°Ç¸í¼¼¼­ ÇöȲÁ¶»ç¼­ ¹®°ÇÁ¢¼ö ¼Û´Þ³»¿ª

°¨Á¤Æò°¡ÇöȲ

¸ñ·Ï ÁÖ¼Ò ±¸Á¶/¿ëµµ/´ëÁö±Ç ¸éÀû ºñ°í
´ëÁö±Ç
Áßµ¿ 898-11 139.7ºÐÀÇ 17.3 17.3 §³
(5.23Æò)
°Ç¹°
Áßµ¿ 898-11 4Ãþ 401È£ ö±ÙÄÜÅ©¸®Æ®±¸Á¶ 28.48 §³
(8.62Æò)

°ÇÃ๰ÇöȲ

¼ÒÀçÁö °æ±âµµ ºÎõ½Ã ¿ø¹Ì±¸ Áßµ¿ 898-11¹øÁö
´ëÁö¸éÀû 139.7§³
(42.33Æò)
¿¬¸éÀû 279.26§³
(84.62Æò)
°ÇÃà¸éÀû 81§³
(24.55Æò)
¿ëÀû·ü»êÁ¤
¿¬¸éÀû
279.26§³
(84.62Æò)
°ÇÆóÀ² 57.98% ¿ëÀû·ü 199.9%
Áö»óÃþ¼ö 5Ãþ ÁöÇÏÃþ¼ö  
ÁÖ¿ëµµ °øµ¿ÁÖÅà ±¸Á¶ ö±ÙÄÜÅ©¸®Æ®±¸Á¶
Âø°øÀÏÀÚ 2013.11.15 »ç¿ë½ÂÀÎÀÏÀÚ 2014.04.02
°ÇÃ๰Ãþº°ÇöȲ [º¸±â]


µî±âºÎµîº» ¿ä¾à(°Ç¹°)

  Á¢¼öÀÏÀÚ µî±â¸ñÀû/±Ç¸®ÀÚ ±Ç¸®±Ý¾× ±âÁØ
1 2022³â2¿ù21ÀÏ
¼ÒÀ¯±Ç
˱OO
¼Ò¸ê
2 2022³â5¿ù19ÀÏ
¾Ð·ù
±¹
¼Ò¸ê±âÁØ
3 2023³â5¿ù15ÀÏ
¾Ð·ù
±¹
¼Ò¸ê
4 2024³â8¿ù27ÀÏ
ÀÓÂ÷±Ç¼³Á¤
¹ÚOO
139,000,000 ¼Ò¸ê
5 2025³â2¿ù6ÀÏ
°­Á¦°æ¸Å
¹ÚOO
¼Ò¸ê
6 2025³â4¿ù7ÀÏ
¾Ð·ù
±¹
¼Ò¸ê

ÀÓÂ÷ÀÎÇöȲ (¹è´ç¿ä±¸Á¾±âÀÏ: 2025-04-28)

ÀÓÂ÷ÀÎ ¿ëµµ/Á¡À¯ º¸Áõ±Ý/¿ù¼¼ ´ëÇ×·Â
ÀüÀÔÀÏ/È®Á¤ÀÏ ¹è´ç¿ä±¸ ºñ°í
¹ÚOO ÀüºÎ 139,000,000
O
2022.02.21.
2022.01.17.
2025.2.10. 2022.02.21.-2024.02.20.
ºñ°í
(¸Å°¢¹°°Ç
¸í¼¼¼­)
¹ÚÇöÁØ : ½Åûä±ÇÀÚ °â ÁÖÅÃÀÓÂ÷±Çµî±â±ÇÀڷμ­ ÁÖÅÃÀÓÂ÷±Ç µî±âÀÏÀº 2024.08.27.ÀÓ.

¿©ÀÇÁÖ°æ¸Å Á¶¾ð ÇÑ ¸¶µð

¼±¼øÀ§ ÀÓÂ÷±Çµî±â°¡ µÇ¾î ÀÖ½À´Ï´Ù
´ëÇ×·ÂÀÌ ÀÖ´Â ¼±¼øÀ§ ÀÓÂ÷±Çµî±â ±Ç¸®ÀÚ°¡ ¹è´çÀ» Àü¾× ¹ÞÁö ¸øÇÒ °æ¿ì ³«ÂûÀÚ°¡ ÀÜ¿© º¸Áõ±ÝÀ» ÀμöÇØ¾ßÇÏ´Â °æ¿ìµµ ÀÖ½À´Ï´Ù.

ÁÖÀÇ»çÇ× (ÃÖ¼±¼øÀ§ ¼³Á¤ÀÏ: 2022.05.19. ¾Ð·ù ¼³Á¤)

¸Å°¢À¸·Î ¼Ò¸êµÇÁö ¾Ê´Â µî±âºÎ±Ç¸®: ¸Å¼öÀο¡°Ô ´ëÇ×ÇÒ ¼ö ÀÖ´Â À»±¸ ¼øÀ§ 6¹ø ÁÖÅÃÀÓÂ÷±Çµî±â(2024.08.27. µî±â)°¡ ÀÖÀ½. ¹è´ç¿¡¼­ º¸Áõ±ÝÀÌ Àü¾× º¯Á¦µÇÁö ¾Æ´ÏÇÏ ¸é Àܾ×À» ¸Å¼öÀÎÀÌ ÀμöÇÔ.
¸Å°¢À¸·Î ¼³Á¤µÈ °ÍÀ¸·Î º¸´Â Áö»ó±Ç:
´Ù¼¼´ëÁÖÅÃ(µµ½ÃÇü»ýȰÁÖÅÃ-¿ø·ëÇü)
¡Ø¹Ì³³°ü¸®ºñ(°ø¿ë) Àμö¿©ºÎ¸¦ ÀÔÂû Àü¿¡ È®ÀÎÇϽñ⠹ٶø´Ï´Ù

 

Áö¿ªºÐ¼®

ÁöÇÏö¸í Á÷¼±°Å¸®

Çб³¸í ÀüÈ­¹øÈ£ ÁÖ¼Ò Á÷¼±°Å¸®

¹ý¿ø

ÀÎõÁö¹æ¹ý¿ø ºÎõÁö¿ø (146-02)°æ±âµµ ºÎõ½Ã ¿ø¹Ì±¸ »óÀÏ·Î 129(»óµ¿)
´ëÇ¥ : 032)320-1114, ¹Î¿ø : 032)320-1234
°üÇÒÁö¿ª : ºÎõ½Ã, ±èÆ÷½Ã

µî±â¼Ò ÀÎõÁö¹æ¹ý¿ø ºÎõÁö¿ø µî±â°ú (´ëÇ¥:1544-0773, ÆÑ½º:(032)320-1484, 320-1485, °æ±âµµ ºÎõ½Ã »óÀÏ·Î 129 (»óµ¿ 445-1))
¼¼¹«¼­ ¼¼¹«¼­ (´ëÇ¥:, ÆÑ½º:, )

Àαٳ«ÂûÅë°è

±â°£ ¸Å°¢°Ç¼ö Æò±Õ°¨Á¤°¡
Æò±Õ¸Å°¢°¡
¸Å°¢°¡À²
Æò±ÕÀ¯Âû¼ö
3°³¿ù 124°Ç 220,698,992¿ø
171,924,273¿ø
78%
1.4ȸ
6°³¿ù 147°Ç 214,777,551¿ø
168,012,015¿ø
78%
1.5ȸ
12°³¿ù 235°Ç 215,587,234¿ø
167,404,198¿ø
77%
1.4ȸ


º» °æ¸ÅÁ¤º¸´Â ¹ý¿øÀÚ·á¿Í ÀÏÄ¡Çϵµ·Ï ÇÏ¿´À¸³ª ±Ç¸®»çÇ׺¯µ¿, ÀÔ·ÂÂø¿À µîÀÇ ¿øÀÎÀ¸·Î »ç½Ç°ú ´Ù¸¦ ¼ö ÀÖ½À´Ï´Ù. ÀÌ¿ë¾à°ü¿¡ ÀǰЏéÃ¥Á¶°ÇÀ¸·Î Á¦°øµÊÀ» ¾Ë¸®¸ç, °æ¸ÅÀÔÂû½Ã ¹Ýµå½Ã °ü·Ã °øºÎ¸¦ ÀçÈ®ÀÎÇϽñ⠹ٶø´Ï´Ù. º¸´Ù Æí¸®ÇÑ °æ¸ÅÁ¤º¸ Á¦°øÀ» À§ÇØ Áö¼ÓÀûÀ¸·Î °³¼±ÇϰڽÀ´Ï´Ù. ÀÌ¿ëÇØ Áּż­ °¨»çÇÕ´Ï´Ù.