·Î±×ÀÎ
6
¿ÀÇǽºÅÚ
ÀÎõÁö¹æ¹ý¿ø
 °¨Á¤°¡168,000,000 ¿ø
 ÃÖÀú°¡(70%) 117,600,000 ¿ø
 º¸Áõ±Ý(10%) 11,760,000 ¿ø
 Ã»±¸¾×177,000,000 ¿ø
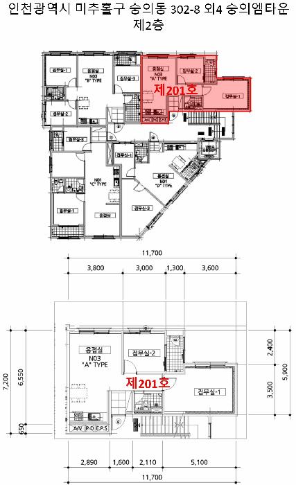
ÀÎõ±¤¿ª½Ã ¹ÌÃßȦ±¸ ¼þÀǵ¿ 302-8 ¼þÀÇ¿¥Å¸¿î 2Ãþ201È£
»ç°Ç¹øÈ£ 2025Ÿ°æ510364
°æ¸ÅÁ¾·ùºÎµ¿»ê°­Á¦°æ¸Å
¸Å°¢´ë»óÅäÁö ¹× °Ç¹°Àϰý ¸Å°¢
¸Å°¢±âÀÏ    2025.11.26(¼ö) 10:00 ÀÔÂû 11ÀÏÀü    
ÅäÁö¸éÀû11.43§³(3.46 Æò)
°Ç¹°¸éÀû59.33§³(17.95 Æò)
乫/¼ÒÀ¯ÀÚÀÌOO / ÀÌOO
ä±ÇÀÚÁÖOOOOOOO
ÆäÀ̽ººÏ Æ®À§ÅÍ ±¸±Û+
īī¿À½ºÅ丮
īī¿ÀÅå sms¹®ÀÚº¸³»±â
 

±âÀϳ»¿ª

°æ°ú ³¯Â¥ Àú°¨ ÃÖÀú°¡ °á°ú
Á¢¼öÀÏ 2025-06-27 °æ¸ÅÁ¢¼ö
~3ÀÏ 
2025-06-30 °æ¸Å°³½Ã°áÁ¤
~67ÀÏ 
2025-09-02 ¹è´ç¿ä±¸Á¾±âÀÏ
~122ÀÏ 
2025-10-27 100%
168,000,000
À¯Âû
~152ÀÏ 
2025-11-26 70%
117,600,000
ÁøÇà
¹°°Ç¸í¼¼¼­ ÇöȲÁ¶»ç¼­ ¹®°ÇÁ¢¼ö ¼Û´Þ³»¿ª

°¨Á¤Æò°¡ÇöȲ

¸ñ·Ï ÁÖ¼Ò ±¸Á¶/¿ëµµ/´ëÁö±Ç ¸éÀû ºñ°í
´ëÁö±Ç
¼þÀǵ¿ 302-8 424.7ºÐÀÇ 11.4268 11.4268 §³
(3.46Æò)
°Ç¹°
¼þÀǵ¿ 302-8 2Ãþ201È£ ö±ÙÄÜÅ©¸®Æ®±¸Á¶ 59.33 §³
(17.95Æò)
Âü°í
»çÇ×

9Ãþ

°ÇÃ๰ÇöȲ

¼ÒÀçÁö ÀÎõ±¤¿ª½Ã ¹ÌÃßȦ±¸ ¼þÀǵ¿ 302-8¹øÁö
´ëÁö¸éÀû 424.7§³
(128.7Æò)
¿¬¸éÀû 3071.25§³
(930.68Æò)
°ÇÃà¸éÀû 332.45§³
(100.74Æò)
¿ëÀû·ü»êÁ¤
¿¬¸éÀû
2620.09§³
(793.97Æò)
°ÇÆóÀ² 78.28% ¿ëÀû·ü 616.93%
Áö»óÃþ¼ö 9Ãþ ÁöÇÏÃþ¼ö 1Ãþ
ÁÖ¿ëµµ ¾÷¹«½Ã¼³ ±¸Á¶ ö±ÙÄÜÅ©¸®Æ®±¸Á¶
Âø°øÀÏÀÚ 2017.12.21 »ç¿ë½ÂÀÎÀÏÀÚ 2018.11.30
°ÇÃ๰Ãþº°ÇöȲ [º¸±â]


±¹ÅäºÎ½Ç°Å·¡°¡ ÀÎõ±¤¿ª½Ã ¹ÌÃßȦ±¸ ¼þÀǵ¿

¡Ü ¸Å¸Å

¸éÀû(§³), ±Ý¾×(¸¸¿ø)

¡Ü Àü¼¼

¸éÀû(§³), ±Ý¾×(¸¸¿ø)

°è¾àÀϰǹ°¸íĪÃþÀü¿ëº¸Áõ±Ý¿ù¼¼°ÇÃà
25.05.02¼þÀÇMŸ¿î879.4712,000302018

µî±âºÎµîº» ¿ä¾à(°Ç¹°)

  Á¢¼öÀÏÀÚ µî±â¸ñÀû/±Ç¸®ÀÚ ±Ç¸®±Ý¾× ±âÁØ
1 2020³â10¿ù23ÀÏ
¼ÒÀ¯±Ç
ÀÌOO
¼Ò¸ê
2 2023³â5¿ù25ÀÏ
¾Ð·ù
±¹
¼Ò¸ê±âÁØ
3 2023³â5¿ù26ÀÏ
°¡¾Ð·ù
ÁÖOOOO
1,011,000,000 ¼Ò¸ê
4 2024³â1¿ù24ÀÏ
¾Ð·ù
¼­OOOO
¼Ò¸ê
5 2024³â8¿ù16ÀÏ
ÀÓÂ÷±Ç¼³Á¤
ÆíOO
169,000,000 ¼Ò¸ê
6 2024³â10¿ù18ÀÏ
¾Ð·ù
¹ÌOOO
¼Ò¸ê
7 2025³â6¿ù30ÀÏ
°­Á¦°æ¸Å
ÁÖOOOO
¼Ò¸ê
8 2025³â7¿ù9ÀÏ
¾Ð·ù
±¹OOOO
¼Ò¸ê

ÀÓÂ÷ÀÎÇöȲ (¹è´ç¿ä±¸Á¾±âÀÏ: 2025-09-02)

ÀÓÂ÷ÀÎ ¿ëµµ/Á¡À¯ º¸Áõ±Ý/¿ù¼¼ ´ëÇ×·Â
ÀüÀÔÀÏ/È®Á¤ÀÏ ¹è´ç¿ä±¸ ºñ°í
ÁÖOOOOOOOOOOOOOOO ÀüºÎ 177,000,000
O
2020. 8. 27.
2020. 8. 11.
2025. 9. 2. 2020. 8. 27.~2024. 8. 26.
ÆíOO 177,000,000
O
2020. 8. 27.
2020. 8. 11.
2020. 8. 27.~
ºñ°í
(¸Å°¢¹°°Ç
¸í¼¼¼­)
- ÆíÁöÀº: ÁÖÅÃÀÓÂ÷±Çµî±â±ÇÀڷμ­ ÁÖÅÃÀÓÂ÷±Çµî±âÀÏÀº 2024. 8. 16. ÀÓ º¸Áõ±Ý 177,000,000¿ø Áß 8,000,000¿øÀº 2022. 8. 20. Áõ¾×µÇ¾úÀ¸¸ç, Áõ¾×µÈ ºÎºÐ¿¡ ´ëÇÑ È®Á¤ÀÏÀÚ´Â 2022. 8. 25. ÀÓ - ÁÖÅõµ½Ãº¸Áõ°ø»ç(ÀÓÂ÷ÀÎ ÆíÁöÀº): °æ¸Å½Åû±ÇÀÚÀ̸ç ÁÖÅÃÀÓ´ëÂ÷º¸È£¹ý Á¦3Á¶ÀÇ 2 Á¦7Ç× Á¦9È£ÀÇ ±â°üÀ¸·Î ÀÓÂ÷ÀÎ ÆíÁöÀºÀ¸

¿©ÀÇÁÖ°æ¸Å Á¶¾ð ÇÑ ¸¶µð

¼±¼øÀ§ ÀÓÂ÷±Çµî±â°¡ µÇ¾î ÀÖ½À´Ï´Ù
´ëÇ×·ÂÀÌ ÀÖ´Â ¼±¼øÀ§ ÀÓÂ÷±Çµî±â ±Ç¸®ÀÚ°¡ ¹è´çÀ» Àü¾× ¹ÞÁö ¸øÇÒ °æ¿ì ³«ÂûÀÚ°¡ ÀÜ¿© º¸Áõ±ÝÀ» ÀμöÇØ¾ßÇÏ´Â °æ¿ìµµ ÀÖ½À´Ï´Ù.

ÁÖÀÇ»çÇ× (ÃÖ¼±¼øÀ§ ¼³Á¤ÀÏ: 2023. 5. 25. ¾Ð·ù ¼³Á¤)

¸Å°¢À¸·Î ¼Ò¸êµÇÁö ¾Ê´Â µî±âºÎ±Ç¸®: À»±¸ ¼øÀ§ 1¹ø ÁÖÅÃÀÓÂ÷±Çµî±â(´Ù¸¸ ÁÖÅõµ½Ãº¸Áõ°ø»çÀÇ ¸»¼Òµ¿ÀÇ È®¾à¼­°¡ Á¦ÃâµÊ)
¸Å°¢À¸·Î ¼³Á¤µÈ °ÍÀ¸·Î º¸´Â Áö»ó±Ç:
¡Ø¹Ì³³°ü¸®ºñ(°ø¿ë) Àμö¿©ºÎ¸¦ ÀÔÂû Àü¿¡ È®ÀÎÇϽñ⠹ٶø´Ï´Ù

 

Áö¿ªºÐ¼®

ÁöÇÏö¸í Á÷¼±°Å¸®

Çб³¸í ÀüÈ­¹øÈ£ ÁÖ¼Ò Á÷¼±°Å¸®

¹ý¿ø

ÀÎõÁö¹æ¹ý¿ø (222-20)ÀÎõ±¤¿ª½Ã ¹ÌÃßȦ±¸ ¼Ò¼º·Î 163¹ø±æ 17(ÇÐÀ͵¿)
´ëÇ¥ : 032)860-1113~4
°üÇÒÁö¿ª : Áß±¸, µ¿±¸, ³²±¸, ¿¬¼ö±¸, ³²µ¿±¸, ºÎÆò±¸, °è¾ç±¸, ¼­±¸, ¿ËÁø±º, °­È­±º

µî±â¼Ò ÀÎõÁö¹æ¹ý¿ø º»¿ø µî±â±¹ (´ëÇ¥:1544-0773, ÆÑ½º:(032)620-9099, ÀÎõ±¤¿ª½Ã ¹ÌÃßȦ±¸ °æ¿ø´ë·Î 881(Á־ȵ¿ 983))
¼¼¹«¼­ ÀÎõ¼¼¹«¼­ (´ëÇ¥:032-770-02, ÆÑ½º:032-777-8104, ÀÎõ±¤¿ª½Ã µ¿±¸ ¿ì°¢·Î 75 (⿵µ¿))

Àαٳ«ÂûÅë°è

±â°£ ¸Å°¢°Ç¼ö Æò±Õ°¨Á¤°¡
Æò±Õ¸Å°¢°¡
¸Å°¢°¡À²
Æò±ÕÀ¯Âû¼ö
3°³¿ù 172°Ç 209,380,814¿ø
132,027,759¿ø
63%
2ȸ
6°³¿ù 398°Ç 205,070,779¿ø
125,404,790¿ø
60%
2.4ȸ
12°³¿ù 632°Ç 211,437,215¿ø
134,244,007¿ø
63%
2.1ȸ


º» °æ¸ÅÁ¤º¸´Â ¹ý¿øÀÚ·á¿Í ÀÏÄ¡Çϵµ·Ï ÇÏ¿´À¸³ª ±Ç¸®»çÇ׺¯µ¿, ÀÔ·ÂÂø¿À µîÀÇ ¿øÀÎÀ¸·Î »ç½Ç°ú ´Ù¸¦ ¼ö ÀÖ½À´Ï´Ù. ÀÌ¿ë¾à°ü¿¡ ÀǰЏéÃ¥Á¶°ÇÀ¸·Î Á¦°øµÊÀ» ¾Ë¸®¸ç, °æ¸ÅÀÔÂû½Ã ¹Ýµå½Ã °ü·Ã °øºÎ¸¦ ÀçÈ®ÀÎÇϽñ⠹ٶø´Ï´Ù. º¸´Ù Æí¸®ÇÑ °æ¸ÅÁ¤º¸ Á¦°øÀ» À§ÇØ Áö¼ÓÀûÀ¸·Î °³¼±ÇϰڽÀ´Ï´Ù. ÀÌ¿ëÇØ Áּż­ °¨»çÇÕ´Ï´Ù.