·Î±×ÀÎ
20
¿ÀÇǽºÅÚ
ÀÎõÁö¹æ¹ý¿ø
 °¨Á¤°¡255,000,000 ¿ø
 ÃÖÀú°¡(70%) 178,500,000 ¿ø
 º¸Áõ±Ý(10%) 17,850,000 ¿ø
 Ã»±¸¾×232,000,000 ¿ø
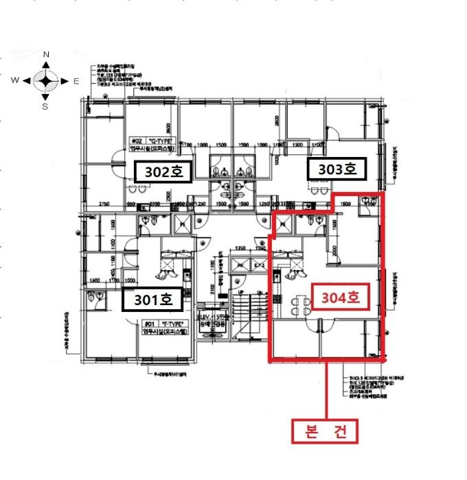
ÀÎõ±¤¿ª½Ã °è¾ç±¸ ±îÄ¡¸»·Î6¹ø±æ 28, 3µ¿ 3Ãþ304È£ (ÀÛÀüµ¿,¾î¹Ý½ºÄ«ÀÌ)
ÀÎõ±¤¿ª½Ã °è¾ç±¸ ÀÛÀüµ¿ 679-10
»ç°Ç¹øÈ£ 2024Ÿ°æ572032
°æ¸ÅÁ¾·ùºÎµ¿»ê°­Á¦°æ¸Å
¸Å°¢´ë»óÅäÁö ¹× °Ç¹°Àϰý ¸Å°¢
¸Å°¢±âÀÏ    2025.11.21(±Ý) 10:00 ÀÔÂû 5ÀÏÀü    
ÅäÁö¸éÀû17.74§³(5.37 Æò)
°Ç¹°¸éÀû68.85§³(20.83 Æò)
乫/¼ÒÀ¯ÀÚ±èOO / ±èOO
ä±ÇÀÚÁÖOOOOOOO
ÆäÀ̽ººÏ Æ®À§ÅÍ ±¸±Û+
īī¿À½ºÅ丮
īī¿ÀÅå sms¹®ÀÚº¸³»±â
 

±âÀϳ»¿ª

°æ°ú ³¯Â¥ Àú°¨ ÃÖÀú°¡ °á°ú
Á¢¼öÀÏ 2024-11-12 °æ¸ÅÁ¢¼ö
~1ÀÏ 
2024-11-13 °æ¸Å°³½Ã°áÁ¤
~86ÀÏ 
2025-02-06 ¹è´ç¿ä±¸Á¾±âÀÏ
~336ÀÏ 
2025-10-14 100%
255,000,000
À¯Âû
~374ÀÏ 
2025-11-21 70%
178,500,000
ÁøÇà
¹°°Ç¸í¼¼¼­ ÇöȲÁ¶»ç¼­ ¹®°ÇÁ¢¼ö ¼Û´Þ³»¿ª

°¨Á¤Æò°¡ÇöȲ

¸ñ·Ï ÁÖ¼Ò ±¸Á¶/¿ëµµ/´ëÁö±Ç ¸éÀû ºñ°í
´ëÁö±Ç
ÀÛÀüµ¿ 679-10 2707.4ºÐÀÇ 17.7407 17.7407 §³
(5.37Æò)
°Ç¹°
ÀÛÀüµ¿ 679-10 3µ¿ 3Ãþ304È£ ö±ÙÄÜÅ©¸®Æ®±¸Á¶ 68.85 §³
(20.83Æò)
1) À§Ä¡/Áذø¾÷Áö¿ª/³ë¼±¹ö½ºÁ¤·ùÀå/ö±ÙÄÜÅ©¸®Æ®±¸Á¶/µµ½Ã°¡½º ´õº¸±â
°¨Á¤Æò°¡ ¿äÇ×Ç¥
1)À§Ä¡ ¹× ÁÖÀ§È¯°æ
º»°ÇÀº ÀÎõ±¤¿ª½Ã °è¾ç±¸ ÀÛÀüµ¿ ¼ÒÀç, "ÀÛµ¿ÃʵîÇб³" ³²µ¿Ãø Àαٿ¡ À§Ä¡Çϸç, ÁÖÀ§´Â
°øµ¿ÁÖÅà ¹× ´Ù¼¼´ëÁÖÅÃ, ±Ù¸°»ýȰ½Ã¼³ Çб³ µîÀÌ ¼ÒÀçÇÏ´Â Áö¿ªÀ¸·Î¼­ Á¦¹Ý ÁÖÀ§È¯°æÀº
º¸ÅëÀÓ.
2)±³Åë»óȲ
º»°Ç±îÁö Â÷·® ÃâÀÔÀÌ °¡´ÉÇϸç, Àαٿ¡ ³ë¼±¹ö½ºÁ¤·ùÀå ¼ÒÀçÇϴµîÁ¦¹Ý ±³Åë»óȲÀº º¸ÅëÀÓ.
3)°Ç¹°ÀÇ ±¸Á¶
ö±ÙÄÜÅ©¸®Æ®±¸Á¶ (ö±Ù)ÄÜÅ©¸®Æ®ÁöºØ 14Ãþ °Ç³» Á¦3Ãþ Á¦304È£·Î¼­,

¿Üº® : Ä¡Àå¼®¹·ÀÓ ¹× ¼¼¸à¸ôÅ»À§ ÆäÀÎÆÃ ¸¶°¨µî.
³»º® : º®Áöµµ¹è ¹× ÀϺΟÀÏ ¸¶°¨µî.
âȣ : ¼¦½Ãâȣ ¸¶°¨µîÀÓ.

4)ÀÌ¿ë»óÅÂ
¿ÀÇǽºÅÚ·Î ÀÌ¿ëÁßÀÓ.
5)¼³ºñ³»¿ª
±âº»ÀûÀÎ À§»ý¼³ºñ ¹× ±Þ, ¹è¼ö¼³ºñ. µµ½Ã°¡½º¼³ºñ, ³­¹æ¼³ºñ, ½Â°­±â¼³ºñ, ¼Ò¹æ¼³ºñµîÀÌ
µÇ¾îÀÖÀ½.
6)ÅäÁöÀÇ Çü»ó ¹× ÀÌ¿ë»óÅÂ
ÀÎÁ¢Áö´ëºñ µî°íÆòźÇÑ 3ÇÊÀÏ´ÜÀÇ ºÎÁ¤Çü ÅäÁö·Î¼­, ¾÷¹«½Ã¼³ °ÇºÎÁö·Î ÀÌ¿ëÁßÀÓ.
7)ÀÎÁ¢ µµ·Î»óŵî
º»°Ç ºÏÃø°ú ¼­ÃøÀ¸·Î °¢°¢ °øµµ¿Í Á¢Çϰí ÀÖÀ½.
8)ÅäÁöÀÌ¿ë°èȹ ¹× Á¦ÇÑ»óÅÂ
ÀϷùøÈ£ (1),(2),(3)°¢ ÇÊÁö °øÈ÷

Áذø¾÷Áö¿ª °¡Ãà»çÀ°Á¦Çѱ¸¿ª(ÀüºÎÁ¦ÇÑÁö¿ª)<°¡ÃàºÐ´¢ÀÇ °ü¸® ¹× À̿뿡 °üÇÑ ¹ý·ü>, °¡·Î±¸
¿ªº° ÃÖ°í³ôÀÌ Á¦ÇÑÁö¿ª<°ÇÃà¹ý>, °ú¹Ð¾ïÁ¦±Ç¿ª<¼öµµ±ÇÁ¤ºñ°èȹ¹ý>

9)°øºÎ¿ÍÀÇ Â÷ÀÌ
¾øÀ½.
10)±âŸÂü°í»çÇ×(ÀÓ´ë°ü·Ê ¹× ±âŸ)
ÇöÀåÁ¶»ç½Ã¿¡ ÀÌÇØ°ü°èÀÎÀÇ Æó¹®ºÎÀç·Î ÀÎÇÏ¿© ÀÓ´ë°ü°è´Â ¹Ì»óÀÓ.
Âü°í
»çÇ×

º» °ÇÀº 14Ãþ ¾÷¹«½Ã¼³


±¹ÅäºÎ½Ç°Å·¡°¡ ÀÎõ±¤¿ª½Ã °è¾ç±¸ ÀÛÀüµ¿

¡Ü ¸Å¸Å

¸éÀû(§³), ±Ý¾×(¸¸¿ø)

¡Ü Àü¼¼

¸éÀû(§³), ±Ý¾×(¸¸¿ø)

°è¾àÀϰǹ°¸íĪÃþÀü¿ëº¸Áõ±Ý¿ù¼¼°ÇÃà
25.08.07¾î¹Ý½ºÄ«ÀÌ568.8519,8852019
25.07.30¾î¹Ý½ºÄ«ÀÌ1068.8522,0002019
25.06.21¾î¹Ý½ºÄ«ÀÌ1168.9620,00002019
25.06.21¾î¹Ý½ºÄ«ÀÌ1168.9619,10002019
25.04.14¾î¹Ý½ºÄ«ÀÌ970.973,000802019
¢Ñ ´õº¸±â

µî±âºÎµîº» ¿ä¾à(°Ç¹°)

  Á¢¼öÀÏÀÚ µî±â¸ñÀû/±Ç¸®ÀÚ ±Ç¸®±Ý¾× ±âÁØ
1 2020³â11¿ù13ÀÏ
¼ÒÀ¯±Ç
±èOO
¼Ò¸ê
2 2022³â10¿ù27ÀÏ
¾àÁ¤/±ÝÁö»çÇ×/ȯ¸ÅƯ¾à
Àμö
3 2023³â1¿ù17ÀÏ
ÀÓÂ÷±Ç¼³Á¤
±èOO
232,000,000 Àμö
4 2023³â10¿ù17ÀÏ
¾Ð·ù
±¹
¼Ò¸ê±âÁØ
5 2024³â11¿ù13ÀÏ
°­Á¦°æ¸Å
ÁÖOOOO
¼Ò¸ê
6 2024³â11¿ù25ÀÏ
¾Ð·ù
±¹OOOO
¼Ò¸ê
7 2025³â8¿ù22ÀÏ
¾Ð·ù
°èOO
¼Ò¸ê

ÀÓÂ÷ÀÎÇöȲ (¹è´ç¿ä±¸Á¾±âÀÏ: 2025-02-06)

ÀÓÂ÷ÀÎ ¿ëµµ/Á¡À¯ º¸Áõ±Ý/¿ù¼¼ ´ëÇ×·Â
ÀüÀÔÀÏ/È®Á¤ÀÏ ¹è´ç¿ä±¸ ºñ°í
±èOO ÀüºÎ 232,000,000
O
2020.11.13.
2020.10.13.
ÁÖOOOOOOOOOOOOOOOO ÀüºÎ 232,000,000
O
2020.11.13.
2020.10.13.
2025.1.31. 2020.11.13.~2022.11.12.
ÀÌOO
X
2024.08.14.
Á¤OO
X
2024.08.14.
Á¤OO
X
2024.08.14.
ȲOO
X
2024.08.14.
ºñ°í
(¸Å°¢¹°°Ç
¸í¼¼¼­)
±è俵:ÁÖÅÃÀÓÂ÷±Çµî±â±ÇÀڷμ­ ÁÖÅÃÀÓÂ÷±Çµî±âÀÏÀº 2023.01.17.ÀÓ ÁÖÅõµ½Ãº¸Áõ°ø»ç(ÀÓÂ÷ÀÎ:±è俵):ÁÖÅÃÀÓÂ÷±ÇÀÇ ½Â°èÀÎÀÎ ÁÖÅõµ½Ãº¸Áõ°ø»ç·ÎºÎÅÍ ¿ì¼±º¯Á¦±Ç¸¸ ÁÖÀåÇÏ°í ´ëÇ×·ÂÀº Æ÷±âÇϸç, ÀÓ´ëÂ÷º¸Áõ±Ý Àü¾×À» º¯Á¦¹ÞÁö ¸øÇÏ´õ¶óµµ ¸Å¼öÀο¡ ´ëÇÑ ÀÜÁ¸ ÀÓ´ëÂ÷º¸Áõ±Ý ¹Ýȯû±¸±ÇÀ» Æ÷±âÇϰí ÀÓ´ëÂ÷µî±â¸¦ ¸»¼ÒÇÏ´Â °Í¿¡ µ¿ÀÇÇÑ´Ù´Â È®¾à¼­°¡ Á¦ÃâµÊ Á¤´Ù¿î:ÀÓÂ÷ÀÎ ÀÌÁ¤±ÙÀÇ µ¿°ÅÀÎ ÀÓ Á¤ÀºÁö:ÀÓÂ÷ÀÎ ÀÌÁ¤±ÙÀÇ µ¿°ÅÀÎ ÀÓ È²ÇöÁø:ÀÓÂ÷ÀÎ ÀÌÁ¤±ÙÀÇ µ¿°ÅÀÎ ÀÓ

¿©ÀÇÁÖ°æ¸Å Á¶¾ð ÇÑ ¸¶µð

¼±¼øÀ§ ÀÓÂ÷±Çµî±â°¡ µÇ¾î ÀÖ½À´Ï´Ù
´ëÇ×·ÂÀÌ ÀÖ´Â ¼±¼øÀ§ ÀÓÂ÷±Çµî±â ±Ç¸®ÀÚ°¡ ¹è´çÀ» Àü¾× ¹ÞÁö ¸øÇÒ °æ¿ì ³«ÂûÀÚ°¡ ÀÜ¿© º¸Áõ±ÝÀ» ÀμöÇØ¾ßÇÏ´Â °æ¿ìµµ ÀÖ½À´Ï´Ù.

ÁÖÀÇ»çÇ× (ÃÖ¼±¼øÀ§ ¼³Á¤ÀÏ: 2023.10.17. ¾Ð·ù ¼³Á¤)

¸Å°¢À¸·Î ¼Ò¸êµÇÁö ¾Ê´Â µî±âºÎ±Ç¸®: À»±¸ ¼øÀ§1¹ø ÁÖÅÃÀÓÂ÷±Çµî±â(´Ù¸¸ ÁÖÅõµ½Ãº¸Áõ°ø»çÀÇ ¸»¼Òµ¿ÀÇ È®¾à¼­°¡ Á¦ÃâµÊ)
¸Å°¢À¸·Î ¼³Á¤µÈ °ÍÀ¸·Î º¸´Â Áö»ó±Ç:
¡Ø¹Ì³³°ü¸®ºñ(°ø¿ë) Àμö¿©ºÎ¸¦ ÀÔÂû Àü¿¡ È®ÀÎÇϽñ⠹ٶø´Ï´Ù

 

Áö¿ªºÐ¼®

ÁöÇÏö¸í Á÷¼±°Å¸®

Çб³¸í ÀüÈ­¹øÈ£ ÁÖ¼Ò Á÷¼±°Å¸®

¹ý¿ø

ÀÎõÁö¹æ¹ý¿ø (222-20)ÀÎõ±¤¿ª½Ã ¹ÌÃßȦ±¸ ¼Ò¼º·Î 163¹ø±æ 17(ÇÐÀ͵¿)
´ëÇ¥ : 032)860-1113~4
°üÇÒÁö¿ª : Áß±¸, µ¿±¸, ³²±¸, ¿¬¼ö±¸, ³²µ¿±¸, ºÎÆò±¸, °è¾ç±¸, ¼­±¸, ¿ËÁø±º, °­È­±º

µî±â¼Ò ÀÎõÁö¹æ¹ý¿ø º»¿ø µî±â±¹ (´ëÇ¥:1544-0773, ÆÑ½º:(032)620-9099, ÀÎõ±¤¿ª½Ã ¹ÌÃßȦ±¸ °æ¿ø´ë·Î 881(Á־ȵ¿ 983))
¼¼¹«¼­ ºÏÀÎõ¼¼¹«¼­ (´ëÇ¥:032-540-62, ÆÑ½º:032-545-0411, ÀÎõ±¤¿ª½Ã °è¾ç±¸ È¿¼­·Î244(ÀÛÀüµ¿ 422-1) )

Àαٳ«ÂûÅë°è

±â°£ ¸Å°¢°Ç¼ö Æò±Õ°¨Á¤°¡
Æò±Õ¸Å°¢°¡
¸Å°¢°¡À²
Æò±ÕÀ¯Âû¼ö
3°³¿ù 3°Ç 246,000,000¿ø
151,836,666¿ø
62%
1.7ȸ
6°³¿ù 10°Ç 273,100,000¿ø
173,554,846¿ø
63%
1.9ȸ
12°³¿ù 23°Ç 274,434,783¿ø
194,253,956¿ø
71%
1.7ȸ


º» °æ¸ÅÁ¤º¸´Â ¹ý¿øÀÚ·á¿Í ÀÏÄ¡Çϵµ·Ï ÇÏ¿´À¸³ª ±Ç¸®»çÇ׺¯µ¿, ÀÔ·ÂÂø¿À µîÀÇ ¿øÀÎÀ¸·Î »ç½Ç°ú ´Ù¸¦ ¼ö ÀÖ½À´Ï´Ù. ÀÌ¿ë¾à°ü¿¡ ÀǰЏéÃ¥Á¶°ÇÀ¸·Î Á¦°øµÊÀ» ¾Ë¸®¸ç, °æ¸ÅÀÔÂû½Ã ¹Ýµå½Ã °ü·Ã °øºÎ¸¦ ÀçÈ®ÀÎÇϽñ⠹ٶø´Ï´Ù. º¸´Ù Æí¸®ÇÑ °æ¸ÅÁ¤º¸ Á¦°øÀ» À§ÇØ Áö¼ÓÀûÀ¸·Î °³¼±ÇϰڽÀ´Ï´Ù. ÀÌ¿ëÇØ Áּż­ °¨»çÇÕ´Ï´Ù.