·Î±×ÀÎ
1173
´Ù¼¼´ë(ºô¶ó)
ÀÇÁ¤ºÎÁö¹æ¹ý¿ø °í¾çÁö¿ø
 °¨Á¤°¡239,000,000 ¿ø
 ÃÖÀú°¡(24%) 57,384,000 ¿ø
 º¸Áõ±Ý(10%) 5,738,400 ¿ø
 Ã»±¸¾×75,000,000 ¿ø
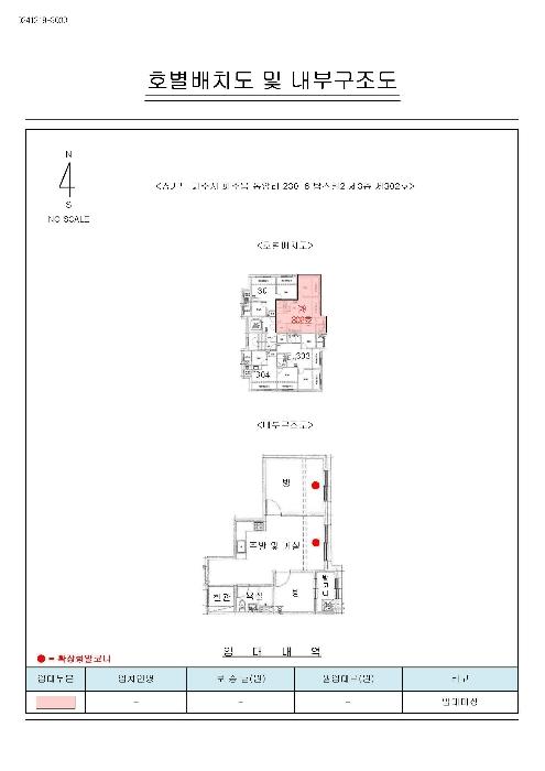
°æ±âµµ ÆÄÁֽà ÆÄÁÖÀ¾ ¼úÀÌȦ·Î 54, 3Ãþ302È£ (ž½ººô2)
°æ±âµµ ÆÄÁֽà ÆÄÁÖÀ¾ ºÀ¾Ï¸® 230-6
»ç°Ç¹øÈ£ 2024Ÿ°æ9347
°æ¸ÅÁ¾·ùºÎµ¿»êÀÓÀǰæ¸Å
¸Å°¢´ë»óÅäÁö ¹× °Ç¹°Àϰý ¸Å°¢
¸Å°¢±âÀÏ    2026.03.17(È­) 10:00 ÀÔÂû 18ÀÏÀü    
ÅäÁö¸éÀû46.00§³(13.92 Æò)
°Ç¹°¸éÀû32.43§³(9.81 Æò)
乫/¼ÒÀ¯ÀÚ¹éOOO OOOOO OOO OOO / ¹éOOO OOOOO OOO OOO
ä±ÇÀÚÁÖOOO OOOOOOOOO
ÆäÀ̽ººÏ Æ®À§ÅÍ ±¸±Û+
īī¿À½ºÅ丮
īī¿ÀÅå sms¹®ÀÚº¸³»±â
 

±âÀϳ»¿ª

°æ°ú ³¯Â¥ Àú°¨ ÃÖÀú°¡ °á°ú
Á¢¼öÀÏ 2024-12-16 °æ¸ÅÁ¢¼ö
~1ÀÏ 
2024-12-17 °æ¸Å°³½Ã°áÁ¤
~84ÀÏ 
2025-03-10 ¹è´ç¿ä±¸Á¾±âÀÏ
~302ÀÏ 
2025-10-14 100%
239,000,000
À¯Âû
~337ÀÏ 
2025-11-18 70%
167,300,000
À¯Âû
~372ÀÏ 
2025-12-23 49%
117,110,000
À¯Âû
~414ÀÏ 
2026-02-03 34%
81,977,000
À¯Âû
~456ÀÏ 
2026-03-17 24%
57,384,000
ÁøÇà
¹°°Ç¸í¼¼¼­ ÇöȲÁ¶»ç¼­ ¹®°ÇÁ¢¼ö ¼Û´Þ³»¿ª

°¨Á¤Æò°¡ÇöȲ

¸ñ·Ï ÁÖ¼Ò ±¸Á¶/¿ëµµ/´ëÁö±Ç ¸éÀû ºñ°í
´ëÁö±Ç
ºÀ¾Ï¸® 230-6 519ºÐÀÇ 46 46 §³
(13.92Æò)
°Ç¹°
ºÀ¾Ï¸® 230-6 3Ãþ302È£ ö±ÙÄÜÅ©¸®Æ®±¸Á¶ 32.4336 §³
(9.81Æò)
1) À§Ä¡/°èȹ°ü¸®Áö¿ª/¹ö½ºÁ¤·ùÀå/Á¦¹Ý Â÷·® ÃâÀÔ/ö±ÙÄÜÅ©¸®Æ®±¸Á¶ ´õº¸±â
°¨Á¤Æò°¡ ¿äÇ×Ç¥
1)À§Ä¡ ¹× ÁÖÀ§È¯°æ
º»°ÇÀº °æ±âµµ ÆÄÁֽà ÆÄÁÖÀ¾ ºÀ¾Ï¸® ¼ÒÀç "ºÀ¾Ï1¸® ¸¶À»È¸°ü" ºÏµ¿Ãø Àαٿ¡ À§Ä¡Çϸç ÁÖÀ§´Â ´Üµ¶ÁÖÅà ¹× °øµ¿ÁÖÅÃ, ±Ù¸°»ýȰ½Ã¼³ µîÀÌ ¼ÒÀçÇÏ´Â Áö¿ªÀ¸·Î¼­, Á¦¹ÝÁÖÀ§È¯°æÀº º¸ÅëÀÔ´Ï´Ù.
2)±³Åë»óȲ
º»°Ç±îÁö Â÷·® ÁøÃâÀÔÀÌ °¡´ÉÇϸç, Àαٿ¡ ¹ö½ºÁ¤·ùÀåÀÌ ¼ÒÀçÇÏ´Â µî ´ëÁß±³Åë»çÁ¤Àº º¸ÅëÀÔ´Ï´Ù.
3)°Ç¹°ÀÇ ±¸Á¶
ö±ÙÄÜÅ©¸®Æ®±¸Á¶ (ö±Ù)ÄÜÅ©¸®Æ®ÁöºØ 4Ãþ °Ç¹° ³» Á¦3Ãþ Á¦302È£·Î¼­,
¿Üº® : º®µ¹ ºÙÀÓ, ¼®Àç ºÙÀÓ, ÆäÀÎÆÃ µî ¸¶°¨,
³»º® : º®Áö ¹× ÀϺΠŸÀÏ µî ¸¶°¨,
âȣ : »õ½Ã âȣÀÔ´Ï´Ù.
4)ÀÌ¿ë»óÅÂ
´Ù¼¼´ëÁÖÅÃÀ¸·Î ÀÌ¿ë ÁßÀÔ´Ï´Ù.
5)¼³ºñ³»¿ª
±âº»ÀûÀÎ À§»ý¼³ºñ ±¸ºñµÇ¾î ÀÖÀ¸¸ç, ³Ã³­¹æ¼³ºñ, ½Â°­±â¼³ºñ µî Á¦¹Ý¼³ºñ °®Ãß°í ÀÖ½À´Ï´Ù.
6)ÅäÁöÀÇ Çü»ó ¹× ÀÌ¿ë»óÅÂ
ÀÎÁ¢Áö ´ëºñ µî°íÆòźÇÑ Á¤¹æÇü ÅäÁö·Î¼­, °ÇºÎÁö·Î ÀÌ¿ë ÁßÀÔ´Ï´Ù.
7)ÀÎÁ¢ µµ·Î»óŵî
Á¦¹Ý Â÷·® ÃâÀÔ °¡´ÉÇÑ Æ÷Àåµµ·Î °®Ãß°í ÀÖ½À´Ï´Ù.
8)ÅäÁöÀÌ¿ë°èȹ ¹× Á¦ÇÑ»óÅÂ
°èȹ°ü¸®Áö¿ª, °¡Ãà»çÀ°Á¦Çѱ¸¿ª(¸ðµçÃàÁ¾ »çÀ°Á¦ÇÑ)<°¡ÃàºÐ´¢ÀÇ °ü¸® ¹× À̿뿡 °üÇÑ ¹ý·ü>, »ó´ëº¸È£±¸¿ª(¹Ýµå½Ã ±³À°Áö¿øÃ»¿¡ ÀçÈ®ÀÎ ¹Ù¶÷(TEL.940-7244))<±³À°È¯°æ º¸È£¿¡ °üÇÑ ¹ý·ü>, ±º»ç±âÁö ¹× ±º»ç½Ã¼³±âŸ(8¹ÌÅÍÀ§ÀÓ)<±º»ç±âÁö ¹× ±º»ç½Ã¼³ º¸È£¹ý>, Á¦ÇѺ¸È£±¸¿ª(Àü¹æÁö¿ª:25km)<±º»ç±âÁö ¹× ±º»ç½Ã¼³ º¸È£¹ý>
9)°øºÎ¿ÍÀÇ Â÷ÀÌ
¾ø½À´Ï´Ù.
10)±âŸÂü°í»çÇ×(ÀÓ´ë°ü·Ê ¹× ±âŸ)
ÀÓ´ë°ü°è : ¹Ì»óÀÔ´Ï´Ù.
Âü°í
»çÇ×

1. º»°Ç °Ç¹°Àº ö±ÙÄÜÅ©¸®Æ®±¸Á¶ (ö±Ù)ÄÜÅ©¸®Æ®ÁöºØ 4Ãþ °øµ¿ÁÖÅÃÀÓ. 2. ½Â°­±â¸¦ ÅëÇØ ÀüÀ¯ºÎºÐÀ» ÃâÀÔÇÒ ¼ö ÀÖÀ½.


±¹ÅäºÎ½Ç°Å·¡°¡ °æ±âµµ ÆÄÁֽà ÆÄÁÖÀ¾

¡Ü ¸Å¸Å

¸éÀû(§³), ±Ý¾×(¸¸¿ø)

¡Ü Àü¼¼

¸éÀû(§³), ±Ý¾×(¸¸¿ø)

°è¾àÀϰǹ°¸íĪÃþ¿¬¸éÀûº¸Áõ±Ý¿ù¼¼°ÇÃà
26.02.07´õÈúÆç¸®½º301µ¿367.626414,4002019
26.02.07¾Æ¸®¿ò101µ¿452.17811,9002019
26.02.06¸®¿À½¦¸£ºô2Â÷(1µ¿2µ¿)355.611,000602016
26.01.26±×¸°Èú108µ¿218.241,40002013
26.01.15¸®¿À½¦¸£ºô2Â÷(1µ¿2µ¿)155.61200602016
¢Ñ ´õº¸±â

µî±âºÎµîº» ¿ä¾à(°Ç¹°)

  Á¢¼öÀÏÀÚ µî±â¸ñÀû/±Ç¸®ÀÚ ±Ç¸®±Ý¾× ±âÁØ
1 2023³â5¿ù17ÀÏ
¼ÒÀ¯±Ç
¹éOO
¼Ò¸ê
2 2024³â3¿ù14ÀÏ
±ÙÀú´ç±Ç
(OOOO
75,000,000 ¼Ò¸ê±âÁØ
3 2024³â3¿ù14ÀÏ
Àü¼¼±Ç
(OOOO
10,000,000 ¼Ò¸ê
4 2024³â12¿ù17ÀÏ
ÀÓÀǰæ¸Å
(OOOO
¼Ò¸ê
5 2025³â3¿ù10ÀÏ
°¡¾Ð·ù
¼­OOOO
211,994,729 ¼Ò¸ê
6 2025³â8¿ù20ÀÏ
¾Ð·ù
±¹
¼Ò¸ê

ÀÓÂ÷ÀÎÇöȲ (¹è´ç¿ä±¸Á¾±âÀÏ: 2025-03-10)

ÀÓÂ÷ÀÎ ¿ëµµ/Á¡À¯ º¸Áõ±Ý/¿ù¼¼ ´ëÇ×·Â
ÀüÀÔÀÏ/È®Á¤ÀÏ ¹è´ç¿ä±¸ ºñ°í
ÁÖOOOOOOOOOOOO °Ç¹°ÀüºÎ 10,000,000

2024.3.14.~2026.3.13.±îÁö

¿©ÀÇÁÖ°æ¸Å Á¶¾ð ÇÑ ¸¶µð

ÃëÇÏ ¶Ç´Â Ãë¼ÒµÉ °¡´É¼º ÀÖ½À´Ï´Ù
ÀÌ ¹°°ÇÀÇ °¨Á¤°¡°ÝÀº 239,000,000¿øÀÔ´Ï´Ù. °æ¸Å¸¦ ½ÅûÇÑ Ã¤±ÇÀÚ°¡ ¹è´ç ¹Þ¾Æ¾ß ÇÒ ±Ý¾×Àº 75,000,000¿øÀ¸·Î °¨Á¤°¡°Ý ´ëºñ »ó´çÈ÷ ÀûÀº ±Ý¾×ÀÔ´Ï´Ù. ÀÌ·± °æ¿ì, 乫°¡°¡ º¯Á¦ÇÏ¿© °æ¸Å¸¦ ÃëÇϽÃŰ°Å³ª °æ¸Å½Åûä±ÇÀÚ°¡ ¹è´ç¹ÞÀº ±Ý¿øÀÌ ¾ø°ÔµÇ¾î À̸¥ ¹Ù "¹«À׿©¿¡ ÀÇÇÑ Ãë¼Ò"°¡ µÉ °¡´É¼ºÀÌ ÀÖ½À´Ï´Ù.

ÁÖÀÇ»çÇ× (ÃÖ¼±¼øÀ§ ¼³Á¤ÀÏ: 2024.3.14.±ÙÀú´ç±Ç ¼³Á¤)

¸Å°¢À¸·Î ¼Ò¸êµÇÁö ¾Ê´Â µî±âºÎ±Ç¸®:
¸Å°¢À¸·Î ¼³Á¤µÈ °ÍÀ¸·Î º¸´Â Áö»ó±Ç:
¡Ø¹Ì³³°ü¸®ºñ(°ø¿ë) Àμö¿©ºÎ¸¦ ÀÔÂû Àü¿¡ È®ÀÎÇϽñ⠹ٶø´Ï´Ù

 

Áö¿ªºÐ¼®

ÁöÇÏö¸í Á÷¼±°Å¸®

Çб³¸í ÀüÈ­¹øÈ£ ÁÖ¼Ò Á÷¼±°Å¸®

¹ý¿ø

ÀÇÁ¤ºÎÁö¹æ¹ý¿ø °í¾çÁö¿ø (104-13)°æ±âµµ °í¾ç½Ã Àϻ굿±¸ Àå¹é·Î 209
´ëÇ¥ : 031)920-6114, ¾ß°£ : 031)920-6550, ÆÑ½º : 031)920-6119
°üÇÒÁö¿ª : °í¾ç½Ã, ÆÄÁÖ½Ã

µî±â¼Ò ÀÇÁ¤ºÎÁö¹æ¹ý¿ø °í¾çÁö¿ø ÆÄÁÖµî±â¼Ò (´ëÇ¥:1544-0773, ÆÑ½º:(031)945-4764, 3628, °æ±âµµ ÆÄÁֽà ±ÝÁ¤·Î 45 (±ÝÃ̵¿ 947-28))
¼¼¹«¼­ ÆÄÁÖ¼¼¹«¼­ (´ëÇ¥:031-956-02, ÆÑ½º:031-957-0315, °æ±âµµ ÆÄÁֽà ±Ý¸ª¿ª·Î 62 (±ÝÃ̵¿))

Àαٳ«ÂûÅë°è

±â°£ ¸Å°¢°Ç¼ö Æò±Õ°¨Á¤°¡
Æò±Õ¸Å°¢°¡
¸Å°¢°¡À²
Æò±ÕÀ¯Âû¼ö
3°³¿ù 20°Ç 190,700,000¿ø
94,173,501¿ø
51%
4ȸ
6°³¿ù 39°Ç 334,707,692¿ø
145,439,532¿ø
52%
3.2ȸ
12°³¿ù 84°Ç 278,530,952¿ø
126,297,388¿ø
51%
2.9ȸ


º» °æ¸ÅÁ¤º¸´Â ¹ý¿øÀÚ·á¿Í ÀÏÄ¡Çϵµ·Ï ÇÏ¿´À¸³ª ±Ç¸®»çÇ׺¯µ¿, ÀÔ·ÂÂø¿À µîÀÇ ¿øÀÎÀ¸·Î »ç½Ç°ú ´Ù¸¦ ¼ö ÀÖ½À´Ï´Ù. ÀÌ¿ë¾à°ü¿¡ ÀǰЏéÃ¥Á¶°ÇÀ¸·Î Á¦°øµÊÀ» ¾Ë¸®¸ç, °æ¸ÅÀÔÂû½Ã ¹Ýµå½Ã °ü·Ã °øºÎ¸¦ ÀçÈ®ÀÎÇϽñ⠹ٶø´Ï´Ù. º¸´Ù Æí¸®ÇÑ °æ¸ÅÁ¤º¸ Á¦°øÀ» À§ÇØ Áö¼ÓÀûÀ¸·Î °³¼±ÇϰڽÀ´Ï´Ù. ÀÌ¿ëÇØ Áּż­ °¨»çÇÕ´Ï´Ù.