·Î±×ÀÎ
66
¿ÀÇǽºÅÚ
ÀÇÁ¤ºÎÁö¹æ¹ý¿ø ³²¾çÁÖÁö¿ø
 °¨Á¤°¡253,000,000 ¿ø
 ÃÖÀú°¡(49%) 123,970,000 ¿ø
 º¸Áõ±Ý(10%) 12,397,000 ¿ø
 Ã»±¸¾×263,563,574 ¿ø
°æ±âµµ ±¸¸®½Ã üÀ°°ü·Î171¹ø±æ 6, 10Ãþ1005È£ (±³¹®µ¿,±¸¸®¾ÆÀÌÆú¸®½º)
°æ±âµµ ±¸¸®½Ã ±³¹®µ¿ 227-22
»ç°Ç¹øÈ£ 2024Ÿ°æ82084
°æ¸ÅÁ¾·ùºÎµ¿»ê°­Á¦°æ¸Å
¸Å°¢´ë»óÅäÁö ¹× °Ç¹°Àϰý ¸Å°¢
¸Å°¢±âÀÏ    2025.12.23(È­) 10:30 ÀÔÂû 17ÀÏÀü    
ÅäÁö¸éÀû6.26§³(1.89 Æò)
°Ç¹°¸éÀû39.40§³(11.92 Æò)
乫/¼ÒÀ¯ÀÚ±èOO / ±èOO
ä±ÇÀÚÇÑOOOOOOO
ÆäÀ̽ººÏ Æ®À§ÅÍ ±¸±Û+
īī¿À½ºÅ丮
īī¿ÀÅå sms¹®ÀÚº¸³»±â
 

±âÀϳ»¿ª

°æ°ú ³¯Â¥ Àú°¨ ÃÖÀú°¡ °á°ú
Á¢¼öÀÏ 2024-08-27 °æ¸ÅÁ¢¼ö
~1ÀÏ 
2024-08-28 °æ¸Å°³½Ã°áÁ¤
~79ÀÏ 
2024-11-14 ¹è´ç¿ä±¸Á¾±âÀÏ
~378ÀÏ 
2025-09-09 100%
253,000,000
À¯Âû
~413ÀÏ 
2025-10-14 70%
177,100,000
º¯°æ
~413ÀÏ 
2025-10-14 100%
253,000,000
À¯Âû
~448ÀÏ 
2025-11-18 70%
177,100,000
À¯Âû
~483ÀÏ 
2025-12-23 49%
123,970,000
ÁøÇà
¹°°Ç¸í¼¼¼­ ÇöȲÁ¶»ç¼­ ¹®°ÇÁ¢¼ö ¼Û´Þ³»¿ª

°¨Á¤Æò°¡ÇöȲ

¸ñ·Ï ÁÖ¼Ò ±¸Á¶/¿ëµµ/´ëÁö±Ç ¸éÀû ºñ°í
´ëÁö±Ç
±³¹®µ¿ 227-22 807.7ºÐÀÇ 6.2594 6.2594 §³
(1.89Æò)
°Ç¹°
±³¹®µ¿ 227-22 10Ãþ1005È£ ö±ÙÄÜÅ©¸®Æ®±¸Á¶ 39.4 §³
(11.92Æò)
1) À§Ä¡/ÀϹݻó¾÷Áö¿ª/¹ö½ºÁ¤·ùÀå/ö±ÙÄÜÅ©¸®Æ®±¸Á¶/Æò½º¶óºêÁöºØ/µµ½Ã°¡½º/¹æ2 ´õº¸±â
°¨Á¤Æò°¡ ¿äÇ×Ç¥
1)À§Ä¡ ¹× ÁÖÀ§È¯°æ
º»°ÇÀº ±¸¸®½Ã ±³¹®µ¿ ¼ÒÀç "ÇѾç´ëÇб³±¸¸®º´¿ø" ³²µ¿Ãø Àαٿ¡ À§Ä¡Çϸç ÁÖÀ§´Â ±Ù¸°»ý
Ȱ½Ã¼³, ¾÷¹«½Ã¼³, »ó¾÷½Ã¼³, À§¶ô½Ã¼³ µîÀÌ È¥ÀçÇÏ´Â »ó°¡Áö´ë·Î¼­ Á¦¹Ý ÀÔÁöÁ¶°Ç ¹× ÁÖÀ§
ȯ°æÀº º¸ÅëÀÓ.
2)±³Åë»óȲ
º»°Ç±îÁö Á¦ Â÷·®ÀÇ ÁøÀÔÀÌ °¡´ÉÇϸç Àαٿ¡ ¹ö½ºÁ¤·ùÀå ¹× °æÀÇÁß¾Ó¼± "±¸¸®¿ª"ÀÌ ¼ÒÀç
ÇÏ´Â µî Àü¹ÝÀûÀÎ ±³Åë¿©°ÇÀº ¹«³­ÇÔ.
3)°Ç¹°ÀÇ ±¸Á¶
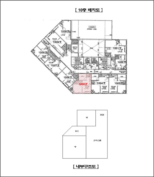
±¸Á¶ : ö±ÙÄÜÅ©¸®Æ®±¸Á¶ Æò½º¶óºêÁöºØ 15Ãþ Áß 10Ãþ 1005È£·Î¼­(»ç¿ë½ÂÀÎÀÏ : 2020.02.07)
¿Üº® : Ä¡À庮µ¹ ½×±â ¹× ¼®À縶°¨ µî
³»º® : º®Áöµµ¹è ¹× ÀϺΠŸÀϺÙÀÓ
âȣ : ¼¦½Ã âȣÀÓ
4)ÀÌ¿ë»óÅÂ
¾÷¹«½Ã¼³(¿ÀÇǽºÅÚ·Î ¹æ2,ÁÖ¹æ/¼­½Ç, ¿å½Ç°âÈ­Àå½Ç, Çö°ü µî)·Î ÀÌ¿ëÁßÀ̸ç,
³»ºÎ±¸Á¶´Â ÁöÀû ¹× °Ç¹°°³È²µµ ÂüÁ¶.
5)¼³ºñ³»¿ª
±Þ.¹è¼ö. À§»ý¼³ºñ, »óÇϼöµµ, µµ½Ã°¡½º¼³ºñ, ³­¹æ¼³ºñ, È­ÀçŽÁö¼³ºñ, ¿Á³»¼ÒÈ­Àü¼³ºñ,
½Â°­±â¼³ºñ, ÁÖÂ÷¼³ºñ µîÀ» °®Ãß°íÀÖÀ½.
6)ÅäÁöÀÇ Çü»ó ¹× ÀÌ¿ë»óÅÂ
ºÎÁ¤ÇüÀÇ ÅäÁö·Î¼­ ÀÎÁ¢µµ·Î¿Í ÆòźÇϸç, ¾÷¹«½Ã¼³ ¹× ±Ù¸°»ýȰ½Ã¼³ °ÇºÎÁö·Î ÀÌ¿ëÁßÀÓ.
7)ÀÎÁ¢ µµ·Î»óŵî
º»°Ç ³²ÃøÀ¸·Î Æø ¾à 8¹ÌÅÍ, ³²¼­ÃøÀ¸·Î Æø ¾à 4¹ÌÅÍÀÇ Æ÷Àåµµ·Î °¢Áö¿¡ Á¢ÇÏ¿© ÀÖÀ½.
8)ÅäÁöÀÌ¿ë°èȹ ¹× Á¦ÇÑ»óÅÂ
±âÈ£ 1 : ÀϹݻó¾÷Áö¿ª(ÀϹÝ/»ýȰ ¼÷¹Ú½Ã¼³ ¹× À§¶ô½Ã¼³ Á¦ÇÑ), ¹æÈ­Áö±¸, ¼Ò·Î2·ù
(Æø 8m-10m)(±¹Áöµµ·Î)(Á¢ÇÕ), °¡Ãà»çÀ°Á¦Çѱ¸¿ª, ¹èÃâ½Ã¼³¼³Ä¡Á¦ÇÑÁö¿ª,
°ú¹Ð¾ïÁ¦±Ç¿ª, °øÀå¼³¸³½ÂÀÎÁö¿ª, ÁßÁ¡°æ°ü°ü¸®±¸¿ª(½Ã°¡Áö¿ª¼¼±Ç ÁßÁ¡°æ°ü°ü
¸®±¸¿ª/°æÀÇÁß¾Ó¼±-±¸¸®¿ª, °æÃá·Î ÀÏ´ë).
9)°øºÎ¿ÍÀÇ Â÷ÀÌ
¾ø À½.
10)±âŸÂü°í»çÇ×(ÀÓ´ë°ü·Ê ¹× ±âŸ)
ÀÓ´ë°ü°è : ¹Ì»ó.
±â Ÿ : -.
Âü°í
»çÇ×

ÁÖ°Å¿ë ¿ÀÇǽºÅÚ

°ÇÃ๰ÇöȲ

¼ÒÀçÁö °æ±âµµ ±¸¸®½Ã ±³¹®µ¿ 227-22¹øÁö
´ëÁö¸éÀû 807.7§³
(244.76Æò)
¿¬¸éÀû 8709.51§³
(2639.25Æò)
°ÇÃà¸éÀû 670.13§³
(203.07Æò)
¿ëÀû·ü»êÁ¤
¿¬¸éÀû
7583.45§³
(2298.02Æò)
°ÇÆóÀ² 82.97% ¿ëÀû·ü 938.89%
Áö»óÃþ¼ö 15Ãþ ÁöÇÏÃþ¼ö 2Ãþ
ÁÖ¿ëµµ ¾÷¹«½Ã¼³ ±¸Á¶ ö±ÙÄÜÅ©¸®Æ®±¸Á¶
Âø°øÀÏÀÚ 2019.01.11 »ç¿ë½ÂÀÎÀÏÀÚ 2020.02.07
°ÇÃ๰Ãþº°ÇöȲ [º¸±â]


±¹ÅäºÎ½Ç°Å·¡°¡ °æ±âµµ ±¸¸®½Ã ±³¹®µ¿

¡Ü ¸Å¸Å

¸éÀû(§³), ±Ý¾×(¸¸¿ø)

¡Ü Àü¼¼

¸éÀû(§³), ±Ý¾×(¸¸¿ø)

°è¾àÀϰǹ°¸íĪÃþÀü¿ëº¸Áõ±Ý¿ù¼¼°ÇÃà
25.10.30±¸¸®¾ÆÀÌÆú¸®½º1131.516,5502020
25.10.16±¸¸®¾ÆÀÌÆú¸®½º1235.718,8002020
25.09.15±¸¸®¾ÆÀÌÆú¸®½º639.44,356172020
25.08.21±¸¸®¾ÆÀÌÆú¸®½º841.211,000952020
25.08.12±¸¸®¾ÆÀÌÆú¸®½º1235.713,7202020
¢Ñ ´õº¸±â

µî±âºÎµîº» ¿ä¾à(°Ç¹°)

  Á¢¼öÀÏÀÚ µî±â¸ñÀû/±Ç¸®ÀÚ ±Ç¸®±Ý¾× ±âÁØ
1 2021³â3¿ù19ÀÏ
¼ÒÀ¯±Ç
±èOO
¼Ò¸ê
2 2021³â4¿ù13ÀÏ
¾àÁ¤/±ÝÁö»çÇ×/ȯ¸ÅƯ¾à
Àμö
3 2023³â4¿ù4ÀÏ
¾Ð·ù
±¹
¼Ò¸ê±âÁØ
4 2023³â10¿ù11ÀÏ
ÀÓÂ÷±Ç¼³Á¤
±èOO
252,980,000 ¼Ò¸ê
5 2024³â1¿ù31ÀÏ
¾Ð·ù
¼­OOOO
¼Ò¸ê
6 2024³â8¿ù28ÀÏ
°­Á¦°æ¸Å
ÇÑOOOO
¼Ò¸ê

ÀÓÂ÷ÀÎÇöȲ (¹è´ç¿ä±¸Á¾±âÀÏ: 2024-11-14)

ÀÓÂ÷ÀÎ ¿ëµµ/Á¡À¯ º¸Áõ±Ý/¿ù¼¼ ´ëÇ×·Â
ÀüÀÔÀÏ/È®Á¤ÀÏ ¹è´ç¿ä±¸ ºñ°í
±èOO ÀüºÎ 252,980,000
O
2021.03.22.
2021.02.22.
2021.03.19.~
ºñ°í
(¸Å°¢¹°°Ç
¸í¼¼¼­)
±èÀ¯Áø: ÁÖÅÃÀÓÂ÷±Çµî±â±ÇÀÚÀ̸ç, Çѱ¹ÁÖÅñÝÀ¶°ø»ç´Â °æ¸Å½Åûä±ÇÀÚ·Î ÁÖÅÃÀÓÂ÷±ÇÀÚ ±èÀ¯ÁøÀÇ ÀÓÂ÷º¸Áõ±Ý¹Ýȯä±Ç ¾ç¼öÀÎÀÓ

¿©ÀÇÁÖ°æ¸Å Á¶¾ð ÇÑ ¸¶µð

¼±¼øÀ§ ÀÓÂ÷±Çµî±â°¡ µÇ¾î ÀÖ½À´Ï´Ù
´ëÇ×·ÂÀÌ ÀÖ´Â ¼±¼øÀ§ ÀÓÂ÷±Çµî±â ±Ç¸®ÀÚ°¡ ¹è´çÀ» Àü¾× ¹ÞÁö ¸øÇÒ °æ¿ì ³«ÂûÀÚ°¡ ÀÜ¿© º¸Áõ±ÝÀ» ÀμöÇØ¾ßÇÏ´Â °æ¿ìµµ ÀÖ½À´Ï´Ù.

ÁÖÀÇ»çÇ× (ÃÖ¼±¼øÀ§ ¼³Á¤ÀÏ: 2023. 4. 4. ¾Ð·ù ¼³Á¤)

¸Å°¢À¸·Î ¼Ò¸êµÇÁö ¾Ê´Â µî±âºÎ±Ç¸®:
¸Å°¢À¸·Î ¼³Á¤µÈ °ÍÀ¸·Î º¸´Â Áö»ó±Ç:
2025. 9. 17. ÀÚ·Î Çѱ¹ÁÖÅñÝÀ¶°ø»ç·ÎºÎÅÍ 'ÀÓÂ÷º¸Áõ±Ý¿¡ ´ëÇÏ¿© ¿ì¼±º¯Á¦±Ç¸¸ ÁÖÀåÇÏ°í ´ëÇ×·ÂÀº Æ÷±âÇϸç, Àü¾×À» º¯Á¦¹ÞÁö ¸øÇÏ´õ¶óµµ ¸Å¼öÀο¡ ´ëÇÑ ÀÜÁ¸ ÀÓÂ÷º¸Áõ±Ý ¹Ýȯû±¸±ÇÀ» Æ÷±âÇϰí ÀÓÂ÷±Çµî±â¸¦ ¸»¼ÒÇÏ´Â °Í¿¡ µ¿ÀÇÇÑ´Ù'´Â ³»¿ëÀÇ È®¾à¼­°¡ Á¦ÃâµÊ
¡Ø¹Ì³³°ü¸®ºñ(°ø¿ë) Àμö¿©ºÎ¸¦ ÀÔÂû Àü¿¡ È®ÀÎÇϽñ⠹ٶø´Ï´Ù

 

Áö¿ªºÐ¼®

ÁöÇÏö¸í Á÷¼±°Å¸®

Çб³¸í ÀüÈ­¹øÈ£ ÁÖ¼Ò Á÷¼±°Å¸®

¹ý¿ø

ÀÇÁ¤ºÎÁö¹æ¹ý¿ø ³²¾çÁÖÁö¿ø (122-49)°æ±âµµ ³²¾çÁֽà ´Ù»êÁß¾Ó·Î82¹ø¾È±æ 161(´Ù»êµ¿)
´ëÇ¥ : 031)869-4114
°üÇÒÁö¿ª : °¡Æò±º, ±¸¸®½Ã, ³²¾çÁÖ½Ã

µî±â¼Ò ÀÇÁ¤ºÎÁö¹æ¹ý¿ø º»¿ø ±¸¸®µî±â¼Ò (´ëÇ¥:1544-0773, ÆÑ½º:(031)555-2856, °æ±âµµ ±¸¸®½Ã °Ç¿ø´ë·Î34¹ø±æ 20 (ÀÎ⵿ 673-2))
¼¼¹«¼­ ³²¾çÁÖ¼¼¹«¼­ (´ëÇ¥:031-550-32, ÆÑ½º:031-566-1808, °æ±âµµ ±¸¸®½Ã ¾È°ñ·Î 36 (±³¹®µ¿))

Àαٳ«ÂûÅë°è

±â°£ ¸Å°¢°Ç¼ö Æò±Õ°¨Á¤°¡
Æò±Õ¸Å°¢°¡
¸Å°¢°¡À²
Æò±ÕÀ¯Âû¼ö
3°³¿ù 3°Ç 208,000,000¿ø
173,865,333¿ø
81%
1ȸ
6°³¿ù 9°Ç 223,666,667¿ø
171,702,889¿ø
73%
2.3ȸ
12°³¿ù 16°Ç 225,562,500¿ø
161,477,813¿ø
70%
3.3ȸ


º» °æ¸ÅÁ¤º¸´Â ¹ý¿øÀÚ·á¿Í ÀÏÄ¡Çϵµ·Ï ÇÏ¿´À¸³ª ±Ç¸®»çÇ׺¯µ¿, ÀÔ·ÂÂø¿À µîÀÇ ¿øÀÎÀ¸·Î »ç½Ç°ú ´Ù¸¦ ¼ö ÀÖ½À´Ï´Ù. ÀÌ¿ë¾à°ü¿¡ ÀǰЏéÃ¥Á¶°ÇÀ¸·Î Á¦°øµÊÀ» ¾Ë¸®¸ç, °æ¸ÅÀÔÂû½Ã ¹Ýµå½Ã °ü·Ã °øºÎ¸¦ ÀçÈ®ÀÎÇϽñ⠹ٶø´Ï´Ù. º¸´Ù Æí¸®ÇÑ °æ¸ÅÁ¤º¸ Á¦°øÀ» À§ÇØ Áö¼ÓÀûÀ¸·Î °³¼±ÇϰڽÀ´Ï´Ù. ÀÌ¿ëÇØ Áּż­ °¨»çÇÕ´Ï´Ù.