·Î±×ÀÎ
1175
´Ù¼¼´ë(ºô¶ó)
¼­¿ï³²ºÎÁö¹æ¹ý¿ø
 °¨Á¤°¡256,000,000 ¿ø
 ÃÖÀú°¡(80%) 204,800,000 ¿ø
 º¸Áõ±Ý(10%) 20,480,000 ¿ø
 Ã»±¸¾×265,278,142 ¿ø
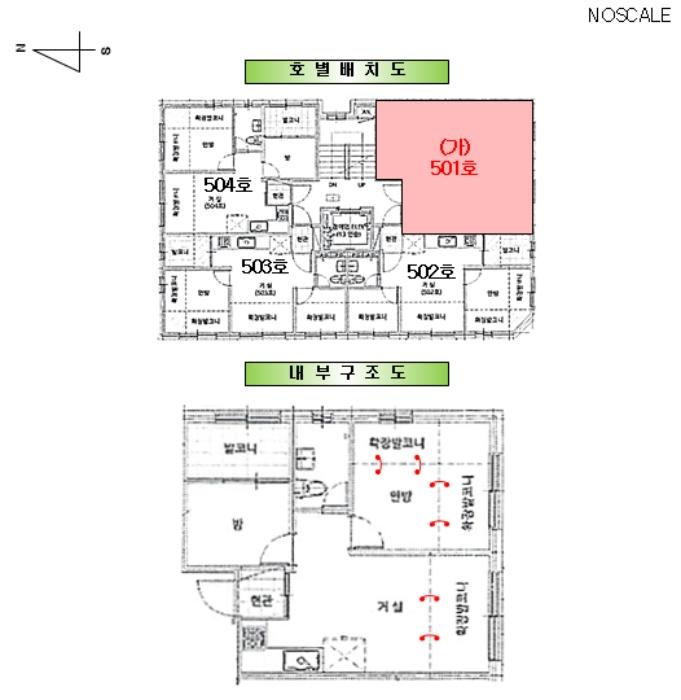
¼­¿ïƯº°½Ã °­¼­±¸ È­°î·Î13±æ 90-45, Á¦5Ãþ Á¦501È£ (È­°îµ¿, µ¿¿ìÇÏÀ̺ô)
¼­¿ïƯº°½Ã °­¼­±¸ È­°îµ¿ 1017-24
»ç°Ç¹øÈ£ 2024Ÿ°æ130433
°æ¸ÅÁ¾·ùºÎµ¿»ê°­Á¦°æ¸Å
¸Å°¢´ë»óÅäÁö ¹× °Ç¹°Àϰý ¸Å°¢
¸Å°¢±âÀÏ    2026.03.18(¼ö) 10:00 ÀÔÂû 23ÀÏÀü    
ÅäÁö¸éÀû17.21§³(5.21 Æò)
°Ç¹°¸éÀû29.06§³(8.79 Æò)
乫/¼ÒÀ¯ÀÚ¹®OO / ¹®OO
ä±ÇÀÚÇÑOOOOOOO
ÆäÀ̽ººÏ Æ®À§ÅÍ ±¸±Û+
īī¿À½ºÅ丮
īī¿ÀÅå sms¹®ÀÚº¸³»±â
 

±âÀϳ»¿ª

°æ°ú ³¯Â¥ Àú°¨ ÃÖÀú°¡ °á°ú
Á¢¼öÀÏ 2024-08-08 °æ¸ÅÁ¢¼ö
~1ÀÏ 
2024-08-09 °æ¸Å°³½Ã°áÁ¤
~95ÀÏ 
2024-11-11 ¹è´ç¿ä±¸Á¾±âÀÏ
~349ÀÏ 
2025-07-23 100%
256,000,000
À¯Âû
~398ÀÏ 
2025-09-10 80%
204,800,000
À¯Âû
~438ÀÏ 
2025-10-20 64%
163,840,000
À¯Âû
~482ÀÏ 
2025-12-03 51%
131,072,000
º¯°æ
~538ÀÏ 
2026-01-28 100%
256,000,000
À¯Âû
~587ÀÏ 
2026-03-18 80%
204,800,000
ÁøÇà
¹°°Ç¸í¼¼¼­ ÇöȲÁ¶»ç¼­ ¹®°ÇÁ¢¼ö ¼Û´Þ³»¿ª

°¨Á¤Æò°¡ÇöȲ

¸ñ·Ï ÁÖ¼Ò ±¸Á¶/¿ëµµ/´ëÁö±Ç ¸éÀû ºñ°í
´ëÁö±Ç
È­°îµ¿ 1017-24 394.7ºÐÀÇ 17.21 17.21 §³
(5.21Æò)
°Ç¹°
È­°îµ¿ 1017-24 Á¦5Ãþ Á¦501È£ ö±ÙÄÜÅ©¸®Æ®±¸Á¶ 29.06 §³
(8.79Æò)
1) À§Ä¡/µµ½ÃÁö¿ª/Á¦2Á¾ÀϹÝÁÖ°ÅÁö¿ª/¹ö½ºÁ¤·ùÀå/ÁöÇÏö/ö±ÙÄÜÅ©¸®Æ®±¸Á¶/Æò½º¶óºêÁöºØ ´õº¸±â
°¨Á¤Æò°¡ ¿äÇ×Ç¥
1)À§Ä¡ ¹× ÁÖÀ§È¯°æ
º»°ÇÀº ¼­¿ïƯº°½Ã °­¼­±¸ È­°îµ¿ ¼ÒÀç ÁöÇÏö 5È£¼±"¿ìÀå»ê¿ª"³²¼­Ãø Àαٿ¡ À§Ä¡Çϸç,
ÁÖÀ§´Â ´Üµ¶ÁÖÅÃ, ´Ù¼¼´ëÁÖÅà ¹× ±Ù¸°»ýȰ½Ã¼³ µîÀÌ ¼ÒÀçÇϰí ÀÖ½À´Ï´Ù.
2)±³Åë»óȲ
º»°Ç±îÁö Â÷·®ÃâÀÔÀÌ °¡´ÉÇϸç, Àαٿ¡ ¹ö½ºÁ¤·ùÀå ¹× ÁöÇÏö¿ª(5È£¼± "¿ìÀå»ê¿ª" ¹×
"È­°î¿ª")ÀÌ ¼ÒÀçÇÏ´Â µî Á¦¹Ý ±³Åë¿ä°ÇÀº º¸ÅëÀÔ´Ï´Ù.
3)°Ç¹°ÀÇ ±¸Á¶
ö±ÙÄÜÅ©¸®Æ®±¸Á¶ Æò½º¶óºêÁöºØ 7Ãþ °Ç¹° ³» Á¦5Ãþ Á¦501È£·Î

¿Üº®: µ¹ºÙÀÓ ¸¶°¨ µî,
âȣ: ¾Ë·ç¹Ì´½ ¹× PVCâȣ µî ÀÔ´Ï´Ù.
4)ÀÌ¿ë»óÅÂ
µµ½ÃÇü»ýȰÁÖÅÃ(´ÜÁöÇü´Ù¼¼´ë)À¸·Î ÀÌ¿ëÁß ÀÔ´Ï´Ù.
5)¼³ºñ³»¿ª
º»°ÇÀº ±âº»ÀûÀÎ À§»ý ¹× ±Þ¹è¼ö¼³ºñ, ³­¹æ¼³ºñ, ¼ÒÈ­Àü¼³ºñ, ½Â°­±â¼³ºñ µîÀ» °®Ãß°í ÀÖ½À´Ï´Ù.
6)ÅäÁöÀÇ Çü»ó ¹× ÀÌ¿ë»óÅÂ
2ÇÊÁö ÀÏ´ÜÀÇ ¼¼ÀåÇü ÅäÁö·Î¼­, µµ½ÃÇü»ýȰÁÖÅÃ(´ÜÁöÇü´Ù¼¼´ë)ÀÇ °ÇºÎÁö·Î ÀÌ¿ëÁß ÀÔ´Ï´Ù.
7)ÀÎÁ¢ µµ·Î»óŵî
º»°Ç ³²ÃøÀ¸·Î Æø ¾à 6m ³»¿ÜÀÇ Æ÷Àåµµ·Î, ¼­ÃøÀ¸·Î Æø ¾à 4m ³»¿ÜÀÇ °è´Ü¿¬°á Æ÷Àåµµ·Î¿Í
Á¢Çϰí ÀÖ½À´Ï´Ù.
8)ÅäÁöÀÌ¿ë°èȹ ¹× Á¦ÇÑ»óÅÂ
µµ½ÃÁö¿ª, Á¦2Á¾ÀϹÝÁÖ°ÅÁö¿ª(7ÃþÀÌÇÏ), Áß¿ä½Ã¼³¹°º¸È£Áö±¸(°øÇ×),
°¡Ãà»çÀ°Á¦Çѱ¸¿ª(Áö¿ª°æÁ¦°ú È®ÀÎ ¿ä¸Á)<°¡ÃàºÐ´¢ÀÇ °ü¸® ¹× À̿뿡 °üÇÑ ¹ý·ü>,
¼öÆòÇ¥¸é±¸¿ª(¼öÆòÇ¥¸é)<°øÇ׽ü³¹ý>, ´ë°ø¹æ¾îÇùÁ¶±¸¿ª(À§Å¹°íµµ:77-257m)<±º»ç±âÁö ¹×
±º»ç½Ã¼³ º¸È£¹ý>, °ú¹Ð¾ïÁ¦±Ç¿ª<¼öµµ±ÇÁ¤ºñ°èȹ¹ý>
9)°øºÎ¿ÍÀÇ Â÷ÀÌ
¾ø½À´Ï´Ù.
10)±âŸÂü°í»çÇ×(ÀÓ´ë°ü·Ê ¹× ±âŸ)
ÀÓ´ë¹Ì»óÀÔ´Ï´Ù.
Âü°í
»çÇ×
ÀÓÂ÷ÀÎ ±èÀÇÇõÀÇ ½Â°èÀÎ Çѱ¹ÁÖÅñÝÀ¶°ø»ç´Â ¸Å¼öÀο¡ ´ëÇÏ¿© ¹è´ç¹ÞÁö ¸øÇÏ´Â Àܾ׿¡ ´ëÇÑ ÀÓ´ëÂ÷º¸Áõ±Ý¹Ýȯä±ÇÀ» Æ÷±âÇϰí, ÁÖÅÃÀÓ´ë±Çµî±â¸¦ ¸»¼ÒÇÏ´Â °ÍÀ» Á¶°ÇÀ¸·Î ¸Å°¢

°ÇÃ๰ÇöȲ

¼ÒÀçÁö ¼­¿ïƯº°½Ã °­¼­±¸ È­°îµ¿ 1017-24¹øÁö
´ëÁö¸éÀû 394.7§³
(119.61Æò)
¿¬¸éÀû 788.94§³
(239.07Æò)
°ÇÃà¸éÀû 187.32§³
(56.76Æò)
¿ëÀû·ü»êÁ¤
¿¬¸éÀû
788.94§³
(239.07Æò)
°ÇÆóÀ² 47.46% ¿ëÀû·ü 199.88%
Áö»óÃþ¼ö 7Ãþ ÁöÇÏÃþ¼ö  
ÁÖ¿ëµµ °øµ¿ÁÖÅà ±¸Á¶ ö±ÙÄÜÅ©¸®Æ®±¸Á¶
Âø°øÀÏÀÚ 2018.03.30 »ç¿ë½ÂÀÎÀÏÀÚ 2018.07.24
°ÇÃ๰Ãþº°ÇöȲ [º¸±â]


±¹ÅäºÎ½Ç°Å·¡°¡ ¼­¿ïƯº°½Ã °­¼­±¸ È­°îµ¿

¡Ü ¸Å¸Å

¸éÀû(§³), ±Ý¾×(¸¸¿ø)

¡Ü Àü¼¼

¸éÀû(§³), ±Ý¾×(¸¸¿ø)

°è¾àÀϰǹ°¸íĪÃþ¿¬¸éÀûº¸Áõ±Ý¿ù¼¼°ÇÃà
26.02.12¼­°æÆÓ¸®½º629.297,4002019
26.02.12¼­°æÆÓ¸®½º518.575,0502019
26.02.12¼­°æÆÓ¸®½º528.47,4002019
26.02.12¼­°æÆÓ¸®½º628.537,4002019
26.02.12¼­°æÆÓ¸®½º828.47,4002019
¢Ñ ´õº¸±â

µî±âºÎµîº» ¿ä¾à(°Ç¹°)

  Á¢¼öÀÏÀÚ µî±â¸ñÀû/±Ç¸®ÀÚ ±Ç¸®±Ý¾× ±âÁØ
1 2018³â11¿ù30ÀÏ
¼ÒÀ¯±Ç
¹®OO
¼Ò¸ê
2 2022³â11¿ù24ÀÏ
¾àÁ¤/±ÝÁö»çÇ×/ȯ¸ÅƯ¾à
Àμö
3 2023³â10¿ù12ÀÏ
ÀÓÂ÷±Ç¼³Á¤
±èOO
248,800,000 Àμö
4 2024³â8¿ù12ÀÏ
°­Á¦°æ¸Å
ÇÑOOOO
¼Ò¸ê±âÁØ

ÀÓÂ÷ÀÎÇöȲ (¹è´ç¿ä±¸Á¾±âÀÏ: 2024-11-11)

ÀÓÂ÷ÀÎ ¿ëµµ/Á¡À¯ º¸Áõ±Ý/¿ù¼¼ ´ëÇ×·Â
ÀüÀÔÀÏ/È®Á¤ÀÏ ¹è´ç¿ä±¸ ºñ°í
±èOO ÀüºÎ 248,800,000
O
2022.5.31.
2022.4.14.
2022.5.31.~
ÇÑOOOOOOO ÀüºÎ 248,800,000
O
2022.5.31.
2022.4.14.
2022.5.31.~
ºñ°í
(¸Å°¢¹°°Ç
¸í¼¼¼­)
Çѱ¹ÁÖÅñÝÀ¶°ø»ç:½Åûä±ÇÀڷμ­ ÁÖÅÃÀÓÂ÷±ÇÀÚ ±èÀÇÇõ(ÁÖÅÃÀÓÂ÷±Çµî±âÀÏÀº 2023.10.12.ÀÓ)ÀÇ ÀÓ´ëÂ÷º¸Áõ±Ý¹Ýȯä±Ç ½Â°èÀÎÀÓ.

¿©ÀÇÁÖ°æ¸Å Á¶¾ð ÇÑ ¸¶µð


ÁÖÀÇ»çÇ× (ÃÖ¼±¼øÀ§ ¼³Á¤ÀÏ: 2024.8.12.°æ¸Å°³½Ã°áÁ¤ ¼³Á¤)

¸Å°¢À¸·Î ¼Ò¸êµÇÁö ¾Ê´Â µî±âºÎ±Ç¸®:
¸Å°¢À¸·Î ¼³Á¤µÈ °ÍÀ¸·Î º¸´Â Áö»ó±Ç:
ÀÓÂ÷ÀÎ ±èÀÇÇõÀÇ ½Â°èÀÎ Çѱ¹ÁÖÅñÝÀ¶°ø»ç´Â ¸Å¼öÀο¡ ´ëÇÏ¿© ¹è´ç¹ÞÁö ¸øÇÏ´Â Àܾ׿¡ ´ëÇÑ ÀÓ´ëÂ÷º¸Áõ±Ý¹Ýȯä±ÇÀ» Æ÷±âÇÏ °í, ÁÖÅÃÀÓ´ë±Çµî±â¸¦ ¸»¼ÒÇÏ´Â °ÍÀ» Á¶°ÇÀ¸·Î ¸Å°¢
¡Ø¹Ì³³°ü¸®ºñ(°ø¿ë) Àμö¿©ºÎ¸¦ ÀÔÂû Àü¿¡ È®ÀÎÇϽñ⠹ٶø´Ï´Ù

 

Áö¿ªºÐ¼®

ÁöÇÏö¸í Á÷¼±°Å¸®

Çб³¸í ÀüÈ­¹øÈ£ ÁÖ¼Ò Á÷¼±°Å¸®

¹ý¿ø

¼­¿ï³²ºÎÁö¹æ¹ý¿ø (080-88)¼­¿ïƯº°½Ã ¾çõ±¸ ½Å¿ù·Î 386(½ÅÁ¤µ¿)
´ëÇ¥ : 02)2192-1114
°üÇÒÁö¿ª : ¿µµîÆ÷±¸, °­¼­±¸, ¾çõ±¸, ±¸·Î±¸, ±Ýõ±¸

µî±â¼Ò ¼­¿ï³²ºÎÁö¹æ¹ý¿ø º»¿ø µî±â±¹ (´ëÇ¥:1544-0773, ÆÑ½º:(02)2629-7307, ¼­¿ïƯº°½Ã ¿µµîÆ÷±¸ °æÀηΠ772 (¹®·¡µ¿ 1°¡))
¼¼¹«¼­ °­¼­¼¼¹«¼­ (´ëÇ¥:02-2630-42, ÆÑ½º:02-2679-8777, ¼­¿ïƯº°½Ã °­¼­±¸ ¸¶°î¼­1·Î 60 (¸¶°îµ¿))

Àαٳ«ÂûÅë°è

±â°£ ¸Å°¢°Ç¼ö Æò±Õ°¨Á¤°¡
Æò±Õ¸Å°¢°¡
¸Å°¢°¡À²
Æò±ÕÀ¯Âû¼ö
3°³¿ù 302°Ç 262,028,079¿ø
190,187,628¿ø
73%
2.5ȸ
6°³¿ù 574°Ç 261,331,889¿ø
197,491,402¿ø
76%
2.2ȸ
12°³¿ù 1,040°Ç 259,569,749¿ø
198,999,479¿ø
77%
2.4ȸ


º» °æ¸ÅÁ¤º¸´Â ¹ý¿øÀÚ·á¿Í ÀÏÄ¡Çϵµ·Ï ÇÏ¿´À¸³ª ±Ç¸®»çÇ׺¯µ¿, ÀÔ·ÂÂø¿À µîÀÇ ¿øÀÎÀ¸·Î »ç½Ç°ú ´Ù¸¦ ¼ö ÀÖ½À´Ï´Ù. ÀÌ¿ë¾à°ü¿¡ ÀǰЏéÃ¥Á¶°ÇÀ¸·Î Á¦°øµÊÀ» ¾Ë¸®¸ç, °æ¸ÅÀÔÂû½Ã ¹Ýµå½Ã °ü·Ã °øºÎ¸¦ ÀçÈ®ÀÎÇϽñ⠹ٶø´Ï´Ù. º¸´Ù Æí¸®ÇÑ °æ¸ÅÁ¤º¸ Á¦°øÀ» À§ÇØ Áö¼ÓÀûÀ¸·Î °³¼±ÇϰڽÀ´Ï´Ù. ÀÌ¿ëÇØ Áּż­ °¨»çÇÕ´Ï´Ù.