·Î±×ÀÎ
1055
´Ù¼¼´ë(ºô¶ó)
¼­¿ï³²ºÎÁö¹æ¹ý¿ø
 °¨Á¤°¡312,000,000 ¿ø
 ÃÖÀú°¡(80%) 249,600,000 ¿ø
 º¸Áõ±Ý(10%) 24,960,000 ¿ø
 Ã»±¸¾×50,000,000 ¿ø
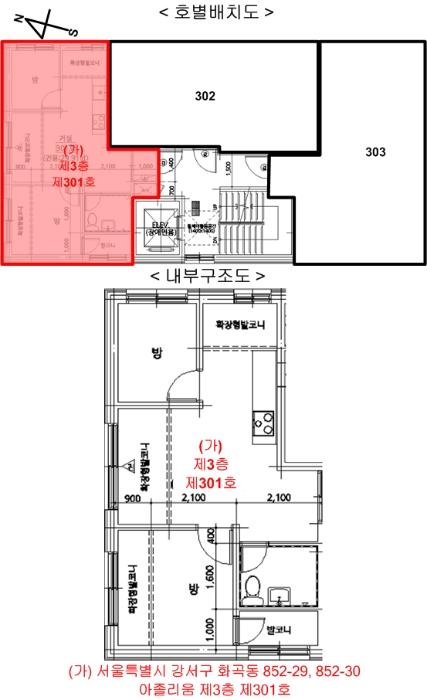
¼­¿ïƯº°½Ã °­¼­±¸ °­¼­·Î5¶ó±æ 142, Á¦3Ãþ Á¦301È£ (È­°îµ¿, ¾ÆÁÙ¸®¿ò)
¼­¿ïƯº°½Ã °­¼­±¸ È­°îµ¿ 852-29
»ç°Ç¹øÈ£ 2024Ÿ°æ130457
°æ¸ÅÁ¾·ùºÎµ¿»ê°­Á¦°æ¸Å
¸Å°¢´ë»óÅäÁö ¹× °Ç¹°Àϰý ¸Å°¢
¸Å°¢±âÀÏ    2026.03.17(È­) 10:00 ÀÔÂû 13ÀÏÀü    
ÅäÁö¸éÀû19.09§³(5.77 Æò)
°Ç¹°¸éÀû29.91§³(9.05 Æò)
乫/¼ÒÀ¯ÀÚÀÌOO / ÀÌOO
ä±ÇÀÚ¼ÕOO
ÆäÀ̽ººÏ Æ®À§ÅÍ ±¸±Û+
īī¿À½ºÅ丮
īī¿ÀÅå sms¹®ÀÚº¸³»±â
 

±âÀϳ»¿ª

°æ°ú ³¯Â¥ Àú°¨ ÃÖÀú°¡ °á°ú
Á¢¼öÀÏ 2024-08-08 °æ¸ÅÁ¢¼ö
~1ÀÏ 
2024-08-09 °æ¸Å°³½Ã°áÁ¤
~95ÀÏ 
2024-11-11 ¹è´ç¿ä±¸Á¾±âÀÏ
~347ÀÏ 
2025-07-21 100%
312,000,000
º¯°æ
~537ÀÏ 
2026-01-27 100%
312,000,000
À¯Âû
~586ÀÏ 
2026-03-17 80%
249,600,000
ÁøÇà
¹°°Ç¸í¼¼¼­ ÇöȲÁ¶»ç¼­ ¹®°ÇÁ¢¼ö ¼Û´Þ³»¿ª

°¨Á¤Æò°¡ÇöȲ

¸ñ·Ï ÁÖ¼Ò ±¸Á¶/¿ëµµ/´ëÁö±Ç ¸éÀû ºñ°í
´ëÁö±Ç
È­°îµ¿ 852-29 282.9ºÐÀÇ 19.09 19.09 §³
(5.77Æò)
°Ç¹°
È­°îµ¿ 852-29 Á¦3Ãþ Á¦301È£ ö±ÙÄÜÅ©¸®Æ®±¸Á¶ 29.91 §³
(9.05Æò)
1) À§Ä¡/µµ½ÃÁö¿ª/Á¦3Á¾ÀϹÝÁÖ°ÅÁö¿ª/Áö±¸´ÜÀ§°èȹ±¸¿ª/¸¶À»¹ö½ºÁ¤·ùÀå/ÁöÇÏö/ö±ÙÄÜÅ©¸®Æ®±¸Á¶/µµ½Ã°¡½º/°¡½ºº¸ÀÏ·¯ ´õº¸±â
°¨Á¤Æò°¡ ¿äÇ×Ç¥
1)À§Ä¡ ¹× ÁÖÀ§È¯°æ
º»°ÇÀº ¼­¿ïƯº°½Ã °­¼­±¸ È­°îµ¿ ¼ÒÀ确ȭ°î2µ¿ Áֹμ¾ÅÍ¡¯³²µ¿Ãø Àαٿ¡ À§Ä¡ÇÏ´Â "¾ÆÁÙ¸®
¿ò" Á¦3Ãþ Á¦301È£(±¸ºÐ°Ç¹°)·Î¼­,ÁÖÀ§´Â ´Ù¼¼´ëÁÖÅÃ, Çб³, °¢Á¾ ±Ù¸°»ýȰ½Ã¼³, °ø¿ø µîÀÌ
È¥ÀçÇÏ´Â Áö¿ªÀ¸·Î Á¦¹Ý ÁÖÀ§ ȯ°æÀº º¸ÅëÀÔ´Ï´Ù.
2)±³Åë»óȲ
º»°Ç±îÁö Â÷·®ÀÇ Áø¤ýÃâÀÔÀÌ °¡´ÉÇϸç, ºÏ¼­Ãø ±Ù°Å¸®¿¡ ÁöÇÏö¿ª(±îÄ¡»ê¿ª)ÀÌ À§Ä¡Çϰí,
³²µ¿ÃøÀ¸·Î ´ëÁß±³Åë¼ö´ÜÀ» ÀÌ¿ëÇÒ ¼ö ÀÖ´Â ¸¶À»¹ö½ºÁ¤·ùÀåÀÌ ¼ÒÀçÇÕ´Ï´Ù.
3)°Ç¹°ÀÇ ±¸Á¶
ö±ÙÄÜÅ©¸®Æ®±¸Á¶ (ö±Ù)ÄÜÅ©¸®Æ®ÁöºØ Áö»ó6Ãþ °Ç¹° ³» Á¦3Ãþ Á¦301È£·Î¼­,
(»ç¿ë½ÂÀÎÀÏ : 2020.12.24.)

¿Üº® : Ä¡À庮µ¹ ¹× ¼®ÀçºÙÀÓ ¸¶°¨ µî.
âȣ : ÇÏÀÌ»õ½Ã âȣ µîÀÔ´Ï´Ù.
4)ÀÌ¿ë»óÅÂ
º»°ÇÀº ´Ù¼¼´ëÁÖÅÃ(¾ÆÁÙ¸®¿ò)·Î ÀÌ¿ëÁßÀÔ´Ï´Ù.
5)¼³ºñ³»¿ª
À§»ý¼³ºñ(±Þ¹è¼ö, ±ÞÅÁ), ³­¹æ¼³ºñ(µµ½Ã°¡½ºº¸ÀÏ·¯), ½Â°­±â¼³ºñ µîÀÌ µÇ¾îÀÖ½À´Ï´Ù.

6)ÅäÁöÀÇ Çü»ó ¹× ÀÌ¿ë»óÅÂ
ÀÎÁ¢µµ·Î ¹× ÀÎÁ¢ÇÊÁö¿Í µî°í ÆòźÇÑ 2ÇÊ ÀÏ´ÜÀÇ ¼¼ÀåÇü ÅäÁö·Î¼­, ÁÖ°Å¿ë(¾ÆÁÙ¸®¿ò) °ÇºÎÁö
·Î ÀÌ¿ëÁßÀÔ´Ï´Ù.
7)ÀÎÁ¢ µµ·Î»óŵî
ºÏ¼­ÃøÀ¸·Î ³ëÆø ¾à 6m ³»¿ÜÀÇ ¾Æ½ºÆÈÆ®Æ÷Àåµµ·Î¿Í °¢°¢ Á¢ÇÕ´Ï´Ù.
8)ÅäÁöÀÌ¿ë°èȹ ¹× Á¦ÇÑ»óÅÂ
ÅäÁö±âÈ£(1) : µµ½ÃÁö¿ª, Á¦3Á¾ÀϹÝÁÖ°ÅÁö¿ª, Áß¿ä½Ã¼³¹°º¸È£Áö±¸(°øÇ×), Áö±¸´ÜÀ§°èȹ±¸¿ª,
°¡Ãà»çÀ°Á¦Çѱ¸¿ª(Áö¿ª°æÁ¦°ú È®ÀÎ ¿ä¸Á)<°¡ÃàºÐ´¢ÀÇ °ü¸® ¹× À̿뿡 °üÇÑ ¹ý·ü>, ¿øÃßÇ¥¸é
±¸¿ª(¿øÃßÇ¥¸é)<°øÇ׽ü³¹ý>, ´ë°ø¹æ¾îÇùÁ¶±¸¿ª(À§Å¹°íµµ:77-257m)<±º»ç±âÁö ¹× ±º»ç½Ã¼³ º¸
È£¹ý>, °ú¹Ð¾ïÁ¦±Ç¿ª<¼öµµ±ÇÁ¤ºñ°èȹ¹ý>, <Ãß°¡±âÀç>°ÇÃà¹ý Á¦2Á¶Á¦1Ç×Á¦11È£³ª¸ñ¿¡ µû¸¥ µµ
·Î(µµ·ÎÀÏºÎÆ÷ÇÔ).
ÅäÁö±âÈ£(2) : µµ½ÃÁö¿ª, Á¦3Á¾ÀϹÝÁÖ°ÅÁö¿ª, Áß¿ä½Ã¼³¹°º¸È£Áö±¸(°øÇ×), Áö±¸´ÜÀ§°èȹ±¸¿ª,
°¡Ãà»çÀ°Á¦Çѱ¸¿ª(Áö¿ª°æÁ¦°ú È®ÀÎ ¿ä¸Á)<°¡ÃàºÐ´¢ÀÇ °ü¸® ¹× À̿뿡 °üÇÑ ¹ý·ü>, ¿øÃßÇ¥¸é
±¸¿ª(¿øÃßÇ¥¸é)<°øÇ׽ü³¹ý>, ´ë°ø¹æ¾îÇùÁ¶±¸¿ª(À§Å¹°íµµ:77-257m)<±º»ç±âÁö ¹× ±º»ç½Ã¼³ º¸
È£¹ý>, °ú¹Ð¾ïÁ¦±Ç¿ª<¼öµµ±ÇÁ¤ºñ°èȹ¹ý>.
9)°øºÎ¿ÍÀÇ Â÷ÀÌ
¾ø½À´Ï´Ù.
10)±âŸÂü°í»çÇ×(ÀÓ´ë°ü·Ê ¹× ±âŸ)
ÀÓ´ë°ü°è : ¹Ì»óÀÔ´Ï´Ù.
±âŸ»çÇ× : ¾ø½À´Ï´Ù.

°ÇÃ๰ÇöȲ

¼ÒÀçÁö ¼­¿ïƯº°½Ã °­¼­±¸ È­°îµ¿ 852-29¹øÁö
´ëÁö¸éÀû 280.9§³
(85.12Æò)
¿¬¸éÀû 559.66§³
(169.59Æò)
°ÇÃà¸éÀû 139.68§³
(42.33Æò)
¿ëÀû·ü»êÁ¤
¿¬¸éÀû
559.66§³
(169.59Æò)
°ÇÆóÀ² 49.73% ¿ëÀû·ü 199.24%
Áö»óÃþ¼ö 6Ãþ ÁöÇÏÃþ¼ö  
ÁÖ¿ëµµ °øµ¿ÁÖÅà ±¸Á¶ ö±ÙÄÜÅ©¸®Æ®±¸Á¶
Âø°øÀÏÀÚ 2020.07.27 »ç¿ë½ÂÀÎÀÏÀÚ 2020.12.24
°ÇÃ๰Ãþº°ÇöȲ [º¸±â]


±¹ÅäºÎ½Ç°Å·¡°¡ ¼­¿ïƯº°½Ã °­¼­±¸ È­°îµ¿

¡Ü ¸Å¸Å

¸éÀû(§³), ±Ý¾×(¸¸¿ø)

¡Ü Àü¼¼

¸éÀû(§³), ±Ý¾×(¸¸¿ø)

°è¾àÀϰǹ°¸íĪÃþ¿¬¸éÀûº¸Áõ±Ý¿ù¼¼°ÇÃà
26.02.12¼­°æÆÓ¸®½º629.297,4002019
26.02.12¼­°æÆÓ¸®½º518.575,0502019
26.02.12¼­°æÆÓ¸®½º528.47,4002019
26.02.12¼­°æÆÓ¸®½º628.537,4002019
26.02.12¼­°æÆÓ¸®½º828.47,4002019
¢Ñ ´õº¸±â

µî±âºÎµîº» ¿ä¾à(°Ç¹°)

  Á¢¼öÀÏÀÚ µî±â¸ñÀû/±Ç¸®ÀÚ ±Ç¸®±Ý¾× ±âÁØ
1 2021³â4¿ù19ÀÏ
¼ÒÀ¯±Ç
ÀÌOO
¼Ò¸ê
2 2021³â7¿ù2ÀÏ
±ÙÀú´ç±Ç
º¯OO
260,000,000 ¼Ò¸ê±âÁØ
3 2023³â5¿ù15ÀÏ
ÀÓÂ÷±Ç¼³Á¤
¼ÕOO
295,000,000 ¼Ò¸ê
4 2024³â8¿ù9ÀÏ
°­Á¦°æ¸Å
¼ÕOO
¼Ò¸ê
5 2024³â9¿ù20ÀÏ
¾Ð·ù
±¹
¼Ò¸ê

ÀÓÂ÷ÀÎÇöȲ (¹è´ç¿ä±¸Á¾±âÀÏ: 2024-11-11)

ÀÓÂ÷ÀÎ ¿ëµµ/Á¡À¯ º¸Áõ±Ý/¿ù¼¼ ´ëÇ×·Â
ÀüÀÔÀÏ/È®Á¤ÀÏ ¹è´ç¿ä±¸ ºñ°í
¼ÕOO ÀüºÎ 295,000,000
O
2021.3.29.
2021.3.2.
2024.8.16. 2021.3.27. ~2024.8.14.
ºñ°í
(¸Å°¢¹°°Ç
¸í¼¼¼­)
¼ÕÀ¯Áø:°æ¸Å½Åûä±ÇÀÚÀ̰í, ÁÖÅÃÀÓÂ÷±Çµî±â±ÇÀڷμ­ ÁÖÅÃÀÓÂ÷±Çµî±âÀÏÀÚ´Â 2023.05.15.ÀÓ. ÀÓÂ÷º¸Áõ±Ý 295,000,000¿ø Áß ÀϺΠÀÎ 50,000,000¿øÀ» û±¸ÇÏ´Â ÆÇ°á¹® ¹× °æ¸Å½Åû¼­ Á¦Ãâ. ÁÖ½Äȸ»ç ¿ì¸®ÀºÇàÀÌ ÀÓÂ÷ÀÎ ¼ÕÀ¯ÁøÀÇ ÀÓ´ëÂ÷º¸Áõ±Ý¹Ýȯä±Ç¿¡ 2¾ï8õ3¹é2½Ê¸¸¿ø Áú±ÇÀ» ¼³Á¤ÇÏ°í ¼­¿ïº¸Áõº¸Çè ÁÖ½Äȸ»ç·Î ä±ÇÀÌ ¾çµµµÊ

¿©ÀÇÁÖ°æ¸Å Á¶¾ð ÇÑ ¸¶µð

ÃëÇÏ ¶Ç´Â Ãë¼ÒµÉ °¡´É¼º ÀÖ½À´Ï´Ù
ÀÌ ¹°°ÇÀÇ °¨Á¤°¡°ÝÀº 312,000,000¿øÀÔ´Ï´Ù. °æ¸Å¸¦ ½ÅûÇÑ Ã¤±ÇÀÚ°¡ ¹è´ç ¹Þ¾Æ¾ß ÇÒ ±Ý¾×Àº 50,000,000¿øÀ¸·Î °¨Á¤°¡°Ý ´ëºñ »ó´çÈ÷ ÀûÀº ±Ý¾×ÀÔ´Ï´Ù. ÀÌ·± °æ¿ì, 乫°¡°¡ º¯Á¦ÇÏ¿© °æ¸Å¸¦ ÃëÇϽÃŰ°Å³ª °æ¸Å½Åûä±ÇÀÚ°¡ ¹è´ç¹ÞÀº ±Ý¿øÀÌ ¾ø°ÔµÇ¾î À̸¥ ¹Ù "¹«À׿©¿¡ ÀÇÇÑ Ãë¼Ò"°¡ µÉ °¡´É¼ºÀÌ ÀÖ½À´Ï´Ù.

ÁÖÀÇ»çÇ× (ÃÖ¼±¼øÀ§ ¼³Á¤ÀÏ: 2021.07.02. ±ÙÀú´ç±Ç ¼³Á¤)

¸Å°¢À¸·Î ¼Ò¸êµÇÁö ¾Ê´Â µî±âºÎ±Ç¸®: ¸Å¼öÀο¡°Ô ´ëÇ×ÇÒ ¼ö ÀÖ´Â ÀÓÂ÷ÀÎÀÌ ÀÖÀ½(ÀÓ´ëÂ÷º¸Áõ±Ý 295,000,000¿ø, ÀüÀÔÀÏ 2021.03.29., È®Á¤ÀÏÀÚ 2021.03.02.). ¹è´ç¿¡¼­ º¸Áõ±ÝÀÌ Àü¾× º¯Á¦µÇÁö ¾Æ´ÏÇϸé Àܾ×À» ¸Å¼öÀÎÀÌ ÀμöÇÔ.
¸Å°¢À¸·Î ¼³Á¤µÈ °ÍÀ¸·Î º¸´Â Áö»ó±Ç:
¡Ø¹Ì³³°ü¸®ºñ(°ø¿ë) Àμö¿©ºÎ¸¦ ÀÔÂû Àü¿¡ È®ÀÎÇϽñ⠹ٶø´Ï´Ù

 

Áö¿ªºÐ¼®

ÁöÇÏö¸í Á÷¼±°Å¸®

Çб³¸í ÀüÈ­¹øÈ£ ÁÖ¼Ò Á÷¼±°Å¸®

¹ý¿ø

¼­¿ï³²ºÎÁö¹æ¹ý¿ø (080-88)¼­¿ïƯº°½Ã ¾çõ±¸ ½Å¿ù·Î 386(½ÅÁ¤µ¿)
´ëÇ¥ : 02)2192-1114
°üÇÒÁö¿ª : ¿µµîÆ÷±¸, °­¼­±¸, ¾çõ±¸, ±¸·Î±¸, ±Ýõ±¸

µî±â¼Ò ¼­¿ï³²ºÎÁö¹æ¹ý¿ø º»¿ø µî±â±¹ (´ëÇ¥:1544-0773, ÆÑ½º:(02)2629-7307, ¼­¿ïƯº°½Ã ¿µµîÆ÷±¸ °æÀηΠ772 (¹®·¡µ¿ 1°¡))
¼¼¹«¼­ °­¼­¼¼¹«¼­ (´ëÇ¥:02-2630-42, ÆÑ½º:02-2679-8777, ¼­¿ïƯº°½Ã °­¼­±¸ ¸¶°î¼­1·Î 60 (¸¶°îµ¿))

Àαٳ«ÂûÅë°è

±â°£ ¸Å°¢°Ç¼ö Æò±Õ°¨Á¤°¡
Æò±Õ¸Å°¢°¡
¸Å°¢°¡À²
Æò±ÕÀ¯Âû¼ö


º» °æ¸ÅÁ¤º¸´Â ¹ý¿øÀÚ·á¿Í ÀÏÄ¡Çϵµ·Ï ÇÏ¿´À¸³ª ±Ç¸®»çÇ׺¯µ¿, ÀÔ·ÂÂø¿À µîÀÇ ¿øÀÎÀ¸·Î »ç½Ç°ú ´Ù¸¦ ¼ö ÀÖ½À´Ï´Ù. ÀÌ¿ë¾à°ü¿¡ ÀǰЏéÃ¥Á¶°ÇÀ¸·Î Á¦°øµÊÀ» ¾Ë¸®¸ç, °æ¸ÅÀÔÂû½Ã ¹Ýµå½Ã °ü·Ã °øºÎ¸¦ ÀçÈ®ÀÎÇϽñ⠹ٶø´Ï´Ù. º¸´Ù Æí¸®ÇÑ °æ¸ÅÁ¤º¸ Á¦°øÀ» À§ÇØ Áö¼ÓÀûÀ¸·Î °³¼±ÇϰڽÀ´Ï´Ù. ÀÌ¿ëÇØ Áּż­ °¨»çÇÕ´Ï´Ù.