·Î±×ÀÎ
1011
¾ÆÆÄÆ®
ÀÎõÁö¹æ¹ý¿ø
 °¨Á¤°¡178,000,000 ¿ø
 ÃÖÀú°¡(70%) 124,600,000 ¿ø
 º¸Áõ±Ý(10%) 12,460,000 ¿ø
 Ã»±¸¾×142,118,400 ¿ø
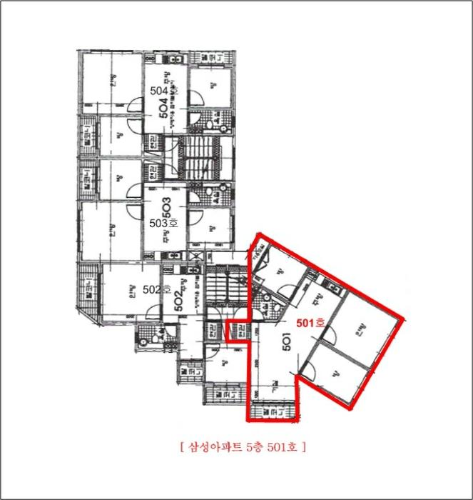
ÀÎõ±¤¿ª½Ã ºÎÆò±¸ ÀåÁ¦·Î91¹ø±æ 24-5, 5Ãþ501È£ (ºÎÆòµ¿,»ï¼º¾ÆÆÄÆ®)
ÀÎõ±¤¿ª½Ã ºÎÆò±¸ ºÎÆòµ¿ 525-2
»ç°Ç¹øÈ£ 2024Ÿ°æ533655
°æ¸ÅÁ¾·ùºÎµ¿»ê°­Á¦°æ¸Å
¸Å°¢´ë»óÅäÁö ¹× °Ç¹°Àϰý ¸Å°¢
¸Å°¢±âÀÏ    2026.04.20(¿ù) 10:00 ÀÔÂû 16ÀÏÀü    
ÅäÁö¸éÀû19.62§³(5.94 Æò)
°Ç¹°¸éÀû57.13§³(17.28 Æò)
乫/¼ÒÀ¯ÀÚÁ¤OO / Á¤OO
ä±ÇÀÚ¾ÈOO
ÆäÀ̽ººÏ Æ®À§ÅÍ ±¸±Û+
īī¿À½ºÅ丮
īī¿ÀÅå sms¹®ÀÚº¸³»±â
 

±âÀϳ»¿ª

°æ°ú ³¯Â¥ Àú°¨ ÃÖÀú°¡ °á°ú
Á¢¼öÀÏ 2024-05-21 °æ¸ÅÁ¢¼ö
~1ÀÏ 
2024-05-22 °æ¸Å°³½Ã°áÁ¤
~83ÀÏ 
2024-08-12 ¹è´ç¿ä±¸Á¾±âÀÏ
~372ÀÏ 
2025-05-28 100%
178,000,000
º¯°æ
~402ÀÏ 
2025-06-27 100%
178,000,000
À¯Âû
~435ÀÏ 
2025-07-30 70%
124,600,000
º¯°æ
~699ÀÏ 
2026-04-20 70%
124,600,000
ÁøÇà
¹°°Ç¸í¼¼¼­ ÇöȲÁ¶»ç¼­ ¹®°ÇÁ¢¼ö ¼Û´Þ³»¿ª

°¨Á¤Æò°¡ÇöȲ

¸ñ·Ï ÁÖ¼Ò ±¸Á¶/¿ëµµ/´ëÁö±Ç ¸éÀû ºñ°í
´ëÁö±Ç
ºÎÆòµ¿ 525-2 287.3ºÐÀÇ 19.62 19.62 §³
(5.94Æò)
°Ç¹°
ºÎÆòµ¿ 525-2 5Ãþ501È£ ö±ÙÄÜÅ©¸®Æ®Á¶ 57.13 §³
(17.28Æò)
1) À§Ä¡/ÀϹݻó¾÷Áö¿ª/Â÷·®ÃâÀÔ °¡´É/¹ö½ºÁ¤·ùÀå/ö±ÙÄÜÅ©¸®Æ®Á¶/Æò½º¶óºêÁöºØ/µµ½Ã°¡½º/°³º°³­¹æ ´õº¸±â
°¨Á¤Æò°¡ ¿äÇ×Ç¥
1)À§Ä¡ ¹× ÁÖÀ§È¯°æ
º»°ÇÀº ÀÎõ±¤¿ª½Ã ºÎÆò±¸ ºÎÆòµ¿ ¼ÒÀç "½ÃÀå·ÎŸ¸®" µ¿Ãø Àαٿ¡ À§Ä¡Çϸç, ÁÖÀ§´Â µ¿·ùÇü
°øµ¿ÁÖÅà ¹× ±Ù¸°»ýȰ½Ã¼³ µîÀÌ ¹ÐÁýµÈ Áö¿ªÀÓ.
2)±³Åë»óȲ
º»°Ç±îÁö Â÷·®ÃâÀÔ °¡´ÉÇϸç, Àαٿ¡ °¢Á¾ ¹ö½ºÁ¤·ùÀåÀÌ À§Ä¡ÇÏ¿© ´ëÁß±³Åë»çÁ¤Àº ¹«³­½Ã µÊ.
3)°Ç¹°ÀÇ ±¸Á¶
ö±ÙÄÜÅ©¸®Æ®Á¶ Æò½º¶óºêÁöºØ ÁöÇÏ1Ãþ Áö»ó5Ãþ ³» 5Ãþ 501È£·Î¼­,
(»ç¿ë½ÂÀÎÀÏ : 2002.12.21.)

¿Üº® : ¼¼¸à¸ôÅ»À§ ÆäÀÎÆÃ ¸¶°¨.
âȣ : ÇÏÀ̼¦½Ã âȣÀÓ.
4)ÀÌ¿ë»óÅÂ
¾ÆÆÄÆ®·Î ÀÌ¿ëÁßÀÓ.
5)¼³ºñ³»¿ª
À§»ý ¹× ±Þ¹è¼ö¼³ºñ,µµ½Ã°¡½º¼³ºñ, °³º°³­¹æ¼³ºñ µîÀÌ µÇ¾î ÀÖÀ½.
6)ÅäÁöÀÇ Çü»ó ¹× ÀÌ¿ë»óÅÂ
ºÏÃø µµ·Î¿Í ³²Ãø µµ·Î°£¿¡ °íÀúÂ÷°¡ ÀÖ´Â ºÎÁ¤ÇüÀÇ ÅäÁö·Î¼­, ¾ÆÆÄÆ® ¹× ±Ù¸°»ýȰ½Ã¼³ °ÇºÎ
Áö·Î ÀÌ¿ëÁßÀÓ.
7)ÀÎÁ¢ µµ·Î»óŵî
ºÏÃøÀ¸·Î Æø ¾à15¹ÌÅÍ, ³²ÃøÀ¸·Î Æø ¾à2.7¹ÌÅÍ ÁøÀÔµµ·Î¸¦ ÅëÇÏ¿© 8¹ÌÅÍ µµ·Î¿Í °¢°¢ Á¢ÇÔ.
8)ÅäÁöÀÌ¿ë°èȹ ¹× Á¦ÇÑ»óÅÂ
ÀϹݻó¾÷Áö¿ª, ¹æÈ­Áö±¸, °¡·Î±¸¿ªº° ÃÖ°í³ôÀÌ Á¦ÇÑÁö¿ª<°ÇÃà¹ý>, °ú¹Ð¾ïÁ¦±Ç¿ª<¼öµµ±ÇÁ¤ºñ
°èȹ¹ý>
9)°øºÎ¿ÍÀÇ Â÷ÀÌ
ÇØ´ç¾øÀ½.
10)±âŸÂü°í»çÇ×(ÀÓ´ë°ü·Ê ¹× ±âŸ)
ÀÓ´ë°ü°è ¹Ì»óÀÓ.
Âü°í
»çÇ×

- º»°ÇÀº ºÎÈïÃʵîÇб³ ºÎ±Ù¿¡ À§Ä¡ÇÑ ¾ÆÆÄÆ®·Î ÁÖº¯Àº ¾ÆÆÄÆ®, ´Ù¼¼´ëÁÖÅÃ, ´Üµ¶ÁÖÅà µîÀÌ ¹ÐÁýµÈ Áö¿ªÀÓ

°ÇÃ๰ÇöȲ

¼ÒÀçÁö ÀÎõ±¤¿ª½Ã ºÎÆò±¸ ºÎÆòµ¿ 525-2¹øÁö
´ëÁö¸éÀû 287.3§³
(87.06Æò)
¿¬¸éÀû 943.28§³
(285.84Æò)
°ÇÃà¸éÀû 217.43§³
(65.89Æò)
¿ëÀû·ü»êÁ¤
¿¬¸éÀû
826.79§³
(250.54Æò)
°ÇÆóÀ² 75.68% ¿ëÀû·ü 287.78%
Áö»óÃþ¼ö 5Ãþ ÁöÇÏÃþ¼ö 1Ãþ
ÁÖ¿ëµµ °øµ¿ÁÖÅà ±¸Á¶ ö±ÙÄÜÅ©¸®Æ®±¸Á¶
Âø°øÀÏÀÚ 2002.07.18 »ç¿ë½ÂÀÎÀÏÀÚ 2002.12.21
°ÇÃ๰Ãþº°ÇöȲ [º¸±â]


µî±âºÎµîº» ¿ä¾à(°Ç¹°)

  Á¢¼öÀÏÀÚ µî±â¸ñÀû/±Ç¸®ÀÚ ±Ç¸®±Ý¾× ±âÁØ
1 2021³â1¿ù29ÀÏ
¼ÒÀ¯±Ç
Á¤OO
¼Ò¸ê
2 2023³â2¿ù2ÀÏ
¾Ð·ù
±¹
¼Ò¸ê±âÁØ
3 2024³â5¿ù22ÀÏ
°­Á¦°æ¸Å
¾ÈOO
¼Ò¸ê
4 2024³â8¿ù9ÀÏ
ÀÓÂ÷±Ç¼³Á¤
¾ÈOO
142,000,000 ¼Ò¸ê

ÀÓÂ÷ÀÎÇöȲ (¹è´ç¿ä±¸Á¾±âÀÏ: 2024-08-12)

ÀÓÂ÷ÀÎ ¿ëµµ/Á¡À¯ º¸Áõ±Ý/¿ù¼¼ ´ëÇ×·Â
ÀüÀÔÀÏ/È®Á¤ÀÏ ¹è´ç¿ä±¸ ºñ°í
¾ÈOO 501È£ÀüºÎ 142,000,000
O
2022.11.03
2022.10.18
2024.7.11. 2022.11.01.~2024.11.01.
ºñ°í
(¸Å°¢¹°°Ç
¸í¼¼¼­)
¾ÈÁö¿¬:½Åûä±ÇÀÚ ¹× ÁÖÅÃÀÓÂ÷±Çµî±â±ÇÀڷμ­ ÁÖÅÃÀÓÂ÷±Çµî±âÀÏÀº 2024.08.09.ÀÓ

¿©ÀÇÁÖ°æ¸Å Á¶¾ð ÇÑ ¸¶µð

¼±¼øÀ§ ÀÓÂ÷±Çµî±â°¡ µÇ¾î ÀÖ½À´Ï´Ù
´ëÇ×·ÂÀÌ ÀÖ´Â ¼±¼øÀ§ ÀÓÂ÷±Çµî±â ±Ç¸®ÀÚ°¡ ¹è´çÀ» Àü¾× ¹ÞÁö ¸øÇÒ °æ¿ì ³«ÂûÀÚ°¡ ÀÜ¿© º¸Áõ±ÝÀ» ÀμöÇØ¾ßÇÏ´Â °æ¿ìµµ ÀÖ½À´Ï´Ù.

ÁÖÀÇ»çÇ× (ÃÖ¼±¼øÀ§ ¼³Á¤ÀÏ: 2023.02.02.¾Ð·ù ¼³Á¤)

¸Å°¢À¸·Î ¼Ò¸êµÇÁö ¾Ê´Â µî±âºÎ±Ç¸®: ¸Å¼öÀο¡°Ô ´ëÇ×ÇÒ ¼ö ÀÖ´Â À»±¸5¹ø ÀÓÂ÷±Çµî±â(ÀÓ´ëÂ÷º¸Áõ±Ý 142,000,000¿ø, ÀüÀÔÀÏÀÚ 2022.11.03. È®Á¤ÀÏÀÚ 2022.10.18.) ÀÖÀ¸ ¹Ç·Î ¹è´ç¿¡¼­ Àü¾× º¯Á¦µÇÁö ¾Æ´ÏÇϸé Àܾ×À» ¸Å¼öÀÎÀÌ ÀμöÇÔ
¸Å°¢À¸·Î ¼³Á¤µÈ °ÍÀ¸·Î º¸´Â Áö»ó±Ç:
¡Ø¹Ì³³°ü¸®ºñ(°ø¿ë) Àμö¿©ºÎ¸¦ ÀÔÂû Àü¿¡ È®ÀÎÇϽñ⠹ٶø´Ï´Ù

 

Áö¿ªºÐ¼®

ÁöÇÏö¸í Á÷¼±°Å¸®

Çб³¸í ÀüÈ­¹øÈ£ ÁÖ¼Ò Á÷¼±°Å¸®

¹ý¿ø

ÀÎõÁö¹æ¹ý¿ø (222-20)ÀÎõ±¤¿ª½Ã ¹ÌÃßȦ±¸ ¼Ò¼º·Î 163¹ø±æ 17(ÇÐÀ͵¿)
´ëÇ¥ : 032)860-1113~4
°üÇÒÁö¿ª : Áß±¸, µ¿±¸, ³²±¸, ¿¬¼ö±¸, ³²µ¿±¸, ºÎÆò±¸, °è¾ç±¸, ¼­±¸, ¿ËÁø±º, °­È­±º

µî±â¼Ò ÀÎõÁö¹æ¹ý¿ø º»¿ø µî±â±¹ (´ëÇ¥:1544-0773, ÆÑ½º:(032)620-9099, ÀÎõ±¤¿ª½Ã ¹ÌÃßȦ±¸ °æ¿ø´ë·Î 881(Á־ȵ¿ 983))
¼¼¹«¼­ ºÏÀÎõ¼¼¹«¼­ (´ëÇ¥:032-540-62, ÆÑ½º:032-545-0411, ÀÎõ±¤¿ª½Ã °è¾ç±¸ È¿¼­·Î244(ÀÛÀüµ¿ 422-1) )

Àαٳ«ÂûÅë°è

±â°£ ¸Å°¢°Ç¼ö Æò±Õ°¨Á¤°¡
Æò±Õ¸Å°¢°¡
¸Å°¢°¡À²
Æò±ÕÀ¯Âû¼ö
3°³¿ù 48°Ç 279,541,667¿ø
293,493,620¿ø
99%
1.8ȸ
6°³¿ù 80°Ç 280,487,500¿ø
272,161,923¿ø
92%
2ȸ
12°³¿ù 151°Ç 296,944,371¿ø
265,277,267¿ø
86%
1.7ȸ


º» °æ¸ÅÁ¤º¸´Â ¹ý¿øÀÚ·á¿Í ÀÏÄ¡Çϵµ·Ï ÇÏ¿´À¸³ª ±Ç¸®»çÇ׺¯µ¿, ÀÔ·ÂÂø¿À µîÀÇ ¿øÀÎÀ¸·Î »ç½Ç°ú ´Ù¸¦ ¼ö ÀÖ½À´Ï´Ù. ÀÌ¿ë¾à°ü¿¡ ÀǰЏéÃ¥Á¶°ÇÀ¸·Î Á¦°øµÊÀ» ¾Ë¸®¸ç, °æ¸ÅÀÔÂû½Ã ¹Ýµå½Ã °ü·Ã °øºÎ¸¦ ÀçÈ®ÀÎÇϽñ⠹ٶø´Ï´Ù. º¸´Ù Æí¸®ÇÑ °æ¸ÅÁ¤º¸ Á¦°øÀ» À§ÇØ Áö¼ÓÀûÀ¸·Î °³¼±ÇϰڽÀ´Ï´Ù. ÀÌ¿ëÇØ Áּż­ °¨»çÇÕ´Ï´Ù.